Non mi è chiaro a quali cadute di tensone ti riferisci. Più tardi vedrò di fare due calcoli.
Il comportamento è quello che hai descritto/capito.
pulsante come interruttore on/off
Moderatori:
carloc,
g.schgor,
BrunoValente,
IsidoroKZ
20 messaggi
• Pagina 2 di 2 • 1, 2
0
voti
paoloj ha scritto:quanti V otterrei all'uscita ?
gohan ha scritto:Non mi è chiaro a quali cadute di tensone ti riferisci
Prima mi ero appisolato dopo pranzo..
La serie HCMOS ha una caduta di tensione tipica a carica idonea di
10mV misurati con il voltmetro, quindi se alimenti a 5V l'integrato aspettati una tensione dalle parti di 4.95V sull'output.Per osservare le caratteristiche della famiglia HCMOS puoi vedere HCMOS family characteristics.
A più tardi.

1
voti
Ciao
simo85,
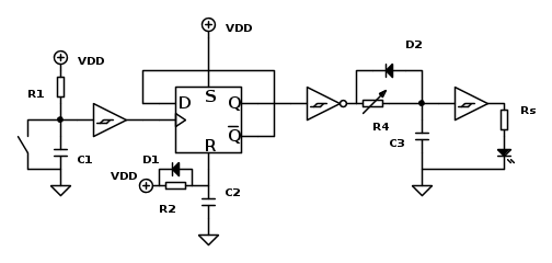
Ti posto il tuo circuito con alcune modifiche che ho fatto, l'ho provato con un simulatore e non mi da problemi, mi da il ritardo sia in ON che in OFF.
Ho eliminato qualche componente per avere un minore consumo, non so però se i componenti che ho eliminato in che modo influiscono il risultato.
Ho messo R3 da 10K e C1 da 100uF, variando questi due valori vario il tempo di ritardo.
In uscita ottengo i 5volt che è la tensione che metto in ingresso.
Secondo te può andare bene così ?
Grazie.
Ti posto il tuo circuito con alcune modifiche che ho fatto, l'ho provato con un simulatore e non mi da problemi, mi da il ritardo sia in ON che in OFF.
Ho eliminato qualche componente per avere un minore consumo, non so però se i componenti che ho eliminato in che modo influiscono il risultato.
Ho messo R3 da 10K e C1 da 100uF, variando questi due valori vario il tempo di ritardo.
In uscita ottengo i 5volt che è la tensione che metto in ingresso.
Secondo te può andare bene così ?
Grazie.
Ultima modifica di
admin il 20 ott 2014, 16:23, modificato 2 volte in totale.
Motivazione: Inserita immagine con il testo.
Motivazione: Inserita immagine con il testo.
0
voti
Allora,
1) Gli schemi si postano con FidoCad come li ho postati io prima.
2) Lascia perdere il simulatore. Meglio usare prima un buon libro di elettronica analogica e digitale.
3)
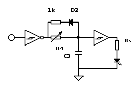
Oltre ad altri componenti necessari hai eliminato il diodo D2, ed è grazie a quello che hai lo spegnimento senza ritardo come avevi chiesto.
4)
No. Il circuito te l'ho postato prima, perché lo devi modificare a caso?
1) Gli schemi si postano con FidoCad come li ho postati io prima.
2) Lascia perdere il simulatore. Meglio usare prima un buon libro di elettronica analogica e digitale.
3)
paoloj ha scritto:mi da il ritardo sia in ON che in OFF.
Ho eliminato qualche componente per avere un minore consumo, non so però se i componenti che ho eliminato in che modo influiscono il risultato.
Oltre ad altri componenti necessari hai eliminato il diodo D2, ed è grazie a quello che hai lo spegnimento senza ritardo come avevi chiesto.
4)
Secondo te può andare bene così ?
No. Il circuito te l'ho postato prima, perché lo devi modificare a caso?
0
voti
Chiudo scusa, ritornerò al tuo circuito originario.
Ti volevo chiedere se mi puoi indicare i valori degli altri componenti passivi cosi lo provo (senza simulatore) e magari ti faccio sapere.
Inoltre, per far si che devo tener premuto il pulsanto per commutare l'uscita, come avevo indicato all'inizio è complicato? Ma comunque così va bene lo stesso.
Ti ringrazio per la tua disponibilità e la tua pazienza.
Ciao.
Ti volevo chiedere se mi puoi indicare i valori degli altri componenti passivi cosi lo provo (senza simulatore) e magari ti faccio sapere.
Inoltre, per far si che devo tener premuto il pulsanto per commutare l'uscita, come avevo indicato all'inizio è complicato? Ma comunque così va bene lo stesso.
Ti ringrazio per la tua disponibilità e la tua pazienza.
Ciao.
1
voti
paoloj ha scritto:Ti volevo chiedere se mi puoi indicare i valori degli altri componenti passivi cosi lo provo ...
Dunque, osservando la Fig. 9 a pagina 8 del datasheet del 74HC14, dice che con una alimentazione di 4.5V
è dalle parti di 2.4V. Io però prenderei il caso minimo di 1.7V.La formula da usare è

Vedi anche qui.
Dunque io sceglierei questi valori:




e per un ritardo di

la metterei da 

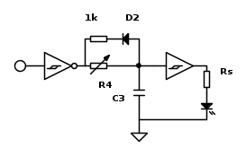
Per le prove ovviamente usa la breadboard in modo da verificare il tutto, e per accertarsi del comportamento descritto al messaggio 8, sull'ultimo output puoi mettrere un LED per avere subito il riscontro dello stato logico, con il LED acceso per un 1 logico. Riproponendo lo schema
Se usi un LED rosso
.paoloj ha scritto:magari ti faccio sapere.
Anche senza il "magari".
paoloj ha scritto:Inoltre, per far si che devo tener premuto il pulsanto per commutare l'uscita, come avevo indicato all'inizio è complicato?
Secondo me si, è più complicato, magari qualcuno più esperto ha le idee più chiare a riguardo, e secondo me, se vuoi un circuito piccolo per quella specifica funzione ti conviene usare un microcontrollore, ma questa è un'altra storia.
Se la tua preoccupazione è sapere se hai premuto il tasto o no per l'accensione, si può usare un LED come indicatore..
EDIT:
Per precauzione, metti in serie a D2 una R da 1k cosi
0
voti
Grazie,
appena mi arrivano i componenti provo subito il circuito e faccio sapere.
appena mi arrivano i componenti provo subito il circuito e faccio sapere.
0
voti
Ciao,
mi ero dimenticato di chiederti se i condensatori C2, C1 e C3 possono essere elettrolici o devono essere ceramici.
Grazie.
Ciao.
mi ero dimenticato di chiederti se i condensatori C2, C1 e C3 possono essere elettrolici o devono essere ceramici.
Grazie.
Ciao.
20 messaggi
• Pagina 2 di 2 • 1, 2
Chi c’è in linea
Visitano il forum: Nessuno e 73 ospiti

Elettrotecnica e non solo (admin)
Un gatto tra gli elettroni (IsidoroKZ)
Esperienza e simulazioni (g.schgor)
Moleskine di un idraulico (RenzoDF)
Il Blog di ElectroYou (webmaster)
Idee microcontrollate (TardoFreak)
PICcoli grandi PICMicro (Paolino)
Il blog elettrico di carloc (carloc)
DirtEYblooog (dirtydeeds)
Di tutto... un po' (jordan20)
AK47 (lillo)
Esperienze elettroniche (marco438)
Telecomunicazioni musicali (clavicordo)
Automazione ed Elettronica (gustavo)
Direttive per la sicurezza (ErnestoCappelletti)
EYnfo dall'Alaska (mir)
Apriamo il quadro! (attilio)
H7-25 (asdf)
Passione Elettrica (massimob)
Elettroni a spasso (guidob)
Bloguerra (guerra)



