Ciao a tutti,
mi sto approcciando all'elettronica da poco tempo soprattutto per ciò che riguarda il suono.
Ora ho realizzato un piccolo circuito perfettamente funzionante e molto interessante trovato a questo link http://www.ralfschreiber.com/solarsound/solarsound.html
Sono contento del risultato, ma vorrei capirne più a fondo il funzionamento.
Premetto che so cosè un trigger e come funziona, ma non capisco la configurazione a loop creata e come funzioni da segnale di ingresso quello proveniente dal pannello.
Suggerimenti?
Grazie in anticipo!
Circuito sonoro Trigger di Schmitt
Moderatori:
carloc,
g.schgor,
BrunoValente,
IsidoroKZ
6 messaggi
• Pagina 1 di 1
0
voti
0
voti
Quello che arriva dal pannello non e` il segnale di ingresso, ma l'alimentazione.
Potresti fare lo schema vero, con i simboli giusti per R, C e per le porte a trigger di Schmitt che ci sono nell'integrato.
Che cosa sai di elettronica? Che cosa hai studiato?
Potresti fare lo schema vero, con i simboli giusti per R, C e per le porte a trigger di Schmitt che ci sono nell'integrato.
Che cosa sai di elettronica? Che cosa hai studiato?
Per usare proficuamente un simulatore, bisogna sapere molta più elettronica di lui
Plug it in - it works better!
Il 555 sta all'elettronica come Arduino all'informatica! (entrambi loro malgrado)
Se volete risposte rispondete a tutte le mie domande
Plug it in - it works better!
Il 555 sta all'elettronica come Arduino all'informatica! (entrambi loro malgrado)
Se volete risposte rispondete a tutte le mie domande
2
voti
Un inverter di schmitt può essere usato come oscillatore in questa configurazione di massima.
All'inizio il condensatore è scarico, l'inverter quindi avrà una tensione di uscita
. Il condensatore si caricherà.
Ma quando la tensione in ingresso supera
, cioè la tensione di soglia alta, l'inverter si inverterà
e avrà una tensione di uscita
. Il condensatore si scaricherà.
E quando la tensione scende a
, l'inverter inverte di nuovo e ritornerà allo stadio di inizio, eccetto che il condensatore sarà leggermente carico.
L'uscita oscillerà quindi con ampiezza di
.
Il tempo di transizione sarà
,
che si riduce a
.
La frequenza sarà quindi
.
Spero ti basti. Se vuoi qualcos'altro basta chiedere.
All'inizio il condensatore è scarico, l'inverter quindi avrà una tensione di uscita
. Il condensatore si caricherà.Ma quando la tensione in ingresso supera
, cioè la tensione di soglia alta, l'inverter si inverterà
. Il condensatore si scaricherà.E quando la tensione scende a
, l'inverter inverte di nuovo e ritornerà allo stadio di inizio, eccetto che il condensatore sarà leggermente carico.L'uscita oscillerà quindi con ampiezza di
.Il tempo di transizione sarà
,che si riduce a
.La frequenza sarà quindi
.Spero ti basti. Se vuoi qualcos'altro basta chiedere.

Per usare un simulatore devi conoscere più elettronica di lui. [
IsidoroKZ]
40. There are two ways to write error-free programs; only the third one works.
[Alan J. Perlis, Epigrams on Programming]
40. There are two ways to write error-free programs; only the third one works.
[Alan J. Perlis, Epigrams on Programming]
0
voti
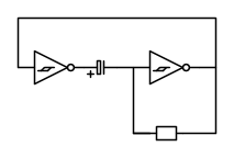
fondamentalmente il mio circuito di base è questo
che spero si veda.
L'alimentazione la do all'integrato e varia a seconda della luce che arriva al pannello.
Il suono prodotto dal piezo varia, naturalmente, a seconda di dove viene prelevato il segnale.
Che cosa so di elettronica? Diciamo che sono perito industriale in telecomunicazioni, diplomato 12anni fa, poi ho studiato informatica e solo da qualche mese ho rimesso mano su alcuni circuiti per il laboratorio con cui collaboro. Indomma, dovrei saperne di più ma pian piano sto cominciando a ricordare..

ah, ho scaricato ora fidocadj, eccezionale!
che spero si veda.
L'alimentazione la do all'integrato e varia a seconda della luce che arriva al pannello.
Il suono prodotto dal piezo varia, naturalmente, a seconda di dove viene prelevato il segnale.
Che cosa so di elettronica? Diciamo che sono perito industriale in telecomunicazioni, diplomato 12anni fa, poi ho studiato informatica e solo da qualche mese ho rimesso mano su alcuni circuiti per il laboratorio con cui collaboro. Indomma, dovrei saperne di più ma pian piano sto cominciando a ricordare..
ah, ho scaricato ora fidocadj, eccezionale!
0
voti
Credo di aver capito, correggetemi se sbaglio.
Visto che il funzionamento di base è quello di un oscillatore, il loop con il secondo trigger è usato per variare ulteriormente la tensione in ingresso, andando a squadrare in maniera più fine il segnale prodotto dal primo oscillatore e riproducendolo in ingresso. no?
Visto che il funzionamento di base è quello di un oscillatore, il loop con il secondo trigger è usato per variare ulteriormente la tensione in ingresso, andando a squadrare in maniera più fine il segnale prodotto dal primo oscillatore e riproducendolo in ingresso. no?
0
voti
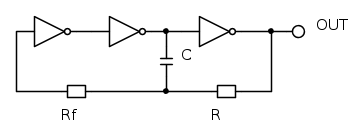
Il tuo circuito, per quel poco che ne so, non è corretto. Per realizzare unoscillatore di trigger ne basta uno solo. Il tuo circuito assomiglia all' oscillatore RC realizzato con porte logiche normali, non con i trigger e che è questo.
In questa pagina sono spiegate diverse tipologie di oscillatori realizzati con porte logiche, compresi i trigger.
In questa pagina sono spiegate diverse tipologie di oscillatori realizzati con porte logiche, compresi i trigger.
"La follia sta nel fare sempre la stessa cosa aspettandosi risultati diversi".
"Parla soltanto quando sei sicuro che quello che dirai è più bello del silenzio".
Rispondere è cortesia, ma lasciare l'ultima parola ai cretini è arte.
"Parla soltanto quando sei sicuro che quello che dirai è più bello del silenzio".
Rispondere è cortesia, ma lasciare l'ultima parola ai cretini è arte.
-

TardoFreak
73,9k 8 12 13 - -EY Legend-

- Messaggi: 15754
- Iscritto il: 16 dic 2009, 11:10
- Località: Torino - 3° pianeta del Sistema Solare
6 messaggi
• Pagina 1 di 1
Chi c’è in linea
Visitano il forum: Nessuno e 177 ospiti

Elettrotecnica e non solo (admin)
Un gatto tra gli elettroni (IsidoroKZ)
Esperienza e simulazioni (g.schgor)
Moleskine di un idraulico (RenzoDF)
Il Blog di ElectroYou (webmaster)
Idee microcontrollate (TardoFreak)
PICcoli grandi PICMicro (Paolino)
Il blog elettrico di carloc (carloc)
DirtEYblooog (dirtydeeds)
Di tutto... un po' (jordan20)
AK47 (lillo)
Esperienze elettroniche (marco438)
Telecomunicazioni musicali (clavicordo)
Automazione ed Elettronica (gustavo)
Direttive per la sicurezza (ErnestoCappelletti)
EYnfo dall'Alaska (mir)
Apriamo il quadro! (attilio)
H7-25 (asdf)
Passione Elettrica (massimob)
Elettroni a spasso (guidob)
Bloguerra (guerra)






