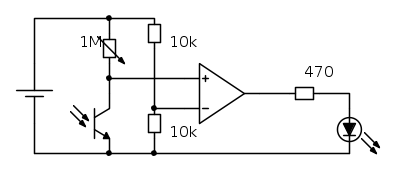
Ciao a tutti vorrei capire in questo circuito perché aumentando il valore del potenziometro, il fototransistor risulta più sensibile alla luce.
Resistenza fototransistor
Moderatori:
carloc,
g.schgor,
BrunoValente,
IsidoroKZ
24 messaggi
• Pagina 1 di 3 • 1, 2, 3
5
voti
Il fototransitor e` un succhiacorrente che aspira dal collettore una corrente proporzionale alla luce (detto in termini piu` terra terra di cosi` credo sia difficile!).
Il comparatore scatta quando sul fototransitor c'e` meta` della tensione di alimentazione. Per far cadere sul potenziometro metta` della tensione di alimentazione puoi giocartela con la corrente assorbita oppure con la resistenza del potenziometro: devi sempre ottenere la stessa caduta di tensione sul potenziometro V=RxI
Se vuoi sentire dei livelli di illuminazione bassi, allora hai poca corrente e per avere la caduta di tensione che fa scattare il comparatore, serve una resistenza elevate.
Il comparatore scatta quando sul fototransitor c'e` meta` della tensione di alimentazione. Per far cadere sul potenziometro metta` della tensione di alimentazione puoi giocartela con la corrente assorbita oppure con la resistenza del potenziometro: devi sempre ottenere la stessa caduta di tensione sul potenziometro V=RxI
Se vuoi sentire dei livelli di illuminazione bassi, allora hai poca corrente e per avere la caduta di tensione che fa scattare il comparatore, serve una resistenza elevate.
Per usare proficuamente un simulatore, bisogna sapere molta più elettronica di lui
Plug it in - it works better!
Il 555 sta all'elettronica come Arduino all'informatica! (entrambi loro malgrado)
Se volete risposte rispondete a tutte le mie domande
Plug it in - it works better!
Il 555 sta all'elettronica come Arduino all'informatica! (entrambi loro malgrado)
Se volete risposte rispondete a tutte le mie domande
2
voti
Ok, ma il mio dubbio è questo: Allora la resistenza di collettore non influisce per niente sulla corrente Ic?
Quindi come faccio a far scorrere una corrente che non deve superare i 15 mA, altrimenti si brucia il fototransistor, visto che la corrente di collettore dipende dalla quantità di luce?
Quindi come faccio a far scorrere una corrente che non deve superare i 15 mA, altrimenti si brucia il fototransistor, visto che la corrente di collettore dipende dalla quantità di luce?
4
voti
Prendi sempre il DS, se vedi si addensano man mano che Ic sale. Considera sempre Ic massima come se Vce = 0 (fosse zero). Ee e' l'energia incidente sulla parte sensibile, qui sale a quarti di mW su centimetro quadro per ogni curva Vce-Ic.
-

Lelettrico
2.458 1 4 6 - Master

- Messaggi: 1108
- Iscritto il: 13 set 2010, 12:24
0
voti
Non so se lo conoscevi o meno, forse non lo hai compreso completamente o non lo hai guardato con attenzione altrimenti non comprendo le domande da te poste:
e la ragione oltre a cio che
IsidoroKZ ha ben spiegato
e la mia risposta e':
In questo modo qualsiasi sia Ee Rc = Vcc - 0 / Icmax
... non dicendo tu nemmeno che Vcc usi ...
Ciao a tutti vorrei capire in questo circuito perché aumentando il valore del potenziometro, il fototransistor risulta più sensibile alla luce.
e la ragione oltre a cio che
quindi guarda il DS.se vedi si addensano man mano che Ic sale
Quindi come faccio a far scorrere una corrente che non deve superare i 15 mA
e la mia risposta e':
Considera sempre Ic massima come se Vce = 0 (fosse zero)
In questo modo qualsiasi sia Ee Rc = Vcc - 0 / Icmax
... non dicendo tu nemmeno che Vcc usi ...

-

Lelettrico
2.458 1 4 6 - Master

- Messaggi: 1108
- Iscritto il: 13 set 2010, 12:24
0
voti
Quindi dovrei mettere in serie al potenziometro un resistore fisso, calcolandolo come (Vcc-Vcesat)/IC, in modo da evitare che la corrente che scorra nel fototransistor sia maggiore di quella massima?
Ma io continuo a non capire: se la luce mi determina la corrente che deve scorrere nel collettore, allora il potenziometro serve solo come partitore di tensione? Poi se la luce fosse daverro tanta quindi questo portrebbe portare ad una corrente più grande di quella che può sopportare il componente?
Ma io continuo a non capire: se la luce mi determina la corrente che deve scorrere nel collettore, allora il potenziometro serve solo come partitore di tensione? Poi se la luce fosse daverro tanta quindi questo portrebbe portare ad una corrente più grande di quella che può sopportare il componente?
0
voti
La corrente che passa nel fototransistor dipende dalla luce incidente. Puoi mettere qualunque resistenza di carico, anche un cortocircuito, la corrente massima con sole pieno, fuori dall'atmosfera arriva a 10mA circa.
Il valore di R non controlla la corrente ma la tensione sul componente. Guarda la curva del datasheet.
Il valore di R non controlla la corrente ma la tensione sul componente. Guarda la curva del datasheet.
Per usare proficuamente un simulatore, bisogna sapere molta più elettronica di lui
Plug it in - it works better!
Il 555 sta all'elettronica come Arduino all'informatica! (entrambi loro malgrado)
Se volete risposte rispondete a tutte le mie domande
Plug it in - it works better!
Il 555 sta all'elettronica come Arduino all'informatica! (entrambi loro malgrado)
Se volete risposte rispondete a tutte le mie domande
0
voti
Ok, ma allora che senso ha scrivere Icmax nel datasheet del fototransistor, visto che a differenza del transistor normale non sono io a determinare la corrente, ma la luce che non produrrà mai così tanta corrente?
0
voti
Vedendo il datasheet forse si puo` rispondere.
Per usare proficuamente un simulatore, bisogna sapere molta più elettronica di lui
Plug it in - it works better!
Il 555 sta all'elettronica come Arduino all'informatica! (entrambi loro malgrado)
Se volete risposte rispondete a tutte le mie domande
Plug it in - it works better!
Il 555 sta all'elettronica come Arduino all'informatica! (entrambi loro malgrado)
Se volete risposte rispondete a tutte le mie domande
24 messaggi
• Pagina 1 di 3 • 1, 2, 3
Chi c’è in linea
Visitano il forum: Nessuno e 128 ospiti

Elettrotecnica e non solo (admin)
Un gatto tra gli elettroni (IsidoroKZ)
Esperienza e simulazioni (g.schgor)
Moleskine di un idraulico (RenzoDF)
Il Blog di ElectroYou (webmaster)
Idee microcontrollate (TardoFreak)
PICcoli grandi PICMicro (Paolino)
Il blog elettrico di carloc (carloc)
DirtEYblooog (dirtydeeds)
Di tutto... un po' (jordan20)
AK47 (lillo)
Esperienze elettroniche (marco438)
Telecomunicazioni musicali (clavicordo)
Automazione ed Elettronica (gustavo)
Direttive per la sicurezza (ErnestoCappelletti)
EYnfo dall'Alaska (mir)
Apriamo il quadro! (attilio)
H7-25 (asdf)
Passione Elettrica (massimob)
Elettroni a spasso (guidob)
Bloguerra (guerra)



