Salve amici di ElettroYou.
Ho acquistato recentemente un flipper da sistemare. La parte elettronica è quella con più problemi e mi servita tutto il vostro aiuto. Cominciamo dall'alimentatore.
Premetto che prima di me hanno già tentato di aggiustarlo...
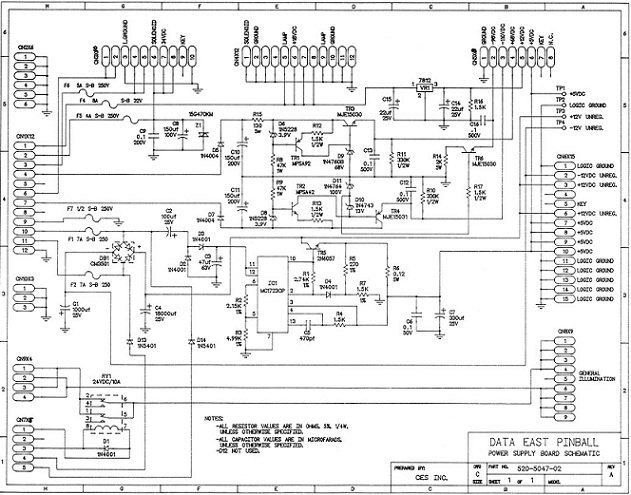
L'alimetazione arriva dalo trasformatore attraverso il connettore CN1 X12 a sx.
Attualmente ho le tensioni in uscita misurate nei punti TP e nei connettori a dx tutte sballate, es: Uscita 12V ho 25V, Uscita 5V ho 1V, Uscita 68V ho 150V, etc.
Chi mi ha preceduto ha sostituito i ransistor TR 1-2-3-4 e gli Diodi D10 e D11
Tutti i componenti instalati corrispondono allo schema tranne i condensatori C10 e C11 che sono da 220uF al posto dei 150uF.
Io sono dell'idea di sostituire tutti i diodi che regolano la tensione e anche il VR1 (7812). Cosa posso controllare ancora?
Alimentatore Flipper guasto.
Moderatori:
carloc,
g.schgor,
BrunoValente,
IsidoroKZ
12 messaggi
• Pagina 1 di 2 • 1, 2
0
voti
0
voti
0
voti
Ho dato un'occhiata allo schema e devo dire che, a distanza, la cosa si presenta alquanto difficile.
Tuttavia una prova si puo' fare; devi pero' dirmi quali sono le tue conoscenze in materia perche' possa rendermi conto se sei in grado di farlo o meno.
Tuttavia una prova si puo' fare; devi pero' dirmi quali sono le tue conoscenze in materia perche' possa rendermi conto se sei in grado di farlo o meno.
marco
0
voti
Conoscenze in materia sufficenti per affrontare la questione. So leggere e riconoscere i componenti e so effettuare misurazioni con il tester.
Attualmente mi stò concentrando sul cirnuito dei 5V, per adessso ho canbiato il condensatore C2 che aveva perso acido.
Ho effettuato meglio le altre misurazioni e ho i +12 e -12 nei punti di prova (TP 2-3-4). Mancano i 5 volt.
Attualmente mi stò concentrando sul cirnuito dei 5V, per adessso ho canbiato il condensatore C2 che aveva perso acido.
Ho effettuato meglio le altre misurazioni e ho i +12 e -12 nei punti di prova (TP 2-3-4). Mancano i 5 volt.
0
voti
Ok.
Pero' dobbiamo andare per ordine; per prima cosa mi servirebbe sapere quali sono le tensioni alternate in ingresso e da dove vengono (uno, due trasformatori?)
I 5V dovrebbero essere generati dal regolatore 723; dovrai fare la misurazione delle tensioni che si rilevano su tutti i pin di quest'ultimo con riferimento al pin collegato a massa che, se non erro dovrebbe essere il 7.(vedi datasheet)
Ci sara' anche da controllare l'efficienza del transistor a questo collegato.
Il problema dei 12V hai detto che e' risolto; quidi per ora limitiamoci a questo.
Pero' dobbiamo andare per ordine; per prima cosa mi servirebbe sapere quali sono le tensioni alternate in ingresso e da dove vengono (uno, due trasformatori?)
I 5V dovrebbero essere generati dal regolatore 723; dovrai fare la misurazione delle tensioni che si rilevano su tutti i pin di quest'ultimo con riferimento al pin collegato a massa che, se non erro dovrebbe essere il 7.(vedi datasheet)
Ci sara' anche da controllare l'efficienza del transistor a questo collegato.
Il problema dei 12V hai detto che e' risolto; quidi per ora limitiamoci a questo.
marco
0
voti
Il problema si riduce a quanto pare alla parte 5 volt. Ho ricontrollato le altre uscite sono tutte OK.
La tensione di alimentatore viene da u trasformatore con più uscite secondarie: al connettore CN1 arrivano le tensioni come in allegato.
Per quanto riguarda il 723, questo ho misurato:
1) niente
2) 0,8V
3) 0,14V
4) 0,14V
5) 5V
6) 7,1V
7) Massa 0V
8/9 niente
10) 1,5V
11/12) 24 V
13) 2,6V
14) niente
Il transistir TR5 "dovrebbe" essere funzionante in quanto la corrente in uscita corrisponde a quella proveniente dal pin 10 del regolatore.
La tensione di alimentatore viene da u trasformatore con più uscite secondarie: al connettore CN1 arrivano le tensioni come in allegato.
Per quanto riguarda il 723, questo ho misurato:
1) niente
2) 0,8V
3) 0,14V
4) 0,14V
5) 5V
6) 7,1V
7) Massa 0V
8/9 niente
10) 1,5V
11/12) 24 V
13) 2,6V
14) niente
Il transistir TR5 "dovrebbe" essere funzionante in quanto la corrente in uscita corrisponde a quella proveniente dal pin 10 del regolatore.
- Allegati
-
- con1.jpg (80.66 KiB) Osservato 7854 volte
0
voti
Forse non ci siamo capiti.
Lo schema posso leggerlo anch'io; volevo sapere se le tensioni indicate arrivano effettivamente.
Piu' precisamente vorrei che misurassi (per il circuito con 723) la tensione alternata prima del ponte e continua dopo.
In elettronica il termine "dovrebbe" non esiste; bisogna accertare l'effettivo funzionamento; e qui mi riferisco al transistor di potenza.
Lo schema posso leggerlo anch'io; volevo sapere se le tensioni indicate arrivano effettivamente.
Piu' precisamente vorrei che misurassi (per il circuito con 723) la tensione alternata prima del ponte e continua dopo.
In elettronica il termine "dovrebbe" non esiste; bisogna accertare l'effettivo funzionamento; e qui mi riferisco al transistor di potenza.
marco
0
voti
Tutte le tensioni indicate arrivano effettivamente.
Altrenata prima del ponte 20V
Continua dopo il ponte 24 V
Altrenata prima del ponte 20V
Continua dopo il ponte 24 V
0
voti
Ho dato un'occhiata veloce e direi che le tensioni rilevate sui pin del regolatore sono nella norma a parte quanto detto sotto.
Non direi che vada molto bene; visto che l'emettitore e' collegato direttamente all'uscita e che i resistori tra i pin 6/5/7 sono dimensionati per ottenere 5V, dovresti rilevare questa tensione cosi' come sul pin 3.
sidro007 ha scritto:Il transistir TR5 "dovrebbe" essere funzionante in quanto la corrente in uscita corrisponde a quella proveniente dal pin 10 del regolatore.
Non direi che vada molto bene; visto che l'emettitore e' collegato direttamente all'uscita e che i resistori tra i pin 6/5/7 sono dimensionati per ottenere 5V, dovresti rilevare questa tensione cosi' come sul pin 3.
marco
0
voti
Ho risolto!
Premetto che il flipper mi è arrivato mercoledi, e ancora non sono riuscito a visionarlo tutto nel dettaglio. Chi me lo ha venduto mi aveva avvertito che era da sistemare e che non era funzionante.
Smontando la parte display Dot Matrix per leggere il vaolre di alcuni componenti da sotituire nella scheda di potenza dei solenoidi ho notato, per caso, che era invertito il connettore dell'alimentazione, che guarda caso sono i 5 volt.
Quindi avevo i 5 volt che andavano a massa. Girato il connetore nel verso giusto l'alimentazione è tornata su tutte le schede.
Premetto che il flipper mi è arrivato mercoledi, e ancora non sono riuscito a visionarlo tutto nel dettaglio. Chi me lo ha venduto mi aveva avvertito che era da sistemare e che non era funzionante.
Smontando la parte display Dot Matrix per leggere il vaolre di alcuni componenti da sotituire nella scheda di potenza dei solenoidi ho notato, per caso, che era invertito il connettore dell'alimentazione, che guarda caso sono i 5 volt.
Quindi avevo i 5 volt che andavano a massa. Girato il connetore nel verso giusto l'alimentazione è tornata su tutte le schede.

12 messaggi
• Pagina 1 di 2 • 1, 2
Chi c’è in linea
Visitano il forum: Nessuno e 52 ospiti

Elettrotecnica e non solo (admin)
Un gatto tra gli elettroni (IsidoroKZ)
Esperienza e simulazioni (g.schgor)
Moleskine di un idraulico (RenzoDF)
Il Blog di ElectroYou (webmaster)
Idee microcontrollate (TardoFreak)
PICcoli grandi PICMicro (Paolino)
Il blog elettrico di carloc (carloc)
DirtEYblooog (dirtydeeds)
Di tutto... un po' (jordan20)
AK47 (lillo)
Esperienze elettroniche (marco438)
Telecomunicazioni musicali (clavicordo)
Automazione ed Elettronica (gustavo)
Direttive per la sicurezza (ErnestoCappelletti)
EYnfo dall'Alaska (mir)
Apriamo il quadro! (attilio)
H7-25 (asdf)
Passione Elettrica (massimob)
Elettroni a spasso (guidob)
Bloguerra (guerra)




