Cos'è ElectroYou | Login Iscriviti

ElectroYou - la comunità dei professionisti del mondo elettrico

esercizio elettrotecnica (calcolo ddp fra 2 punti)

Circuiti, campi elettromagnetici e teoria delle linee di trasmissione e distribuzione dell’energia elettrica

Moderatori: Foto Utenteg.schgor, Foto UtenteIsidoroKZ

0
voti

[1] esercizio elettrotecnica (calcolo ddp fra 2 punti)

Messaggioda Foto Utentecarlo86 » 19 mar 2012, 19:22

ciao a tutti!
mi ritrovo a dovervi chiedere una mano.

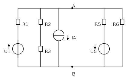
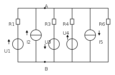
ho i seguenti circuiti:



e



in entrambi i casi devo calcolare la ddp fra i punti A e B.

ho fatto il primo esercizio e applicando il teorema di millman l'ho finito senza troppi problemi.
per quanto riguarda il secondo pensavo di poterlo risolvere allo stesso modo ma non viene.
potreste spiegarmi il perché?

scrivo comunque come avevo svolto il secondo esercizio usando millman:

\frac{U_{1}G_{1}+I_{2}-U_{3}G_{3}+U_{4}R_{4}-I_{5}}{G_{1}+G_{3}+G_{4}+G_{6}}
Avatar utente
Foto Utentecarlo86
65 1 5
 
Messaggi: 41
Iscritto il: 27 gen 2012, 13:35

0
voti

[2] Re: esercizio elettrotecnica (calcolo ddp fra 2 punti)

Messaggioda Foto UtenteIsidoroKZ » 19 mar 2012, 19:42

Nella formula ti e` scappato un R_4 al posto di G_4, per il resto mi sembra giusto. Prova ad aggiungere i numeri e vediamo.
Per usare proficuamente un simulatore, bisogna sapere molta più elettronica di lui
Plug it in - it works better!
Il 555 sta all'elettronica come Arduino all'informatica! (entrambi loro malgrado)
Se volete risposte rispondete a tutte le mie domande
Avatar utente
Foto UtenteIsidoroKZ
121,2k 1 3 8
G.Master EY
G.Master EY
 
Messaggi: 21059
Iscritto il: 17 ott 2009, 0:00

0
voti

[3] Re: esercizio elettrotecnica (calcolo ddp fra 2 punti)

Messaggioda Foto Utentecarlo86 » 19 mar 2012, 19:58

porca miseria...
la R al posto della G è stato un errore di battitura che ho fatto solo nel momento di trascrivere l'equazione qui sul forum e quindi non era quello il problema che in compenso era un errore di distrazione quando sostituivo i valori numerici... al denominatore al posto di mettere G4 = 1/20, avevo messo 1/2...
ora viene, scusate se ho aperto una nuova discussione per nulla!
ad ogni modo, grazie per l'aiuto!
Avatar utente
Foto Utentecarlo86
65 1 5
 
Messaggi: 41
Iscritto il: 27 gen 2012, 13:35


Torna a Elettrotecnica generale

Chi c’è in linea

Visitano il forum: Nessuno e 110 ospiti