Ciao a tutti, vorrei chiedervi come e se fosse possibile creare un temporizzatore elettronicamente da 5 secondi.
Praticamente vorrei eseguire uno circuito alimentato a 12 volt alla quale ho un selettore che appena va in on manda tensione al mio utilizzatore, ma anche se il mio selettore rimarrebbe sempre chiuso dovrebbe far staccare il mio utilizzatore dopo 5 secondi di funzionamento. può esser realizzabile?
Costruire un temporizzatore
Moderatori:
carloc,
g.schgor,
BrunoValente,
IsidoroKZ
45 messaggi
• Pagina 1 di 5 • 1, 2, 3, 4, 5
0
voti
Ultima modifica di
TardoFreak il 23 mar 2012, 9:44, modificato 1 volta in totale.
Motivazione: Modificato il titolo. I temporizzatori si costruiscono, non si creano.
Motivazione: Modificato il titolo. I temporizzatori si costruiscono, non si creano.
0
voti
si esattamente vorrei realizzare un temporizzatore va anche bene un ne555, ma il mio problema è che ho un contatto di un selettore "interruttore" e non un pulsante quindi il mio timer continuerebbe al infinito conteggiare invece di far solo il suo ciclo di 5 secondi. come posso risolverlo?
Grazie mille per la risposta tempestiva
Grazie mille per la risposta tempestiva
0
voti
Daddi ha scritto: ma il mio problema è che ho un contatto di un selettore "interruttore" e non un pulsante quindi il mio timer continuerebbe al infinito conteggiare invece di far solo il suo ciclo di 5 second
Sii piu chiaro in merito al contatto che hai, spiegati meglio, sarà l'ora per entrambi
1
voti
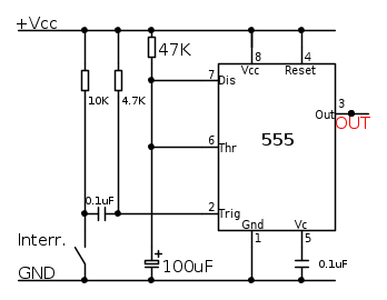
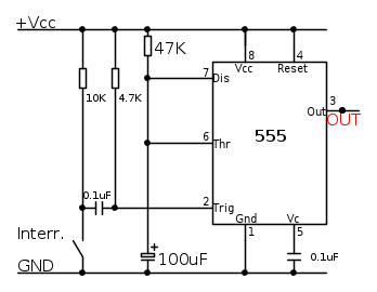
Se l'interruttore rimane chiuso, occorre aggiungere
al 555 un circuito che dia un trigger di piccola durata.
Così:
Se il carico assorbe non più di 150mA può essere
collegato direttamente all'uscita (OUT), altrimenti
bisogna interporre un transistor (o un relè).
al 555 un circuito che dia un trigger di piccola durata.
Così:
Se il carico assorbe non più di 150mA può essere
collegato direttamente all'uscita (OUT), altrimenti
bisogna interporre un transistor (o un relè).
0
voti
Temo che voglia intendere che il suo contatto rimanga sempre chiuso, ammesso che sia quello di controllo... non ha spiegato bene. In ogni caso il circuito da te postato va bene, con le informazioni e spiegazioni attuali non è possibile fare di meglio!
Ora vado, buona giornata a tutti!
Ora vado, buona giornata a tutti!

0
voti
Grazie mille ho provato a disegnarlo e simularlo per il mio 555 non fa nulla e la mia corrente continua a scorrere attraverso la prima resistenza la batteria è l'interruttore cos ho sbagliato?
0
voti
Daddi ha scritto:cos ho sbagliato?
Devi mettere una resistenza da (per esempio) 680 Ω in serie al LED.
Big fan of ⋮ƎlectroYou! Ausili per disabili e anziani su ⋮ƎlectroYou
Caratteri utili: À È É Ì Ò Ó Ù α β γ δ ε η θ λ μ π ρ σ τ φ ω Ω º ª ² ³ √ ∛ ∜ ₀ ₁ ₂ ₃ ₄ ₅ ₆ ∃ ∄ ∆ ∈ ∉ ± ∓ ∾ ≃ ≈ ≠ ≤ ≥
Caratteri utili: À È É Ì Ò Ó Ù α β γ δ ε η θ λ μ π ρ σ τ φ ω Ω º ª ² ³ √ ∛ ∜ ₀ ₁ ₂ ₃ ₄ ₅ ₆ ∃ ∄ ∆ ∈ ∉ ± ∓ ∾ ≃ ≈ ≠ ≤ ≥
0
voti
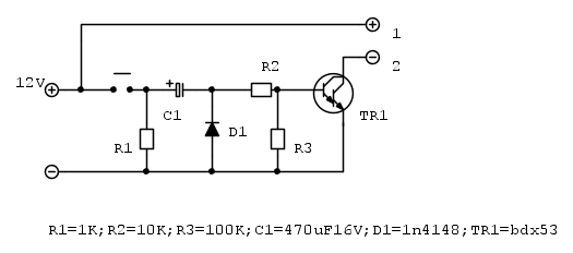
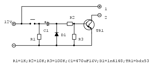
vorrei presentarti un'alternativa piu semplice anche a scopo didattico,funziona cosi:quando si chiude il contatto del selettore il condensatore si carica e cio manda in conduziona il transistor il quale alimentera il dispositivo collegato tra i punti 1 e 2;quando il condensatore si è caricato il transistor non conduce piu e disalimenta il dispositivo,cio dura per un tempo determinato dalla capacita del condensatore C1 e dalla resistenza R2 ;con i valori dati,dura circa 5 secondi;quando il selettore si apre il condensatore si scarica quasi subito attraverso il diodo e la R1,ed il circuito è pronto per un altro ciclo:
45 messaggi
• Pagina 1 di 5 • 1, 2, 3, 4, 5
Chi c’è in linea
Visitano il forum: Nessuno e 179 ospiti

Elettrotecnica e non solo (admin)
Un gatto tra gli elettroni (IsidoroKZ)
Esperienza e simulazioni (g.schgor)
Moleskine di un idraulico (RenzoDF)
Il Blog di ElectroYou (webmaster)
Idee microcontrollate (TardoFreak)
PICcoli grandi PICMicro (Paolino)
Il blog elettrico di carloc (carloc)
DirtEYblooog (dirtydeeds)
Di tutto... un po' (jordan20)
AK47 (lillo)
Esperienze elettroniche (marco438)
Telecomunicazioni musicali (clavicordo)
Automazione ed Elettronica (gustavo)
Direttive per la sicurezza (ErnestoCappelletti)
EYnfo dall'Alaska (mir)
Apriamo il quadro! (attilio)
H7-25 (asdf)
Passione Elettrica (massimob)
Elettroni a spasso (guidob)
Bloguerra (guerra)








