Scusa ma non fai prima a farci vedere che cosa vuoi fare con il 555?
Questo per evitare incomprensioni.
Lo schema, naturalmente, disegnalo con FidoCadJ.
come alimentare un NE555N
Moderatori:
carloc,
g.schgor,
BrunoValente,
IsidoroKZ
21 messaggi
• Pagina 2 di 3 • 1, 2, 3
0
voti
Dovrei creare un onda quadra (0 +VCC) con periodo di 5 secondi
0
voti
Bene, allora colleghi il positivo al piu' ed il negativo al meno. Tutto qui.
Naturalmente dovranno prima essere fatti tutti gli altri collegamenti.
Al tuo schema, per completezza, deve essere aggiunto un punto di connessione:
altrimenti il pin 4 e la resistenza a sinistra, non risulterebbero collegati al positivo di alimentazione, come invece deve essere.
Qual'e' il risultato finale che vuoi ottenere?
Naturalmente dovranno prima essere fatti tutti gli altri collegamenti.
Al tuo schema, per completezza, deve essere aggiunto un punto di connessione:
altrimenti il pin 4 e la resistenza a sinistra, non risulterebbero collegati al positivo di alimentazione, come invece deve essere.
Qual'e' il risultato finale che vuoi ottenere?
marco
0
voti
marco438 ha scritto:Qual'e' il risultato finale che vuoi ottenere?
Devo eccitare un relè per 2,5 secondi circa (quindi il periodo del segnale generato deve essere di 5 sec con dutycycle al 50%)
Però appena do alimentazione il relè si eccita e rimane eccitato per sempre...invece dopo 2,5 sec dovrebbe diseccitarsi...
0
voti
marco438 ha scritto:Fai lo schema completo con i valori dei componenti, cosi' vediamo dov'e' l'errore.
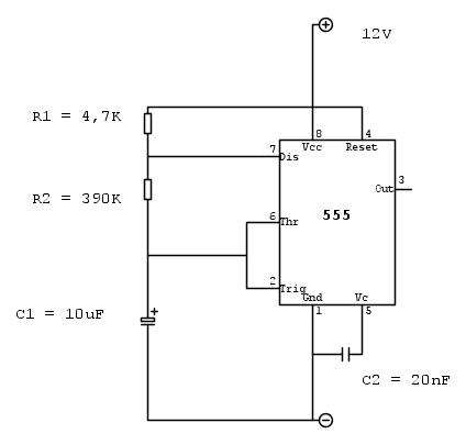
ciao, innanzitutto grazie per la pazienza e la disponibilità, ecco qua:
C1 è elettrolitico
0
voti
Il transisto non c'è, il relè sta collegato all'uscita (pin 3) e al negativo.
0
voti
Prima di collegare il rele', hai provato a vedere se il 555 lavora come dovrebbe?
Se no, puoi farlo collegando un led con una resistenza in serie da 680 ohm.
Se il circuito non funziona, ci sara' qualche collegamento sbagliato; allora dovresti farcelo vedere con una foto.
Se no, puoi farlo collegando un led con una resistenza in serie da 680 ohm.
Se il circuito non funziona, ci sara' qualche collegamento sbagliato; allora dovresti farcelo vedere con una foto.
marco
0
voti
ho risolto!! c'erano due saldature che non conducevano!
Mi sono messo a provarne una per una con il tester!!
In ogni modo grazie ancora per la disponibilità!!
Grazie davvero siete ottimi! 
Mi sono messo a provarne una per una con il tester!!
In ogni modo grazie ancora per la disponibilità!!

21 messaggi
• Pagina 2 di 3 • 1, 2, 3
Chi c’è in linea
Visitano il forum: Nessuno e 134 ospiti

Elettrotecnica e non solo (admin)
Un gatto tra gli elettroni (IsidoroKZ)
Esperienza e simulazioni (g.schgor)
Moleskine di un idraulico (RenzoDF)
Il Blog di ElectroYou (webmaster)
Idee microcontrollate (TardoFreak)
PICcoli grandi PICMicro (Paolino)
Il blog elettrico di carloc (carloc)
DirtEYblooog (dirtydeeds)
Di tutto... un po' (jordan20)
AK47 (lillo)
Esperienze elettroniche (marco438)
Telecomunicazioni musicali (clavicordo)
Automazione ed Elettronica (gustavo)
Direttive per la sicurezza (ErnestoCappelletti)
EYnfo dall'Alaska (mir)
Apriamo il quadro! (attilio)
H7-25 (asdf)
Passione Elettrica (massimob)
Elettroni a spasso (guidob)
Bloguerra (guerra)




