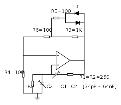
Il circuito è il seguente,
Nel circuito senza "controllo" avevo il problema dell'ampiezza della sinusoide che andava da -5.5V a +5V, oltre al fatto che un segnale di ampiezza elevata, mi impone dei limiti (a 10MHz) sulla scelta dell'operazionale (relativi allo SR) dello stadio successivo, dovevo risolvere l' "asimmetria della tensione di picco positiva e negativa".
1)mi interesserebbe capire perquale motivo, secondo voi, senza tale modifica la tensione non va ad es. da -5 a +5?
dai risultati della simulazione,
OSCILLATORE SENZA CONTROLLO: R1=R2=250
--->f=7MHz modificando C=34pf--->f=10MHzper alti valori di frequenza, per ottenere la frequenza nominale, devo utilizzare un valore di capacità ridotto del 50% rispetto al valore calcolato teoricamente, a frequenze più basse ciò non accade.
C=640pF f=1MHz
C=6,4nF f=100KHz
C=64nF f=10KHz
Dopo aver inserito il circuito di controllo, i risultati della simulazione sono i seguenti:
OSCILLATORE+CONTROLLO:
a 10MHz, Vp-p=2V
2)non riesco a determinare una formula analitica, per impostare senza andare a tentativi, per il valore della tensione di picco.
Io ho ragionato nel seguente modo, per capire approssimativamente dove andare a mettere le mani, essendo che il diodo entrando in conduzione mi "fissa" il valore di picco della sinusoide, e il diodo (nel caso di D1) entra in conduzione quando ai capi di R3 vi è una tensione abbastanza elevata da permetterlo, allora per valori di R3 elevati, c'è bisogno di meno corrente per avere la tensione "necessaria", quindi
Iout(minore)--->Vout(minore)
una volta trovato il valore di R3 che mi permettesse di avere un'oscillazione, l'ho aumentato fino ad avere una tensione adeguata.
Problema frequenza:
Alle alte frequenze, vi è sempre ovviamente, una variazione rispetto alla pulsazione nominale,
ma i problemi aumentano, manifestandosi principalmente, in una sinusoide più distorta rispetto al caso senza controllo (però a frequenze più basse), e in una tensione di picco che varia al variare delle frequenza (praticamente al variare di C), un risultato a me inaspettato
C=34pF -->
Vp-p=2.6V modificando C=24pF---> f=10MHz Vp-p=2Vgià qui,( ma anche senza il circuito di controllo) salta la considerazione inizialmente fatta su cui si basava
il dimensionamento della capacità, e da cui poi si è dimensionato tutto il resto, ovvero, mantenere valori di capacità elevati rispetto a quelle parassite ( circa 10 volte maggiore, ovvero intorno ai 50-60 pF)
3)il controllo, non dovrebbe influenzare la mia "fo" che dovrebbe essere determinata solo dalla reazione positiva, ma invece l' influenza ("perdo" 1MHz), potete darmi qualche chiarimento riguardo a ciò?
Abbassando C=24pF si abbassa la Vp-p, come si vede dai dati successivi, non avrò una tensione di picco costante a tutte le frequenze, e questo fattore per me è molto importante.
C=640pF f=1MHz Vp-p=3.6V
4)Qui non ho più la tensione picco-picco che avevo a 10MHz, inizio a non capirci più nulla XD
C=6.4nF f=100KHz Vp-p=3.6V
Qui la sinusoide inizia ad essere distorta, non in modo eccessivo, e lo si nota anche dal contenuto spettrale
5)come mai ciò prima non avveniva ed ora si?
c= 64nF f=10KHz Vp-p=3.6V
stessi risultati del punto precedente.
Cosa posso fare?

Elettrotecnica e non solo (admin)
Un gatto tra gli elettroni (IsidoroKZ)
Esperienza e simulazioni (g.schgor)
Moleskine di un idraulico (RenzoDF)
Il Blog di ElectroYou (webmaster)
Idee microcontrollate (TardoFreak)
PICcoli grandi PICMicro (Paolino)
Il blog elettrico di carloc (carloc)
DirtEYblooog (dirtydeeds)
Di tutto... un po' (jordan20)
AK47 (lillo)
Esperienze elettroniche (marco438)
Telecomunicazioni musicali (clavicordo)
Automazione ed Elettronica (gustavo)
Direttive per la sicurezza (ErnestoCappelletti)
EYnfo dall'Alaska (mir)
Apriamo il quadro! (attilio)
H7-25 (asdf)
Passione Elettrica (massimob)
Elettroni a spasso (guidob)
Bloguerra (guerra)


instead of
(Anonimo).
ain't
, right?
in lieu of
.
for
arithm.

dove per Vs, considero il valore medio, però poi a frequenze più basse sarebbe inutile perche Vp-p rimane costante a 3.6,
)
è il modulo del guadagno dell'opamp alla pulsazione
. Mettendo dentro i valori, si vede che l'errore è dalle parti del -45% a 10 MHz. In realtà, l'equazione sopra non è molto valida con un errore così alto, ma conferma comunque abbastanza il risultato da te ottenuto.


, approssimativamente immaginario alla pulsazione
. Prova a dimostrarla!