Mi si è creato un dubbio...
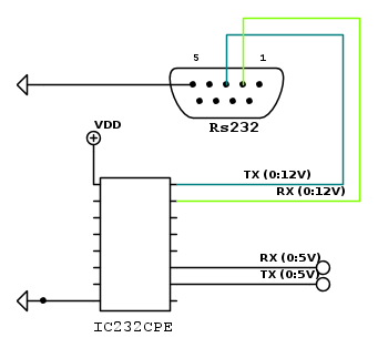
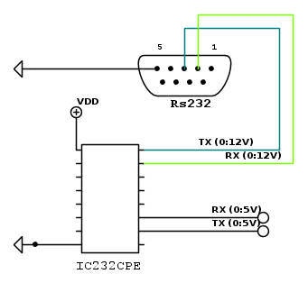
se io ho un microcontrollore che mi invia un segnale 0:5 V UART (seriale ) utilizzando la scheda che ho , formata da un voltage converter (qualora la tensione sia diversa da 0:5V) e un max202CSE (-12:12V) il tutto funziona
se usassi un ICL232 ( http://www.intersil.com/data/fn/fn3020.pdf) che ha in uscita un segnale seriale a (-9:9V) è la stessa cosa? funzionerà o perde qualche dato?
Lo standard prevede -12:12 V (però io penso funzioni)
Altra cosa se ammettendo non volessi utiizzare il voltage converter da 0:3,5V a 0:5V funziona lo stesso o può esserci qualche altro problema di perdida dati?
allego anche uno schema intuitivo in fidocadj senza tenere conto delle capacità da aggiungere
Grazie
Interfaccia rs232 con o senza voltage converter
Moderatori:
carloc,
g.schgor,
BrunoValente,
IsidoroKZ
5 messaggi
• Pagina 1 di 1
2
voti
Ciao
dadodj il componente da te scelto funzionerà correttamente.
Lo standard prevede segnali compresi tra +3V...+125 e -3V...-15V.
Per esperienza sul campo posso dirti che più elevata è la tensione disponibile maggiore è la lunghezza del cavo utilizzabile.
Normalmente la lunghezza di un cavo RS232 consente lunghezze massime di circa 12m...15m, ma con tensioni prossime ai +12V e -12V ho visto applicazioni anche in campo industriale con cavi sino a 20m per velocità fino a 56Kbs senza problemi di perdite di dati sia per connessioni half duplex che per connessioni daisy chain.
Un saluto, -carlo.
Lo standard prevede segnali compresi tra +3V...+125 e -3V...-15V.
Per esperienza sul campo posso dirti che più elevata è la tensione disponibile maggiore è la lunghezza del cavo utilizzabile.
Normalmente la lunghezza di un cavo RS232 consente lunghezze massime di circa 12m...15m, ma con tensioni prossime ai +12V e -12V ho visto applicazioni anche in campo industriale con cavi sino a 20m per velocità fino a 56Kbs senza problemi di perdite di dati sia per connessioni half duplex che per connessioni daisy chain.
Un saluto, -carlo.

-

carlomariamanenti
60,1k 6 11 13 - G.Master EY

- Messaggi: 4324
- Iscritto il: 18 gen 2012, 10:44
1
voti
A me sembra che lo schema che hai postato lo hai cambiato rispetto al post da cui l'hai preso. Lo dico perché il pinout dell'IC che usi, da quello che vedo, è 100% compatibile con il MAX232.
Come detto segue lo standard quindi non ci dovrebbero essere problemi.
Rivedi però il pinout del tuo schema, non mi sembra corretto, in più i pin di GND, (seriale, IC e micro) devono essere collegati tutti assieme fra di loro.
Come detto segue lo standard quindi non ci dovrebbero essere problemi.
Rivedi però il pinout del tuo schema, non mi sembra corretto, in più i pin di GND, (seriale, IC e micro) devono essere collegati tutti assieme fra di loro.
3
voti
Grazie tante !!!!!!!!!!!!!!!!
in primis a carlomariamanenti che ha capito cosa intendevo e ha dato la risposta che volevo
e in secundis al magnifico Gohan preciso come sempre =) si vero ho preso la porta seriale che non la trovavo nelle librerie e poi ho messo l'essenziale sul circuito per rendere l'idea.
Ad ogni modo grazie mille perché non sapevo bisognasse collegare anche la gnd del cavo insieme alle altre.
Ciaoooo =)
in primis a carlomariamanenti che ha capito cosa intendevo e ha dato la risposta che volevo
e in secundis al magnifico Gohan preciso come sempre =) si vero ho preso la porta seriale che non la trovavo nelle librerie e poi ho messo l'essenziale sul circuito per rendere l'idea.
Ad ogni modo grazie mille perché non sapevo bisognasse collegare anche la gnd del cavo insieme alle altre.
Ciaoooo =)
2
voti
Si effettivamente nello schema non era rappresentato ed era un dettaglio che avevo tralasciato.
Se usi l'integrato da te linkato segui comunque attentamente le specifiche del datasheet, che potrebbero differire dal MAX232. Se invece usi quest'ultimo, facilmente reperibile, puoi benissimo adottare quello schema, ovviamente con il suggerimento dato.

Se usi l'integrato da te linkato segui comunque attentamente le specifiche del datasheet, che potrebbero differire dal MAX232. Se invece usi quest'ultimo, facilmente reperibile, puoi benissimo adottare quello schema, ovviamente con il suggerimento dato.

5 messaggi
• Pagina 1 di 1
Chi c’è in linea
Visitano il forum: Nessuno e 46 ospiti

Elettrotecnica e non solo (admin)
Un gatto tra gli elettroni (IsidoroKZ)
Esperienza e simulazioni (g.schgor)
Moleskine di un idraulico (RenzoDF)
Il Blog di ElectroYou (webmaster)
Idee microcontrollate (TardoFreak)
PICcoli grandi PICMicro (Paolino)
Il blog elettrico di carloc (carloc)
DirtEYblooog (dirtydeeds)
Di tutto... un po' (jordan20)
AK47 (lillo)
Esperienze elettroniche (marco438)
Telecomunicazioni musicali (clavicordo)
Automazione ed Elettronica (gustavo)
Direttive per la sicurezza (ErnestoCappelletti)
EYnfo dall'Alaska (mir)
Apriamo il quadro! (attilio)
H7-25 (asdf)
Passione Elettrica (massimob)
Elettroni a spasso (guidob)
Bloguerra (guerra)


