Circuito di led
Moderatori:
carloc,
g.schgor,
BrunoValente,
IsidoroKZ
0
voti
[81] Re: Circuito di led
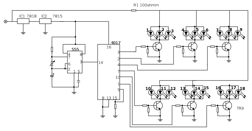
questo è come l'ho pensato io Il transistor tr9 dovra pilotare tutti gli ottanta led dell'altro colore.
n.b. : non riesco a far entrare l'intero circuito sul forum!
0
voti
[83] Re: Circuito di led
Questo è il primo particolare che riguarda l'alimentazione .Per dar i 15 volt agli integrati , non volevo dare una brusca caduta , da 24 volt a 15 volt , quindi ho preferito far calare la tensione a 18 volt e poi a 15, anche perche l'integrato da 15 volt avrebbe dovuto dissippsre una potenza maggiore da solo.Il secondo particolare è la resistenza da 100 ohmm che andra a limitare la corrente a 20 miliampere sui tutti gli ottanta diodi led di tutte le lettere .Lo preferisco da 1/2 watt anche se i led si accenderanno, circa,13 alla volta.Il secondo particvolare poi lo posterò che , riguaarda il transistor che dovra pilotare tutti gli ottanta led dell'altro colore!
N.B: non ho specificato che la tensione in ingresso è di 24 volt , visto che tale circuito andrà motato su un camion che di solito la tensione e di 24 volt !
0
voti
[84] Re: Circuito di led
Prima di tutto una domanda: da dove vengono i 24 V? Dopo faro' le mie considerazioni riguardo i regolatori.
La resistenza di cui parli era calcolata per un numero ridotto di led; mettendone un numero maggiore forse sara' necessario, come gia' avevo detto, cambiare la configurazione.
Comunque vediamo prima come l'hai pensata tu poi, nel caso, verranno le varianti.
La resistenza di cui parli era calcolata per un numero ridotto di led; mettendone un numero maggiore forse sara' necessario, come gia' avevo detto, cambiare la configurazione.
Comunque vediamo prima come l'hai pensata tu poi, nel caso, verranno le varianti.
marco
0
voti
[85] Re: Circuito di led
I 24 volt vengono da una presa di accendisigari , che credo che possa reggere in quanto l'assorbimento non doverebbe superare i 2 ampere!
0
voti
[86] Re: Circuito di led
Quindi, se non erro, parliamo di una batteria da camion.
Hai considerato che durante la marcia puo' dare fino a 28V e che il tuo carico sara' costituito da un centinaio di led, oltre il circuito pilota?
Hai fatto un calcolo del consumo?
Hai considerato che durante la marcia puo' dare fino a 28V e che il tuo carico sara' costituito da un centinaio di led, oltre il circuito pilota?
Hai fatto un calcolo del consumo?
marco
0
voti
[87] Re: Circuito di led
No!a questo non ci avevo pensato , allora per un comune mortale come me le cose si complicano!
Ci risentiamo presto la famiglia mi chiama!
Ci risentiamo presto la famiglia mi chiama!
0
voti
[88] Re: Circuito di led
Credo che un centinaio di led abbi un assorbimento di 2 ampere e con il circuito pilota non credo che si arriverebbe a tre ampere !
Il transistor che deve accendere i cento led (led bicolore ) di un colore, dato che il rosso assorbe 20 miliampere , deve lasciar passare 2 ampere o poco piu il che un 2n3055 andrebbe bene per questo caso.
Se non si possono prelevare da una presa accendisigari , si preleverebbero direttamente dalla batteria la corrente necesaria per il suo funzionamento. Riferendomi a questo sito , mi sembra di capire che la resistenza deve dissippare 8 watt, ogni volta che si accendono 20 led.
Per quanto riguarda l'alimentazione dovremmo stabilizza ta a 24 volt credo che con uno zener possiamo farcela , ma mi affido a chi ha più esperienza di me .
Marsilio.
Il transistor che deve accendere i cento led (led bicolore ) di un colore, dato che il rosso assorbe 20 miliampere , deve lasciar passare 2 ampere o poco piu il che un 2n3055 andrebbe bene per questo caso.
Se non si possono prelevare da una presa accendisigari , si preleverebbero direttamente dalla batteria la corrente necesaria per il suo funzionamento. Riferendomi a questo sito , mi sembra di capire che la resistenza deve dissippare 8 watt, ogni volta che si accendono 20 led.
Per quanto riguarda l'alimentazione dovremmo stabilizza ta a 24 volt credo che con uno zener possiamo farcela , ma mi affido a chi ha più esperienza di me .
Marsilio.
0
voti
[89] Re: Circuito di led
Prima di andare avanti e rispondere alle tue domande, devo capire quello che vuoi ottenere.
Chi prima di te ha realizzato questo circuito aveva necessita' di accendere, con il comando di un pulsante, quattro gruppi di led in sequenza.
Da quello che ho capito (correggimi se sbaglio) tu invece vorresti che la sequenza fosse automatica (comandata da un 555) e pilotare un numero superiore di led.
Quello che non ho ancora capito e che devi chiarire e' il numero di gruppi che devi comandare e di quanti led ogni gruppo consiste.
Detto questo, che spero chiarirai presto, passiamo alle domande:
Se vogliamo stabilizzare la tensione a 24 V, uno zener non basta ma serve un regolatore sostenuto da un transistor.
La tensione potra ' essere prelevata dalla presa accendisigari che, mi pare, fornisca correnti superiori ai 2A.
La configurazione dello schema attuale non e' consigliabile, quindi il discorso della resistenza decade.
Per ultimo, meglio comandare i led con un Mosfet (anziche' il 2N3055).
Tutto cio' se ho ben capito le tue intenzioni.

P.S. Altra cosa da chiarire: perche' led bicolore?
Chi prima di te ha realizzato questo circuito aveva necessita' di accendere, con il comando di un pulsante, quattro gruppi di led in sequenza.
Da quello che ho capito (correggimi se sbaglio) tu invece vorresti che la sequenza fosse automatica (comandata da un 555) e pilotare un numero superiore di led.
Quello che non ho ancora capito e che devi chiarire e' il numero di gruppi che devi comandare e di quanti led ogni gruppo consiste.
Detto questo, che spero chiarirai presto, passiamo alle domande:
Se vogliamo stabilizzare la tensione a 24 V, uno zener non basta ma serve un regolatore sostenuto da un transistor.
La tensione potra ' essere prelevata dalla presa accendisigari che, mi pare, fornisca correnti superiori ai 2A.
La configurazione dello schema attuale non e' consigliabile, quindi il discorso della resistenza decade.
Per ultimo, meglio comandare i led con un Mosfet (anziche' il 2N3055).
Tutto cio' se ho ben capito le tue intenzioni.

P.S. Altra cosa da chiarire: perche' led bicolore?
marco
0
voti
[90] Re: Circuito di led
Vorrei comandare gruppi di 12 o 13 led per lettera, il totale di 8 lettere .
Siccome il cd 4017 ha piu di otto uscite , vorrei che al nono impulso si accendessero tutte insieme.Per questo ho scelto i led bicolore, perche mi sembra impossibile accenderli tutti insieme con dei comuni led ( almeno per me, per quanto ci capisco di elettronica).
Siccome il cd 4017 ha piu di otto uscite , vorrei che al nono impulso si accendessero tutte insieme.Per questo ho scelto i led bicolore, perche mi sembra impossibile accenderli tutti insieme con dei comuni led ( almeno per me, per quanto ci capisco di elettronica).
Chi c’è in linea
Visitano il forum: Nessuno e 42 ospiti

Elettrotecnica e non solo (admin)
Un gatto tra gli elettroni (IsidoroKZ)
Esperienza e simulazioni (g.schgor)
Moleskine di un idraulico (RenzoDF)
Il Blog di ElectroYou (webmaster)
Idee microcontrollate (TardoFreak)
PICcoli grandi PICMicro (Paolino)
Il blog elettrico di carloc (carloc)
DirtEYblooog (dirtydeeds)
Di tutto... un po' (jordan20)
AK47 (lillo)
Esperienze elettroniche (marco438)
Telecomunicazioni musicali (clavicordo)
Automazione ed Elettronica (gustavo)
Direttive per la sicurezza (ErnestoCappelletti)
EYnfo dall'Alaska (mir)
Apriamo il quadro! (attilio)
H7-25 (asdf)
Passione Elettrica (massimob)
Elettroni a spasso (guidob)
Bloguerra (guerra)




