Cos'è ElectroYou | Login Iscriviti

ElectroYou - la comunità dei professionisti del mondo elettrico

Circuito LED

Elettronica lineare e digitale: didattica ed applicazioni

Moderatori: Foto Utentecarloc, Foto Utenteg.schgor, Foto UtenteBrunoValente, Foto UtenteIsidoroKZ

0
voti

[31] Re: Circuito LED

Messaggioda Foto Utentefranx » 1 apr 2012, 15:39

gohan ha scritto:Il Current Mirror, se non dico male, è un generatore di corrente.


Quindi un generatore di corrente (se ho capito bene) può, fondamentalmente, essere ricavato da un transistor, sfruttando la peculiarità che la corrente di collettore (in zona attiva) non varia - sostanzialmente - al variare della tensione CE

Comunque mi riferivo a circ.integrati generatori di corrente per LED,tipo questi:

http://www.national.com/pf/LM/LM3402.html#Overview

e proprio su electroyou ho scoperto che anche il buon 317 può fare da generatore di corrente costante per alimentare LED

http://www.electroyou.it/posta10100/wik ... tecostante
Avatar utente
Foto Utentefranx
465 3 10
Frequentatore
Frequentatore
 
Messaggi: 199
Iscritto il: 28 feb 2010, 17:43

0
voti

[32] Re: Circuito LED

Messaggioda Foto UtenteDiake » 1 apr 2012, 19:38

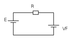
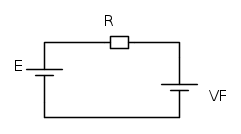
franx ha scritto:


A questo punto, senza scomodare la legge di Ohm a circuito chiuso (o ancora peggio il II Principio di Kirchhoff) è facile vedere che la caduta di tensione V sulla resistenza R è semplicemente data dalla differenza fra la tensione della batteria E e la tensione della batteria V_F

V=E-V_F

Da cui si ricava R, conoscendo la corrente diretta I_F:

R=\frac{V}{I_F} = \frac{E-V_F} {I_F}


?% ?% ?%

Ragazzi sarò stupido ma non ho ancora capito.
Chi ha la pazienza di rispiegarmelo??
Diake
Avatar utente
Foto UtenteDiake
58 2 6
Frequentatore
Frequentatore
 
Messaggi: 129
Iscritto il: 30 mar 2012, 19:56

0
voti

[33] Re: Circuito LED

Messaggioda Foto Utenteclaudiocedrone » 1 apr 2012, 21:30

Devi conoscere la Vf del led che intendi usare ,per esempio un led rosso di quelli piccoli (normale,non alta luminosità) ha Vf =1,8 V quindi metti due pile stilo (o ministilo) in serie per ottenere una tensione di 3 V (come ti è stato detto devi avere una tensione superiore alla Vf del led e per tensione nominale della pila intendo quella che c'è scritta sopra) sottrai (il deduci che ti ha detto marco438 = sottrai) il valore di Vf (1,8 v) dal valore della tensione di alimentazione (3 V) otterrai 3-1,8=1,2 V questo (1,2 V) è il valore della tensione con cui conoscendo il valore della corrente che vuoi far assorbire al led, ad esempio 0,015 A (15 mA) tramite la legge di Ohm R=V/I (formula inversa di V=RI) calcoli il valore della resistenza da mettergli in serie quindi 1,2/0,15=80 poi siccome 80 ohm non è un valore standard dovrai prendere un resistore del valore standard più vicino cioè 82 ohm e ci metti quello ; se ora hai capito il procedimento puoi ripeterlo sostituendo i valori con quelli dei componenti che intendi usare o hai a disposizione e fatti i calcoli necessari stando sempre attento a non sbagliare le conversioni tra unità di misura dato che la formula V=RI (legge di ohm) e le sue formule inverse R=V/I e I=V/R presuppongono V espresso in volt R espresso in ohm e I espresso in ampere, ora hai capito :?: (o devo riscrivertelo in ieratico ? :mrgreen: )
Avatar utente
Foto Utenteclaudiocedrone
21,3k 4 7 9
Master EY
Master EY
 
Messaggi: 15302
Iscritto il: 18 gen 2012, 13:36

0
voti

[34] Re: Circuito LED

Messaggioda Foto Utenteclaudiocedrone » 1 apr 2012, 21:53

Perche è sottraendo Vf da Vs (tensione di alimentazione) che ottieni la tensione (ddp) ai capi della resistenza di caduta (o di limitazione,chiamala come ti pare) che,divisa per il valore di tale resistenza (sempre la legge di Ohm !) ti dà la corrente che scorre nella resistenza stessa e siccome quella resistenza è in serie al led ne consegue che la stessa corrente scorrerà nel led .
Avatar utente
Foto Utenteclaudiocedrone
21,3k 4 7 9
Master EY
Master EY
 
Messaggi: 15302
Iscritto il: 18 gen 2012, 13:36

0
voti

[35] Re: Circuito LED

Messaggioda Foto UtenteDiake » 1 apr 2012, 21:55

Non ci crederete ma ho capito!! :lol: :lol:
Grazie a tutti e scusate la rottura di °_. °_.
Diake
Avatar utente
Foto UtenteDiake
58 2 6
Frequentatore
Frequentatore
 
Messaggi: 129
Iscritto il: 30 mar 2012, 19:56

0
voti

[36] Re: Circuito LED

Messaggioda Foto Utenteclaudiocedrone » 1 apr 2012, 21:58

:ok: Ma...dov'è finita la tua risposta alla penultima risposta che ti ho dato :?:
Avatar utente
Foto Utenteclaudiocedrone
21,3k 4 7 9
Master EY
Master EY
 
Messaggi: 15302
Iscritto il: 18 gen 2012, 13:36

0
voti

[37] Re: Circuito LED

Messaggioda Foto UtenteDiake » 1 apr 2012, 22:00

L'ho cancellata mentre mi rispondevi dato che ho capito cosa sbagliavo :-)
scusa :-(
Grazie lo stesso O_/
Avatar utente
Foto UtenteDiake
58 2 6
Frequentatore
Frequentatore
 
Messaggi: 129
Iscritto il: 30 mar 2012, 19:56

0
voti

[38] Re: Circuito LED

Messaggioda Foto Utenteclaudiocedrone » 1 apr 2012, 22:05

E credi di cavartela così ? :twisted: ora mi devi 150 euro ! :mrgreen:
Avatar utente
Foto Utenteclaudiocedrone
21,3k 4 7 9
Master EY
Master EY
 
Messaggi: 15302
Iscritto il: 18 gen 2012, 13:36

0
voti

[39] Re: Circuito LED

Messaggioda Foto UtenteDiake » 1 apr 2012, 22:08

Per l'assistenza o per i danni psicologici causati? :mrgreen:
Avatar utente
Foto UtenteDiake
58 2 6
Frequentatore
Frequentatore
 
Messaggi: 129
Iscritto il: 30 mar 2012, 19:56

Precedente

Torna a Elettronica generale

Chi c’è in linea

Visitano il forum: Nessuno e 196 ospiti