Cos'è ElectroYou | Login Iscriviti

ElectroYou - la comunità dei professionisti del mondo elettrico

Interruttore Bistabile

Sensori, trasduttori, regolatori...
0
voti

[1] Interruttore Bistabile

Messaggioda Foto UtenteGammaray » 2 apr 2012, 14:35

Buongiorno, seguendo lo schema dell'NE555 Bistabile (che di seguito aggiungo) sono riuscito a pilotare un normale relè con bobina a 12V facendolo diventare quindi bistabile. Ho montato tutto sulla breadboard ed ho collegato due fili molto fini (quelli a sezione unica rossi o bianchi del telefono) rispettivamente ai pin di set e di reset, quindi mi basta toccarli per far attaccare o staccare il relè. Qui sorge un problema. Il set e il reset non sono regolari, ovvero posso settare o resettare toccando sempre il filo sul pin di reset, ma è un po' irregolare come funzionamento, in quanto a volte per settare o resettare vuole essere toccato più volte invece che una sola, oppure toccandolo magari stacca e riattacca subito. Se invece lo uso come è normale che sia, ovvero toccando il set per eccitare la bobina e toccando il reset per farla rilasciare, funziona correttamente. Adesso la domanda: Posso in qualche modo far si che il set e il reset avvengano sempre tramite un impulso che do ad uno stesso pin invece che a due separati? O magari un metodo analogo? Se può servire saperlo, sto cercando di ricreare il pulsante a rilascio con il rispettivo relè bipolare che si usano di solito nei corridoi di casa per far accendere le luci.

Immagine
Avatar utente
Foto UtenteGammaray
25 5
New entry
New entry
 
Messaggi: 92
Iscritto il: 4 mar 2012, 3:56

0
voti

[2] Re: Interruttore Bistabile

Messaggioda Foto UtenteCandy » 2 apr 2012, 15:37

Per ora quel circuito funziona male perché i due segnali di controllo, pin 2 e 6, sono flottanti, ed essendo ad alta impedenza, captano un poco tutto cosa gli passa vicino, col risultato apprente di gestuire l'uscita come vuoi tu, ma non è così. In verità sono fuori controllo... Basta cambiare le condizioni ambientali per vedere il tutto funzionare in modo ben diverso.

Detto questo, non c'è nemmeno il modo di avere il controllo SET/RESEST con un solo segnale, per farlo occorre invece qualcosa come un latch J-K.
Avatar utente
Foto UtenteCandy
32,5k 7 10 13
CRU - Account cancellato su Richiesta utente
 
Messaggi: 10123
Iscritto il: 14 giu 2010, 22:54

0
voti

[3] Re: Interruttore Bistabile

Messaggioda Foto UtenteGammaray » 2 apr 2012, 15:40

Bene, grazie. Il latch j-k come posso realizzarlo? Su internet ho trovato schemi che adoperano transistor, ma sono differenti gli uni dagli altri. Altrimenti non vi è un sistema per realizzarlo con un NE555?
Avatar utente
Foto UtenteGammaray
25 5
New entry
New entry
 
Messaggi: 92
Iscritto il: 4 mar 2012, 3:56

2
voti

[4] Re: Interruttore Bistabile

Messaggioda Foto UtenteGuidoB » 3 apr 2012, 1:58

Gammaray ha scritto:Se può servire saperlo, sto cercando di ricreare il pulsante a rilascio con il rispettivo relè bipolare che si usano di solito nei corridoi di casa per far accendere le luci.


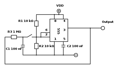
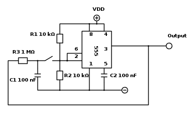
Se vuoi farlo con un pulsante, puoi usare un semplicissimo circuito con due porte NOT, ma anche con un 555, così:


Se usi un pulsante, puoi evitare l'uso di un flip-flop J-K. Cosa che non potresti fare se avessi un segnale di comando a livello logico.

O_/
Big fan of ƎlectroYou!       Ausili per disabili e anziani su ƎlectroYou
Caratteri utili: À È É Ì Ò Ó Ù α β γ δ ε η θ λ μ π ρ σ τ φ ω Ω º ª ² ³ √ ∛ ∜ ₀ ₁ ₂ ₃ ₄ ₅ ₆ ∃ ∄ ∆ ∈ ∉ ± ∓ ∾ ≃ ≈ ≠ ≤ ≥
Avatar utente
Foto UtenteGuidoB
17,8k 7 12 13
G.Master EY
G.Master EY
 
Messaggi: 2809
Iscritto il: 3 mar 2011, 16:48
Località: Madrid

0
voti

[5] Re: Interruttore Bistabile

Messaggioda Foto UtenteGammaray » 3 apr 2012, 9:11

Pienamente esaustivo, grazie per l'aiuto :ok:
Avatar utente
Foto UtenteGammaray
25 5
New entry
New entry
 
Messaggi: 92
Iscritto il: 4 mar 2012, 3:56

0
voti

[6] Re: Interruttore Bistabile

Messaggioda Foto UtenteCandy » 3 apr 2012, 9:22

Ma siamo sicuri che il circuito in [4] sia realmente ciò che chiedeva l'utente? Sarei curioso di mettere un oscilloscopio sul piedino 3 del 555 quando quell'interruttore è chiuso...
Avatar utente
Foto UtenteCandy
32,5k 7 10 13
CRU - Account cancellato su Richiesta utente
 
Messaggi: 10123
Iscritto il: 14 giu 2010, 22:54

3
voti

[7] Re: Interruttore Bistabile

Messaggioda Foto UtenteGuidoB » 4 apr 2012, 0:45

Secondo me funziona.

Ripeto il circuito per comodità:

Quando il pulsante viene premuto la tensione che c'è sul condensatore C1 (pari alla tensione d'uscita) viene applicata per un attimo agli ingressi 2 e 6, e fa cambiare di stato il 555.

Subito dopo le resistenze R1e R2 portano la tensione del condensatore a metà della tensione di alimentazione. La resistenza R3 non influisce più di tanto, visto che è di valore 100 volte pù elevato di R1 e R2. Quindi l'uscita resta stabilmente nel nuovo stato.

Solo quando si rilascia il pulsante, la resistenza R3 può finalmente portare (in qualche decimo di secondo) la tensione su C1 allo stesso valore della tensione d'uscita.

A una nuova pressione si avrà perciò una nuova commutazione. Tra una pressione e l'altra del pulsante deve passare come minimo un tempo dell'ordine del decimo di secondo, se no l'uscita non cambia (questo tempo serve per neutralizzare i rimbalzi del pulsante).

Visto che l'ho nominato prima, posto anche lo schema del "toggle circuit" realizzato con due porte NOT CMOS:

Nella sua semplicità, mi sembra uno dei circuiti elettronici più belli.

O_/
Big fan of ƎlectroYou!       Ausili per disabili e anziani su ƎlectroYou
Caratteri utili: À È É Ì Ò Ó Ù α β γ δ ε η θ λ μ π ρ σ τ φ ω Ω º ª ² ³ √ ∛ ∜ ₀ ₁ ₂ ₃ ₄ ₅ ₆ ∃ ∄ ∆ ∈ ∉ ± ∓ ∾ ≃ ≈ ≠ ≤ ≥
Avatar utente
Foto UtenteGuidoB
17,8k 7 12 13
G.Master EY
G.Master EY
 
Messaggi: 2809
Iscritto il: 3 mar 2011, 16:48
Località: Madrid

1
voti

[8] Re: Interruttore Bistabile

Messaggioda Foto UtenteGammaray » 4 apr 2012, 22:09

Ho trovato uno squarcio di tempo per testare il circuito bistabile con NE555 e funziona senza alcun problema :ok:
Avatar utente
Foto UtenteGammaray
25 5
New entry
New entry
 
Messaggi: 92
Iscritto il: 4 mar 2012, 3:56

0
voti

[9] Re: Interruttore Bistabile

Messaggioda Foto UtenteGuidoB » 5 apr 2012, 0:55

Grazie per il feedback :ok:
Big fan of ƎlectroYou!       Ausili per disabili e anziani su ƎlectroYou
Caratteri utili: À È É Ì Ò Ó Ù α β γ δ ε η θ λ μ π ρ σ τ φ ω Ω º ª ² ³ √ ∛ ∜ ₀ ₁ ₂ ₃ ₄ ₅ ₆ ∃ ∄ ∆ ∈ ∉ ± ∓ ∾ ≃ ≈ ≠ ≤ ≥
Avatar utente
Foto UtenteGuidoB
17,8k 7 12 13
G.Master EY
G.Master EY
 
Messaggi: 2809
Iscritto il: 3 mar 2011, 16:48
Località: Madrid

0
voti

[10] Re: Interruttore Bistabile

Messaggioda Foto Utentelucaf » 10 giu 2012, 11:34

E' POSSIBILE USARE UN FOTOSENSORE AL POSTO DEL PULSANTE E COME POSSO COLLEGARLO?
Avatar utente
Foto Utentelucaf
0 2
 
Messaggi: 4
Iscritto il: 10 giu 2012, 11:07

Prossimo

Torna a Sensoristica

Chi c’è in linea

Visitano il forum: Nessuno e 10 ospiti