Salve a tutti,
sto realizzando un progettino per l'esame di maturità e ho la necessità di usare un convertitore F/V (il TC9402CPD della Microchip) per convertire la frequenza di un segnale in una tensione proporzionale ad essa e quindi ai giri di un motore. Questo segnale ha ampiezza e frequenza variabili (sarebbe l'uscita di un alternatore di una macchina) la frequenza massima è di 200 Hz la tensione non l'ho ancora misurata. Il convertitore mi converte la frequenza in tensione e poi quest'ultima viene digitalizzata e poi fatte le elaborazioni del caso da un PIC. Ora il problema è che montando il circuito secondo quanto detto dai datasheet il circuito non va come dovrebbe, ho l'uscita fissa a 12V anziche variare tra 0 e 5V, ho provato a capire il perché ma non ce l'ho fatta e spero di avere aiuto o anche consigli in questo forum. Ah dimenticavo, ho modificato due componenti in quanto non adeguati al mio caso, perché con l'espressione Vout=(Vref*Rint*Cref)*Fin ed imponendo che Vout sia 5V quando Fin=200Hz ed avendo Rint= 1Mohm, Cref=47pF mi risultava una Vref di 536V; quindi io ho alzato il condensatore a 47nF, in modo da avere una Vref=0.536V. Però in questa configurazione il circuito non funziona, qualcuno può darmi una spiegazione o un consiglio su come farlo funzionarlo???
un'ultima domanda: se io non lo mettessi il convertitore, secondo voi il PIC ce la farebbe lo stesso a campionarla esattamante????
Grazie
Andrew
Problemi con un convertitore F/V
Moderatori:
carloc,
g.schgor,
BrunoValente,
IsidoroKZ
6 messaggi
• Pagina 1 di 1
0
voti
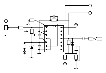
Un bello schema desegnato in FidocadJ che rappresenti quello che hai fatto fino ad ora (modifiche comprese) aiuterebbe molto chi ti vuole rispondere.
marco
0
voti
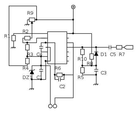
Ecco il circuito, spero si capisca visto che è la prima volta che uso fidocadj. Comunque i componenti che hanno vicino una freccia (un condensatore e una resistenza) sono quelli che ho mocificato: il condensatore è passato da 47pF a 47nF e la resistenza l'ho tolta completamente per regolare la Vrif a 0.536V. La Vrif è la tensione tra i pin 7 e 2, le alimentazioni sono il 14 (Vcc) ed il 4 (massa). I due terminali in alto a destra sono da dove prelevare l'uscita.
L'alimentazione è singola a 12V e io diodo zener è da 6.2V
Grazie per l'aiuto
Andrew
0
voti
Ecco il circuito
Guarda attentamente lo schema di figura 7.2
Ci sono 2 sei e sono lo stesso piedino, tu secondo lo schema postato, hai connesso la massa (sul piu' dello zener offsettata) al cinque dove invece vedo dovrebbe essere Vref Out, in pratica non lo stai alimentando.
-

Lelettrico
2.458 1 4 6 - Master

- Messaggi: 1108
- Iscritto il: 13 set 2010, 12:24
0
voti
Avevo sbagliato io il disegno per la fretta di farlo. Mi scuso.
ecco quello esatto:
ed qui di seguito l'elenco componenti:
R1=100Kohm
R2=470Kohm
R3=10Kohm (qulla che ho pensato di togliere)
R4=10Kohm
R5=1Kohm
R6=1Mohm
R7=33Kohm
R8=1Kohm
R9=100Kohm (potenziometro che è diventato 220K perché non ne ho altri)
R10=1Mohm
C1=10nF
C2=1nF
C3=100nF
C4=47pF (che è diventeto 47nF per adeguare la Vref)
C5=10nF
D1=1N4148 (era un 1N914 che non avevo ma a cui è corrispondente)
DZ1= zener da 6.2V
alimentazione positiva=12V
Vref=0.536v (tra i pin 7 e 2)
out= segnale tra i pin 12 e 6
in= segnale su R7
integrato=TC9400CPD
Se avete bisogno di altro chiedete pure
Andrew
ecco quello esatto:
ed qui di seguito l'elenco componenti:
R1=100Kohm
R2=470Kohm
R3=10Kohm (qulla che ho pensato di togliere)
R4=10Kohm
R5=1Kohm
R6=1Mohm
R7=33Kohm
R8=1Kohm
R9=100Kohm (potenziometro che è diventato 220K perché non ne ho altri)
R10=1Mohm
C1=10nF
C2=1nF
C3=100nF
C4=47pF (che è diventeto 47nF per adeguare la Vref)
C5=10nF
D1=1N4148 (era un 1N914 che non avevo ma a cui è corrispondente)
DZ1= zener da 6.2V
alimentazione positiva=12V
Vref=0.536v (tra i pin 7 e 2)
out= segnale tra i pin 12 e 6
in= segnale su R7
integrato=TC9400CPD
Se avete bisogno di altro chiedete pure
Andrew
6 messaggi
• Pagina 1 di 1
Chi c’è in linea
Visitano il forum: Nessuno e 203 ospiti

Elettrotecnica e non solo (admin)
Un gatto tra gli elettroni (IsidoroKZ)
Esperienza e simulazioni (g.schgor)
Moleskine di un idraulico (RenzoDF)
Il Blog di ElectroYou (webmaster)
Idee microcontrollate (TardoFreak)
PICcoli grandi PICMicro (Paolino)
Il blog elettrico di carloc (carloc)
DirtEYblooog (dirtydeeds)
Di tutto... un po' (jordan20)
AK47 (lillo)
Esperienze elettroniche (marco438)
Telecomunicazioni musicali (clavicordo)
Automazione ed Elettronica (gustavo)
Direttive per la sicurezza (ErnestoCappelletti)
EYnfo dall'Alaska (mir)
Apriamo il quadro! (attilio)
H7-25 (asdf)
Passione Elettrica (massimob)
Elettroni a spasso (guidob)
Bloguerra (guerra)





