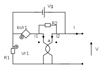
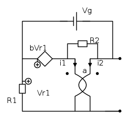
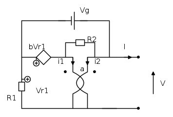
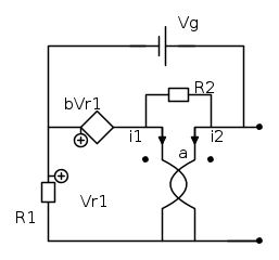
i dati sono i seguenti:





non riesco a impostare le varie leggi.
Moderatori:
g.schgor,
IsidoroKZ





tino20 ha scritto:... devo trovare tensione e corrente ai morsetti.
tino20 ha scritto:Devo trovare V e I.
tino20 ha scritto:e per la V come procedo?




RenzoDF ha scritto: ...Da dove l'hai ricavata?





Torna a Elettrotecnica generale
Visitano il forum: Nessuno e 89 ospiti