Ciao a tutti!
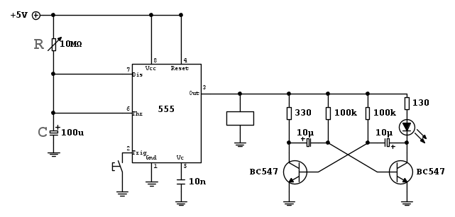
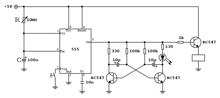
Ho assemblato il circuito per far funzionare l'integrato ne555 come multivibratore monostabile (timer), collegandoci all'uscita (piedino 3) un multivibratore astabile per far lampeggiare un led quando conta il tempo.
Fin qui tutto ok, ma se ci collego anche un relè, quando dovrebbe finire di contare, il condensatore C non si scarica.
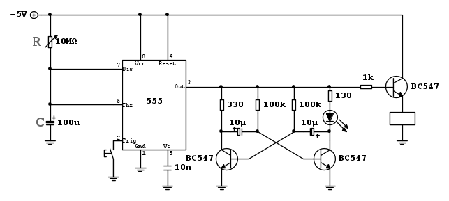
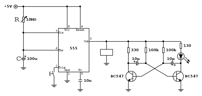
Provando a collegare invece il relè con un transistor, collegando la base al piedino 3 attraverso una resistenza da 1k, non va in conduzione, però collegando la base all'alimentazione ci riesce.....
Dove ho sbagliato secondo voi??
Strano comportamento ne555 monostabile
Moderatori:
carloc,
g.schgor,
BrunoValente,
IsidoroKZ
4 messaggi
• Pagina 1 di 1
2
voti
Prima di tutto dovresti farci capire quello che vuoi fare perche', per accendere un led o eccitare un rele', parte di quel circuito e' inutile.
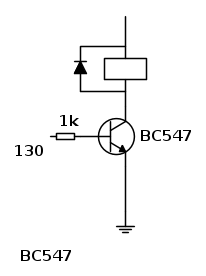
Nel secondo schema il rele' e' mal collegato: uno dei poli della bobina deve andare al positivo di alimentazione ed il secondo al collettore del transistor il cui emettitore va a massa.
E' poi sempre opportuno mettere un diodo di protezione ai capi del rele'.
Nel secondo schema il rele' e' mal collegato: uno dei poli della bobina deve andare al positivo di alimentazione ed il secondo al collettore del transistor il cui emettitore va a massa.
E' poi sempre opportuno mettere un diodo di protezione ai capi del rele'.
marco
0
voti
Il circuito è quello di un timer.
Alla pressione del pulsante collegato tra il piedino 2 e massa, il timer inizia a contare il tempo impostato regolando il potenziometro R (quindi fornisce in uscita al piedino 3 una tensione positiva).
La parte di circuito collegata all'uscita è un multivibratore astabile con lo scopo di far lampeggiare il led quando il timer è in funzione.
Il problema è il relè che in quel modo non funziona.
Alla pressione del pulsante collegato tra il piedino 2 e massa, il timer inizia a contare il tempo impostato regolando il potenziometro R (quindi fornisce in uscita al piedino 3 una tensione positiva).
La parte di circuito collegata all'uscita è un multivibratore astabile con lo scopo di far lampeggiare il led quando il timer è in funzione.
Il problema è il relè che in quel modo non funziona.
0
voti
sebasera ha scritto: problema è il relè che in quel modo non funziona.
Se hai messo un relè da 5 V, non vedo come potrebbe funzionare: dal data sheet del 555 si ha che
. Usa il circuito che ti ha indicato Poi, visto che hai bisogno di un monostabile e di un astabile, perché non usi un 556?
It's a sin to write
instead of
(Anonimo).
...'cos you know that
ain't
, right?
You won't get a sexy tan if you write
in lieu of
.
Take a log for a fireplace, but don't take
for
arithm.
instead of
(Anonimo)....'cos you know that
ain't
, right?You won't get a sexy tan if you write
in lieu of
.Take a log for a fireplace, but don't take
for
arithm.-

DirtyDeeds
55,9k 7 11 13 - G.Master EY

- Messaggi: 7012
- Iscritto il: 13 apr 2010, 16:13
- Località: Somewhere in nowhere
4 messaggi
• Pagina 1 di 1
Chi c’è in linea
Visitano il forum: Nessuno e 161 ospiti

Elettrotecnica e non solo (admin)
Un gatto tra gli elettroni (IsidoroKZ)
Esperienza e simulazioni (g.schgor)
Moleskine di un idraulico (RenzoDF)
Il Blog di ElectroYou (webmaster)
Idee microcontrollate (TardoFreak)
PICcoli grandi PICMicro (Paolino)
Il blog elettrico di carloc (carloc)
DirtEYblooog (dirtydeeds)
Di tutto... un po' (jordan20)
AK47 (lillo)
Esperienze elettroniche (marco438)
Telecomunicazioni musicali (clavicordo)
Automazione ed Elettronica (gustavo)
Direttive per la sicurezza (ErnestoCappelletti)
EYnfo dall'Alaska (mir)
Apriamo il quadro! (attilio)
H7-25 (asdf)
Passione Elettrica (massimob)
Elettroni a spasso (guidob)
Bloguerra (guerra)




