Quali sono le Specifiche che devi rispettare?
Per quale motivo un oscillatore a sfasamento?
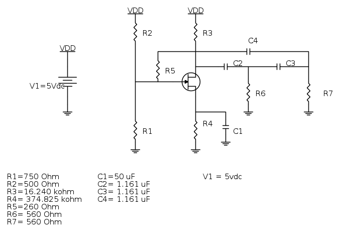
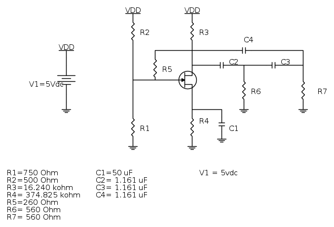
Oscillatore a sfasamento
Moderatori:
carloc,
g.schgor,
BrunoValente,
IsidoroKZ
2
voti
1) Gli schemi si fanno sempre con i valori dei componenti. Non ha senso mettere R1 e poi il valore chissa` dove. Uno schema deve riportare i valori altrimenti non e` leggibile e non serve a nulla.
2) Mancano i dati del MOS
Stupirei se quel circuito oscillasse. Riporta in dettaglio e in Latex tutti i passi che hai fatto per il dimensionamento.
2) Mancano i dati del MOS
Stupirei se quel circuito oscillasse. Riporta in dettaglio e in Latex tutti i passi che hai fatto per il dimensionamento.
Per usare proficuamente un simulatore, bisogna sapere molta più elettronica di lui
Plug it in - it works better!
Il 555 sta all'elettronica come Arduino all'informatica! (entrambi loro malgrado)
Se volete risposte rispondete a tutte le mie domande
Plug it in - it works better!
Il 555 sta all'elettronica come Arduino all'informatica! (entrambi loro malgrado)
Se volete risposte rispondete a tutte le mie domande
0
voti
DATI DEL MOSFET:
.model modn NMOS(Level=1 VTO=0.7 GAMMA=0.5 PHI=0.8 LD=0.08E-06 WD=0 UO=460 LAMBDA=0.04
TOX=9.5E-9 PB=0.9 CJ=0.57E-3 CJSW=120E-12 MJ=0.5 MJSW=0.4 CGDO=0.4E-9 JS=10E-9 CGBO=0.38E-
9 CGSO=0.4E-9)
Devo far oscillare tale circuito ad una frequenza di 100 kHz con potenza dissipata di 2 mW
\Passaggi:
- Ho trovato valore R1, R2, R4 per avere potenza dissipata di 2 mW;
- Imposto R6=R7=R5+R1//R2 =R e C2=C3=C4=C;
- Utilizzo formula f=1/RC* RADICE(6); per trovare RC. Inserisco un valore di R, io ho messo 560 Ohm;
- Ora calcolo guadagno ad anello ed è pari a 29 e dico che R3=29R;
- Calcolo C e scelgo un valore per C1, io ho messo 50uF;
-Metto un generatore di impulsi per portare il mio oscillatore via dalla posizione di equilibrio;
Spero di esser stato chiaro. Latex nn son capace di usarlo. Grazie attendo cortesemente delle risposte
4
voti
E` come avere un quadro famoso riprodotto su un foglio bianco solo con delle linee nere che identificano le sagome, con un numero dentro le varie aree delimitate dalle linee nere, e in basso vicino a ogni numero si mette il colore che deve avere quell'area.
E` evidente che uno schema non lo sai leggere, non guardi topologia e valori e capisci che cosa fa. I valori dei componenti si mettono vicino ai componenti, altrimenti lo schema non vuole dire nulla, e si perde tempo ad andare a cercare i valori, distogliendo lo sguardo dallo schema.
Prima erano 20mW, adesso sono scesi a due. Altro esempio di errore dovuto al fatto che a te i numeri non dicono nulla, uno vale l'altro. Un ingegnere non dovrebbe essere cosi`.
Questo e` il primo errore (anzi, tecnicamente parlando non e` un errore e` molto peggio). La potenza disponibile serve per il dispositivo attivo, non per scaldare le resistenze.
Quanto vale la transconduttanza di un MOS? Da che cosa dipende?
Gli altri errori dopo!
Latex lo impari, non ci sono problemi! C'e` un bel tutorial qui
E` evidente che uno schema non lo sai leggere, non guardi topologia e valori e capisci che cosa fa. I valori dei componenti si mettono vicino ai componenti, altrimenti lo schema non vuole dire nulla, e si perde tempo ad andare a cercare i valori, distogliendo lo sguardo dallo schema.
leoc2589 ha scritto:Devo far oscillare tale circuito ad una frequenza di 100 kHz con potenza dissipata di 2 mW
Prima erano 20mW, adesso sono scesi a due. Altro esempio di errore dovuto al fatto che a te i numeri non dicono nulla, uno vale l'altro. Un ingegnere non dovrebbe essere cosi`.
leoc2589 ha scritto:\Passaggi:
- Ho trovato valore R1, R2, R4 per avere potenza dissipata di 2 mW;
Questo e` il primo errore (anzi, tecnicamente parlando non e` un errore e` molto peggio). La potenza disponibile serve per il dispositivo attivo, non per scaldare le resistenze.
Quanto vale la transconduttanza di un MOS? Da che cosa dipende?
Gli altri errori dopo!
leoc2589 ha scritto:Latex non son capace di usarlo
Latex lo impari, non ci sono problemi! C'e` un bel tutorial qui
Per usare proficuamente un simulatore, bisogna sapere molta più elettronica di lui
Plug it in - it works better!
Il 555 sta all'elettronica come Arduino all'informatica! (entrambi loro malgrado)
Se volete risposte rispondete a tutte le mie domande
Plug it in - it works better!
Il 555 sta all'elettronica come Arduino all'informatica! (entrambi loro malgrado)
Se volete risposte rispondete a tutte le mie domande
0
voti
Ho sbagliato nell' ultimo post per quanto riguarda la potenza dissipata; deve essere 20mW come ad inizio thread! Aspetto osservazioni successive . . . almeno posso capire i miei errori e trovare soluzione al mio progetto

0
voti
PS: a cosa dovrebbe servire
? It's a sin to write
instead of
(Anonimo).
...'cos you know that
ain't
, right?
You won't get a sexy tan if you write
in lieu of
.
Take a log for a fireplace, but don't take
for
arithm.
instead of
(Anonimo)....'cos you know that
ain't
, right?You won't get a sexy tan if you write
in lieu of
.Take a log for a fireplace, but don't take
for
arithm.-

DirtyDeeds
55,9k 7 11 13 - G.Master EY

- Messaggi: 7012
- Iscritto il: 13 apr 2010, 16:13
- Località: Somewhere in nowhere
0
voti
DirtyDeeds ha scritto:PS: a cosa dovrebbe servire?
E` semplice: a ridurre il guadagno di anello cosi` che il MOS debba guadagnare di piu` per poter oscillare!
Per usare proficuamente un simulatore, bisogna sapere molta più elettronica di lui
Plug it in - it works better!
Il 555 sta all'elettronica come Arduino all'informatica! (entrambi loro malgrado)
Se volete risposte rispondete a tutte le mie domande
Plug it in - it works better!
Il 555 sta all'elettronica come Arduino all'informatica! (entrambi loro malgrado)
Se volete risposte rispondete a tutte le mie domande
0
voti
Ecco, era ciò che temevo 
It's a sin to write
instead of
(Anonimo).
...'cos you know that
ain't
, right?
You won't get a sexy tan if you write
in lieu of
.
Take a log for a fireplace, but don't take
for
arithm.
instead of
(Anonimo)....'cos you know that
ain't
, right?You won't get a sexy tan if you write
in lieu of
.Take a log for a fireplace, but don't take
for
arithm.-

DirtyDeeds
55,9k 7 11 13 - G.Master EY

- Messaggi: 7012
- Iscritto il: 13 apr 2010, 16:13
- Località: Somewhere in nowhere
0
voti
DirtyDeeds ha scritto:leoc2589, ti è ormai stato chiesto 3 volte di postare i conti che hai fatto per dimensionare l'oscillatore: le osservazioni successive arriveranno quando avremo visto i conti.
Ma quali conti cerchi? Ho spigato prima il procedimento che ho seguito non c'è nulla da contare.
Ho solo verficato che la mia
dove f è uguale a 100khz e il mio guadagnoad anello deve essere superiore di 29. Ho poi aperto pspice simulando in Bias Point impostando R1,R2,R4 hai valori suddetti per avere una potenza dissipata di circa 20mW nell' foglio dell'output. Ho scelto 560 Ohm per R osservando dei circuti in rete simili e ho poi calcolato la C dall'equazione sopra descritta e trovato R3=29R. Ho poi inserito un Generatore di impulso per portare fuori dalla poszione di equilibrio il mio oscillatore impostando un impulso rettangolare con parametri a piacimento. Sto cercando di osservare ora la funzione di V(1) nodo 1 come specificato nel mio primo post facendo il trnsitorio; ma mi sono ben presto accorto che non funziona. Chiedo a voi cosa dovrei mdoficare per andar avanti e riuscire nel mio intento.PS: I dati del MOS mi sono stati imposti all' inzio e quindi li ho usati per fare il mio modello di NMOS sullo spice
3
voti
leoc2589 ha scritto:[...] cosa dovrei mdoficare per andar avanti e riuscire nel mio intento.
[...]
Devi modificare completamente, profondamente, totalmente l'approccio al problema
Se ti serve il valore di beta: hai sbagliato il progetto!
Chi c’è in linea
Visitano il forum: Nessuno e 264 ospiti

Elettrotecnica e non solo (admin)
Un gatto tra gli elettroni (IsidoroKZ)
Esperienza e simulazioni (g.schgor)
Moleskine di un idraulico (RenzoDF)
Il Blog di ElectroYou (webmaster)
Idee microcontrollate (TardoFreak)
PICcoli grandi PICMicro (Paolino)
Il blog elettrico di carloc (carloc)
DirtEYblooog (dirtydeeds)
Di tutto... un po' (jordan20)
AK47 (lillo)
Esperienze elettroniche (marco438)
Telecomunicazioni musicali (clavicordo)
Automazione ed Elettronica (gustavo)
Direttive per la sicurezza (ErnestoCappelletti)
EYnfo dall'Alaska (mir)
Apriamo il quadro! (attilio)
H7-25 (asdf)
Passione Elettrica (massimob)
Elettroni a spasso (guidob)
Bloguerra (guerra)




