Cos'è ElectroYou | Login Iscriviti

ElectroYou - la comunità dei professionisti del mondo elettrico

Diodi e porte logiche

Elettronica lineare e digitale: didattica ed applicazioni

Moderatori: Foto Utentecarloc, Foto Utenteg.schgor, Foto UtenteBrunoValente, Foto UtenteIsidoroKZ

2
voti

[11] Re: Diodi e porte logiche

Messaggioda Foto UtenteRobert8 » 3 apr 2012, 14:09

OK, è la 3.

tixy ha scritto:Qualcuno mi può fare un disegno su come potrebbero essere effettivamente collegati questi benedetti diodi di cui sopra?


Sono già collegati nel modo effettivo.

Forse lo schema è più chiaro così:

E' analogo al precedente, ho solo aggiunto 5 V al riferimento di massa. Forse è il segno di massa che trae in inganno.
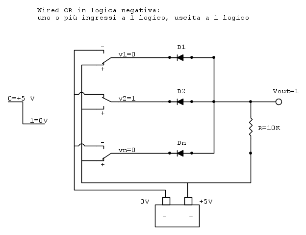
In questo schema, del tutto realistico, metti a 5 volt gli ingressi v1,v2,vn. Questo significa che, in logica negativa, sono sullo 0 logico. L'uscita VO è a 5 volt (0 logico) anch'essa perché i diodi non conducono ed ognuno se ne sta coi suoi 5 volt.

Ora tocca a te:
1) metti uno o più ingressi a 1 logico e dimmi come potresti fare ciò in pratica;
2) l'uscita come sarà?
3) ora lo schema rappresenta una OR o una AND?
Avatar utente
Foto UtenteRobert8
3.449 2 8 13
Master EY
Master EY
 
Messaggi: 373
Iscritto il: 15 giu 2011, 16:30

0
voti

[12] Re: Diodi e porte logiche

Messaggioda Foto Utentetixy » 11 apr 2012, 13:39

Ok sono di nuovo qui!

Dunque, Foto UtenteRobert8:
1) metto a 1 logico il primo ingresso togliendo la tensione (cioè è come se aprissi un interruttore in corrispondenza del primo ingresso), quindi portandola a zero;
2) all' uscita avrò vo = 0 volt + tensione di soglia (cioè ritrovo l'ingresso che ho dato a v1)
3) in questo caso sono di fronte ad una porta OR (se avessimo posto 1 logico in corrispondenza di +5V allora sarebbe stata una AND) (?);
Avatar utente
Foto Utentetixy
65 1 3
New entry
New entry
 
Messaggi: 75
Iscritto il: 18 gen 2012, 14:49

0
voti

[13] Re: Diodi e porte logiche

Messaggioda Foto Utentesimo85 » 11 apr 2012, 13:58

tixy ha scritto:1) metto a 1 logico il primo ingresso togliendo la tensione

Non stai "togliendo tensione".

Oltre alla tensione di polarizzazione diretta dei diodi devi anche tenere conto della caduta di tensione delle resistenze sui catodi, e se RO è sufficientemente alta, direi che le altre non servono o potrebbero non servire, a mio parere.
Infine, basta che un solo ingresso sia a 0V (1 logico secondo il tuo schema) per far si che VO \approx 0V (detto in maniera digitale).
Avatar utente
Foto Utentesimo85
30,9k 7 12 13
Disattivato su sua richiesta
 
Messaggi: 9927
Iscritto il: 30 ago 2010, 4:59

0
voti

[14] Re: Diodi e porte logiche

Messaggioda Foto Utentetixy » 11 apr 2012, 14:07

gohan ha scritto:direi che le altre non servono


:(
in che senso "non servono"?
Avatar utente
Foto Utentetixy
65 1 3
New entry
New entry
 
Messaggi: 75
Iscritto il: 18 gen 2012, 14:49

0
voti

[15] Re: Diodi e porte logiche

Messaggioda Foto Utentesimo85 » 11 apr 2012, 14:15

Intendo che oltre alla limitazione di corrente imposta dalla resistenza di pull-up, con le resistenze sui catodi hai una caduta di tensione (legge di Ohm), quindi VO sará più alta rispetto al caso senza.. Senza valori è impossibile dire quanto.
Avatar utente
Foto Utentesimo85
30,9k 7 12 13
Disattivato su sua richiesta
 
Messaggi: 9927
Iscritto il: 30 ago 2010, 4:59

4
voti

[16] Re: Diodi e porte logiche

Messaggioda Foto UtenteRobert8 » 11 apr 2012, 16:06

Dunque Foto Utentetixy, semplifichiamo ulteriormente togliendo le R inutili per la comprensione dello schema e colleghiamo una ipotetica batteria:



1) Per portare a zero volt un ingresso non devi scollegarlo con un interruttore, in tal caso renderesti isolato quel ramo del circuito: è come se non ci fosse. Invece ci interessa portarlo a zero volt in modo che il diodo possa condurre cioè lasciar passare corrente dal polo positivo +5V al polo negativo 0V: l'unico modo è collegare un ingresso, per esempio v2, al polo negativo:



2) ok;

3) ok porta OR; ok per la AND:





Avatar utente
Foto UtenteRobert8
3.449 2 8 13
Master EY
Master EY
 
Messaggi: 373
Iscritto il: 15 giu 2011, 16:30

1
voti

[17] Re: Diodi e porte logiche

Messaggioda Foto Utentetixy » 11 apr 2012, 20:00

Robert8 ha scritto: colleghiamo una ipotetica batteria:



:ok: ...questo è lo schema che vi chiedevo nel messaggio [10] :ok:

Grazie. Adesso è tutto molto più chiaro. :cool:

Io mi immaginavo una batteria collegata col + a Ro e col - ai capi delle vn, ma non riuscivo a capire come potessi fare ad "abbassare" la tensione coi capi sempre collegati, perciò avevo pensato a un interruttore (uso esempi di componenti elettrici così mi risulta più "intuitivo" capire il funzionamento); ma adesso che mi hai messo dei deviatori mi si è illuminato tutto \O-<

PS: la resistenza da 10k l'hai calcolata o hai usato una grandezza che "a occhio" potrebbe andar bene?
Avatar utente
Foto Utentetixy
65 1 3
New entry
New entry
 
Messaggi: 75
Iscritto il: 18 gen 2012, 14:49

0
voti

[18] Re: Diodi e porte logiche

Messaggioda Foto Utentesimo85 » 11 apr 2012, 23:49

tixy ha scritto:PS: la resistenza da 10k l'hai calcolata o hai usato una grandezza che "a occhio" potrebbe andar bene?

La seconda che hai detto.
Avatar utente
Foto Utentesimo85
30,9k 7 12 13
Disattivato su sua richiesta
 
Messaggi: 9927
Iscritto il: 30 ago 2010, 4:59

0
voti

[19] Re: Diodi e porte logiche

Messaggioda Foto UtenteRenzoDF » 12 apr 2012, 0:37

@ Foto UtenteRobert8 Non "wired" ma DRL ;-)
"Il circuito ha sempre ragione" (Luigi Malesani)
Avatar utente
Foto UtenteRenzoDF
55,9k 8 12 13
G.Master EY
G.Master EY
 
Messaggi: 13189
Iscritto il: 4 ott 2008, 9:55

2
voti

[20] Re: Diodi e porte logiche

Messaggioda Foto UtenteRobert8 » 12 apr 2012, 1:25

Muchas gracias [user]gohan[/user]! :ok:

Si, la R0 l'ho valorizzata ad occhio.

tixy ha scritto:...questo è lo schema che vi chiedevo nel messaggio [10]

Spesso le cose più banali sono difficili da chiedere per chi non le sa ed altrettanto difficili da spiegare perché le si da per scontate, ma con un po' di pazienza ci si arriva. :ok:

Ora potresti provare a disegnare lo schema originale (il [4]) con la massa su R0, se ti va!
Come faresti i collegamenti con la batteria?

RenzoDF ha scritto:Non "wired" ma DRL

A parte Daytime Running Lamps non mi viene in mente nulla :oops:
Abbiamo 9 ore di differenza se non sbaglio; mentre ti stai godendo il tardo pomeriggio io mi appresto al meritato riposo: domani cerco cosa vuol dire. :-k
Avatar utente
Foto UtenteRobert8
3.449 2 8 13
Master EY
Master EY
 
Messaggi: 373
Iscritto il: 15 giu 2011, 16:30

PrecedenteProssimo

Torna a Elettronica generale

Chi c’è in linea

Visitano il forum: Nessuno e 95 ospiti