Analizzatore di spettro
Moderatore:
IsidoroKZ
29 messaggi
• Pagina 2 di 3 • 1, 2, 3
0
voti
LM3915 è un integrato che pilota l'accensione di una serie fino a 10 LED
in base ad un segnale di tensione applicato all'ingresso.
Fa quindi da voltmetro (VU-Meter) a gradini.
Nel tuo caso la tensione è ricavata da un circuito rivelatore,
che raddrizza e filtra la gamma di frequenze in uscita da
un filtro passa-banda, quindi misura l'intensità del segnale
in quella banda.
Per farti un'idea puoi vedere questo argomento
(specialmente post[41....47]) dove però il segnale
d'uscita è a tutto-o-niente).
Dimmi se ti è chiaro.
in base ad un segnale di tensione applicato all'ingresso.
Fa quindi da voltmetro (VU-Meter) a gradini.
Nel tuo caso la tensione è ricavata da un circuito rivelatore,
che raddrizza e filtra la gamma di frequenze in uscita da
un filtro passa-banda, quindi misura l'intensità del segnale
in quella banda.
Per farti un'idea puoi vedere questo argomento
(specialmente post[41....47]) dove però il segnale
d'uscita è a tutto-o-niente).
Dimmi se ti è chiaro.
0
voti
scusa se rispondo in ritardo ma la sucola mi ha dato moltissimi problemi -.-", si ho visto quello che mi hai detto tu ed ho capito il funzionamento, ma del 3915 non so come dimensionare i vari componenti, mi potresti aiutare? e poi una domanda, se metto dei transistor pnp a emittitore comune all'uscita del 3915, riucirei a pilotare più led contemporaneamente?
0
voti
Pana ha scritto:riuscirei a pilotare più led contemporaneamente?
A che ti serve? Per quello che intendi fare, una fila di LED mostra
(secondo il numero di LED accesi) l'intensità del segnale in quella
banda di frequenza e le altre "file" mostrano quella di altre bande.
I LED non vanno quindi messi "in parallelo".
Venendo al concreto, ti sei letto la specifica del 3915?
Tutto chiaro?
0
voti
E allora incomincia a far funzionare quello,
applicando all'ingresso del segnale un semplice
partitore a potenziometro (in modo da poter
variare l'indicazione dei LED).
applicando all'ingresso del segnale un semplice
partitore a potenziometro (in modo da poter
variare l'indicazione dei LED).
0
voti
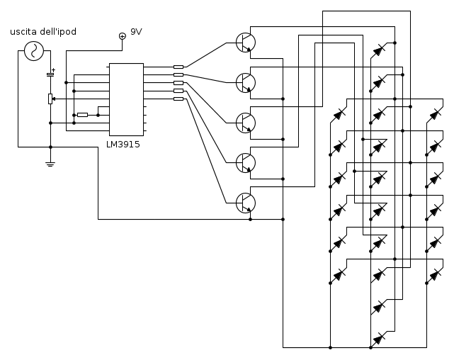
perodonami tanto ma ho avuto un sacco da fare giuro, senti volevo chiederti un altro favore sempre riguardante lm3915, vorrei realizzare stile box voice di supercar solo miniaturizzato, invece di usare le 10 uscite del LM3915 ne uso solo 5, ora so che c'è un modo per senzibilizzare ho fatto uno schema ma non so se il rapporto delle uscite a 10 è uguale a quello a 5 riguardo alla sensibilità di visualizzazione.., ti posto uno schema, non so se mi sono spiegato... grazie mille.
il condensatore è da 1uF, la resistenza variabile è da 100k e le resistenze alla base dei transistor e quella rimanente sono da 1k... secondo te puo andare?
il condensatore è da 1uF, la resistenza variabile è da 100k e le resistenze alla base dei transistor e quella rimanente sono da 1k... secondo te puo andare?
0
voti
Pana ha scritto:.. invece di usare le 10 uscite del LM3915 ne uso solo 5,
in quel modo però avrai tipo da 0 a 5 led anzichè da 0 a 10 .. il passo però resta uguale .. ovvero il gradino è sempre quello perché non farlo da 0 a 10 lasciandone uno collegato e l'altro no? a doppio passo insomma..
comunque credo sia quasi inutile questo circuito amenochè tu non voglia cercare di rappresentare in qualche strano modo il volume dell'ipod

0
voti
si esatto lo voglio rappresentare in un modo particolare, sto cercando di realizzare stile voce di supercar non so se hai presente, siccome è per scuola lo volevo fare in piccola scala, appunto utilizzando solo 5 uscite perché volevo fare entrare il tutto in una millefori 16x10
0
voti
A questo punto credo possa andare .. non saprei però se incombono altri problemi non ho esperienza con questo LM3915 perciò non so dirti di più del maestro g.schgor però sembra molto più "scolastica" della tua idea di partenza molto complessa.
comunque devi tenere ben conto della tensione Vref altrimenti ti resta facilmente fissa l'uscita ad uno max 2 led credo..
comunque devi tenere ben conto della tensione Vref altrimenti ti resta facilmente fissa l'uscita ad uno max 2 led credo..
29 messaggi
• Pagina 2 di 3 • 1, 2, 3
Torna a Elettronica e spettacolo
Chi c’è in linea
Visitano il forum: Nessuno e 23 ospiti

Elettrotecnica e non solo (admin)
Un gatto tra gli elettroni (IsidoroKZ)
Esperienza e simulazioni (g.schgor)
Moleskine di un idraulico (RenzoDF)
Il Blog di ElectroYou (webmaster)
Idee microcontrollate (TardoFreak)
PICcoli grandi PICMicro (Paolino)
Il blog elettrico di carloc (carloc)
DirtEYblooog (dirtydeeds)
Di tutto... un po' (jordan20)
AK47 (lillo)
Esperienze elettroniche (marco438)
Telecomunicazioni musicali (clavicordo)
Automazione ed Elettronica (gustavo)
Direttive per la sicurezza (ErnestoCappelletti)
EYnfo dall'Alaska (mir)
Apriamo il quadro! (attilio)
H7-25 (asdf)
Passione Elettrica (massimob)
Elettroni a spasso (guidob)
Bloguerra (guerra)




