Semplice contatore 4017
Moderatori:
carloc,
g.schgor,
BrunoValente,
IsidoroKZ
23 messaggi
• Pagina 2 di 3 • 1, 2, 3
0
voti
Bè semplice voglio fare esattamentequello che fa quel schema che ho trovato.
Ciclare dei led.
Ciclare dei led.
0
voti
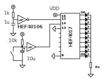
Il pin di reset lo devi mandare a 1 e poi successivamente a zero. Un circuito sequenziale va sempre resettato all'accensione. La resistenza in serie per i LED la calcoli secondo la formuletta


0
voti
Nulla da fare.
Pin 3 sempre acceso.
A questo punto può essere il 4017 andato.
Appena posso ne compro un altro e vediamo.
Pin 3 sempre acceso.
A questo punto può essere il 4017 andato.
Appena posso ne compro un altro e vediamo.
0
voti
Con lo schema postato, il MR del 4017 dovrebbe essere a 0V. Confermi?
Ossia dopo l'inverter sul pin 15. Lo schema mi sembra sia corretto, qualcosa mi dice che hai effettuato male i collegamenti.
EDIT: se vedi che quando accendi il circuito, il contatore comincia da O1, cambia le reti RC tra di loro così:
Cosi che il MR commuti dopo il trigger di clock e cominci da O0. Forse questa è stata una svista..
Ossia dopo l'inverter sul pin 15. Lo schema mi sembra sia corretto, qualcosa mi dice che hai effettuato male i collegamenti.
EDIT: se vedi che quando accendi il circuito, il contatore comincia da O1, cambia le reti RC tra di loro così:
Cosi che il MR commuti dopo il trigger di clock e cominci da O0. Forse questa è stata una svista..
0
voti
IsidoroKZ ha scritto:La cosa divertente e` che il pulsante di clock collega l'alimentazione a un condensatore scarico e in pratica fa un buco nell'alimentazione.
infatti mi chiedo come possa fare un contatore c-mos a ricordare il conteggio quando gli fai un buco sulla l'alimentazione......per capacità parassite!
non pùo andare bene.
ecco lo schema di [user]gohan[/user] mi pare molto più sensato, ho dei dubbi che possa dare problemi, unico appunto è che non mi piace andare a cortocircuitare un condensatore, con un'interruttore o pulsante che sia, una resistenza di limitazione da 100ohm garantirebbe una più lunga vita del pulsante.
-

lelerelele
4.899 3 7 9 - Master

- Messaggi: 5505
- Iscritto il: 8 giu 2011, 8:57
- Località: Reggio Emilia
23 messaggi
• Pagina 2 di 3 • 1, 2, 3
Chi c’è in linea
Visitano il forum: Google Adsense [Bot] e 153 ospiti

Elettrotecnica e non solo (admin)
Un gatto tra gli elettroni (IsidoroKZ)
Esperienza e simulazioni (g.schgor)
Moleskine di un idraulico (RenzoDF)
Il Blog di ElectroYou (webmaster)
Idee microcontrollate (TardoFreak)
PICcoli grandi PICMicro (Paolino)
Il blog elettrico di carloc (carloc)
DirtEYblooog (dirtydeeds)
Di tutto... un po' (jordan20)
AK47 (lillo)
Esperienze elettroniche (marco438)
Telecomunicazioni musicali (clavicordo)
Automazione ed Elettronica (gustavo)
Direttive per la sicurezza (ErnestoCappelletti)
EYnfo dall'Alaska (mir)
Apriamo il quadro! (attilio)
H7-25 (asdf)
Passione Elettrica (massimob)
Elettroni a spasso (guidob)
Bloguerra (guerra)



