Cos'è ElectroYou | Login Iscriviti

ElectroYou - la comunità dei professionisti del mondo elettrico

[Domanda veloce] Circuito in corrente continua

Circuiti, campi elettromagnetici e teoria delle linee di trasmissione e distribuzione dell’energia elettrica

Moderatori: Foto Utenteg.schgor, Foto UtenteIsidoroKZ

1
voti

[1] [Domanda veloce] Circuito in corrente continua

Messaggioda Foto UtenteELEKTROMILLMAN » 15 apr 2012, 17:19

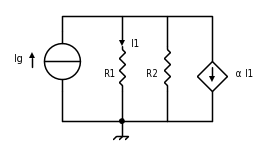
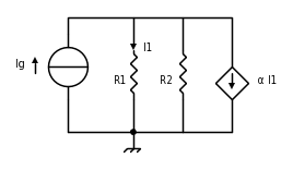
qualcuno sa aiutarmi in questo semplice circuito in cui bisogna trovare la corrente I1 ?
scusate per il disegno in fidocad meglio di cosi non so fare:

R_1=4, R_2=2, I_G=5, alpha=2

Ultima modifica di Foto UtenteELEKTROMILLMAN il 15 apr 2012, 17:36, modificato 1 volta in totale.
Avatar utente
Foto UtenteELEKTROMILLMAN
13 2
 
Messaggi: 23
Iscritto il: 26 mar 2012, 19:41

2
voti

[2] Re: [Domanda veloce] Circuito in corrente continua

Messaggioda Foto UtenteOberoN » 15 apr 2012, 17:24

Due consigli.
1. Su FidoCadJ, a destra, ci sono delle cartelle. Nella cartella "Libreria standard" trovi tutti i simboli che ti servono.
2. Con LaTex, usa "_" e "^" per pedici e apici. Ah, e per fare in modo che sembri un testo usa il comando "\text" e poi tra parentesi graffe il testo, esempio \text{ciao} . E le lettere greche si scrivono \alpha, \beta... o se maiuscole \Alpha, \Beta...

Ora ridisegna tutto e poi vediamo.
Per usare un simulatore devi conoscere più elettronica di lui. [Foto UtenteIsidoroKZ]
40. There are two ways to write error-free programs; only the third one works.
[Alan J. Perlis, Epigrams on Programming]
Avatar utente
Foto UtenteOberoN
801 1 4 9
Stabilizzato
Stabilizzato
 
Messaggi: 483
Iscritto il: 12 feb 2011, 18:20
Località: 127.0.0.1

0
voti

[3] Re: [Domanda veloce] Circuito in corrente continua

Messaggioda Foto UtenteELEKTROMILLMAN » 15 apr 2012, 17:31

ok, ma nelle librerie non trovo né i resistori (o almeno li trovo ma non nella forma che conosco io, come ho cercato di disegnarli) e non trovo i generatori dipendenti .... sotto che cartella sono?
Ultima modifica di Foto Utenteasdf il 15 apr 2012, 17:35, modificato 1 volta in totale.
Motivazione: Eliminata quotazione inutile. Premi il tasto "Rispondi" per rispondere.
Avatar utente
Foto UtenteELEKTROMILLMAN
13 2
 
Messaggi: 23
Iscritto il: 26 mar 2012, 19:41

4
voti

[4] Re: [Domanda veloce] Circuito in corrente continua

Messaggioda Foto UtenteLele_u_biddrazzu » 15 apr 2012, 17:35

Utilizzando le librerie di FidocadJ, come ti è stato consigliato da Foto UtenteOberoN, lo schema circuitale risulta essere decisamente più comprensibile e professionale di quello che hai postato (per questa volta lo schema lo faccio io per darti un esempio)...



Adesso dovresti dire come risolveresti il problema.
Attendiamo tue notizie :D

p.s. i resistori che cerchi si trovano dentro la cartella IHRAM 3.0.
Emanuele Lorina

- Chi lotta contro i mostri deve fare attenzione a non diventare lui stesso un mostro. E se tu riguarderai a lungo in un abisso, anche l'abisso vorrà guardare dentro di te (F. Nietzsche)
- Tavole della legge by admin
Avatar utente
Foto UtenteLele_u_biddrazzu
8.154 3 8 13
Master EY
Master EY
 
Messaggi: 1288
Iscritto il: 23 gen 2007, 16:13
Località: Modena

0
voti

[5] Re: [Domanda veloce] Circuito in corrente continua

Messaggioda Foto Utentemilan1996pato2 » 15 apr 2012, 17:46

R_{tot}=\tfrac{R1\cdot R2}{R1+R2}
I_{tot}=\tfrac{Ig}{Rtot}
V_{R1}=I_{tot}\cdot R1
V_{AB}=I_{tot}\cdot R_{tot}
I_{1}=\frac{V_{ab}}{R_{1}}

Scusate se mi intrometto ma il metodo che dico io è esatto ?? O_/
Avatar utente
Foto Utentemilan1996pato2
851 3 10 13
Sostenitore
Sostenitore
 
Messaggi: 1062
Iscritto il: 4 ago 2011, 17:42

0
voti

[6] Re: [Domanda veloce] Circuito in corrente continua

Messaggioda Foto UtenteLele_u_biddrazzu » 15 apr 2012, 17:50

No :!:
Emanuele Lorina

- Chi lotta contro i mostri deve fare attenzione a non diventare lui stesso un mostro. E se tu riguarderai a lungo in un abisso, anche l'abisso vorrà guardare dentro di te (F. Nietzsche)
- Tavole della legge by admin
Avatar utente
Foto UtenteLele_u_biddrazzu
8.154 3 8 13
Master EY
Master EY
 
Messaggi: 1288
Iscritto il: 23 gen 2007, 16:13
Località: Modena

2
voti

[7] Re: [Domanda veloce] Circuito in corrente continua

Messaggioda Foto UtenteOberoN » 15 apr 2012, 17:51

\text{I}_{tot}=\frac{\text{I}_g}{\text{R}_{tot}}? Ehm...
Tra l'altro, hai completamente dimenticato il generatore a destra...
Per usare un simulatore devi conoscere più elettronica di lui. [Foto UtenteIsidoroKZ]
40. There are two ways to write error-free programs; only the third one works.
[Alan J. Perlis, Epigrams on Programming]
Avatar utente
Foto UtenteOberoN
801 1 4 9
Stabilizzato
Stabilizzato
 
Messaggi: 483
Iscritto il: 12 feb 2011, 18:20
Località: 127.0.0.1

0
voti

[8] Re: [Domanda veloce] Circuito in corrente continua

Messaggioda Foto Utentemilan1996pato2 » 15 apr 2012, 17:52

in questo caso non si può usare ohm ? Scusate è che queste cose non le ho ancora fatte , però sembrava un semplice circuito con due resistenze O_/
Avatar utente
Foto Utentemilan1996pato2
851 3 10 13
Sostenitore
Sostenitore
 
Messaggi: 1062
Iscritto il: 4 ago 2011, 17:42

0
voti

[9] Re: [Domanda veloce] Circuito in corrente continua

Messaggioda Foto Utentemilan1996pato2 » 15 apr 2012, 17:53

Quindi bisognerebbe usare una specie di sovrapposizione degli effetti ?
Avatar utente
Foto Utentemilan1996pato2
851 3 10 13
Sostenitore
Sostenitore
 
Messaggi: 1062
Iscritto il: 4 ago 2011, 17:42

2
voti

[10] Re: [Domanda veloce] Circuito in corrente continua

Messaggioda Foto UtenteLele_u_biddrazzu » 15 apr 2012, 17:59

Non c'è nulla da sovrapporre :mrgreen:
Siamo in presenza di un solo generatore di corrente (l'altro è pilotato).
Emanuele Lorina

- Chi lotta contro i mostri deve fare attenzione a non diventare lui stesso un mostro. E se tu riguarderai a lungo in un abisso, anche l'abisso vorrà guardare dentro di te (F. Nietzsche)
- Tavole della legge by admin
Avatar utente
Foto UtenteLele_u_biddrazzu
8.154 3 8 13
Master EY
Master EY
 
Messaggi: 1288
Iscritto il: 23 gen 2007, 16:13
Località: Modena

Prossimo

Torna a Elettrotecnica generale

Chi c’è in linea

Visitano il forum: Nessuno e 91 ospiti