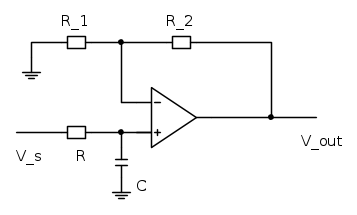
Ho questo circuito
e il problema mi dice di trovare lo sfasamento tra segnale di uscita e segnale di ingresso e l'amplificazione del circuito.
Cercando in giro ho trovato che in questa configurazione l'operazionale non dovrebbe portare sfasamento, pero' non sono convinto che sia cosi', dato che al pin +, risolvendo la maglia associata, trovo che
ha uno sfasamento di
, il che tornerebbe con uno dei risultati possibili ed in piu' mi sembrerebbe anche logico (a causa della presenza del condensatore).Per quanto riguarda la seconda domanda (l'amplificazione) applico la formula banale
ma, ovviamente, non torna ...
Elettrotecnica e non solo (admin)
Un gatto tra gli elettroni (IsidoroKZ)
Esperienza e simulazioni (g.schgor)
Moleskine di un idraulico (RenzoDF)
Il Blog di ElectroYou (webmaster)
Idee microcontrollate (TardoFreak)
PICcoli grandi PICMicro (Paolino)
Il blog elettrico di carloc (carloc)
DirtEYblooog (dirtydeeds)
Di tutto... un po' (jordan20)
AK47 (lillo)
Esperienze elettroniche (marco438)
Telecomunicazioni musicali (clavicordo)
Automazione ed Elettronica (gustavo)
Direttive per la sicurezza (ErnestoCappelletti)
EYnfo dall'Alaska (mir)
Apriamo il quadro! (attilio)
H7-25 (asdf)
Passione Elettrica (massimob)
Elettroni a spasso (guidob)
Bloguerra (guerra)












