ultrek ha scritto:L'unica cosa che non ho capito è come hai fatto a calcolarti la corrente nell'amperometro.
Usando la relazione generale gia' postata in [7]

che usata per la stella equilibrata porta a scrivere la seguente KCL

per sicurezza si puo' provare a risolvere anche con
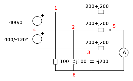
Circe2010, ridisegnando e nominando i nodi della rete come segue
si inseriscono i parametri di lato nelle colonne A,B,C,D ed E,
(
http://www.electroyou.it/renzodf/wiki/articolo24) ottenendo come soluzione

- trif.gif (96.12 KiB) Osservato 4087 volte
NB devono essere abilitate le macro.
... e come potrebbe mancare un tutorial di ripasso con LTspice?
La simulazione in AC e' effettuata ad una frequenza {1/(2*pi)} in modo da avere una pulsazione unitaria e poter scrivere, le reattanze induttive pari alle induttanze e le reattanze capacitive pari all'inverso delle capacita'.
Per rispondere ai quesiti del problema (IA,PR, I2) si usano tre GIT di f.e.m. nulla come surrogato degli amperometri e tre direttive spice di misura
.meas

- 2012-04-04_122905.jpg (52.38 KiB) Osservato 4071 volte
al run avremo i risultato in forma fasoriale polare

- 2012-04-04_122948.jpg (81.84 KiB) Osservato 4071 volte
e con un CTR-L visualizzeremo lo SPICE Error Log con i valori di IA, PR e I2

- 2012-04-04_123056.jpg (18.4 KiB) Osservato 4071 volte