Buonasera,
avrei la necessità di costruire un interruttore a sfioramento per azionare un relè.
Ho visto i vari integrati Atmel QT10XX, ma hanno un package troppo piccolo per le mie abilità.
Ora chiedo a Voi, c'è qualche altro integrato che può svolgere il suddetto compito (dalle dimensioni "umane") ?
Anche a componenti discreti, se possibile..tipo NE555
Confido in Voi.
Interruttore touch
Moderatori:
carloc,
g.schgor,
BrunoValente,
IsidoroKZ
21 messaggi
• Pagina 1 di 3 • 1, 2, 3
0
voti
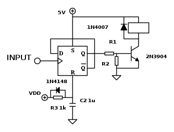
Allora non ti serve un 555, a mio parere, ma un flip flop D come un 74HC74, qualcosa come questo.
Come relé puoi usare uno di quelli che hanno la tensione nominale della bobina di 6V, 5V bastano.
La connessione di INPUT è da determinare perché bisogna sapere come vuoi attivare il circuito. Con un interruttore? Chiarisci questo dettaglio.
Se ci sono sviste particolari chiedo scusa
, c'è Chelsea - Barça.. 
Come relé puoi usare uno di quelli che hanno la tensione nominale della bobina di 6V, 5V bastano.
La connessione di INPUT è da determinare perché bisogna sapere come vuoi attivare il circuito. Con un interruttore? Chiarisci questo dettaglio.
Se ci sono sviste particolari chiedo scusa
0
voti
Si, usando un touch switch..
Vedi ad esempio qui. Prima di dire OK consiglio sempre di fare una prova...
Vedi ad esempio qui. Prima di dire OK consiglio sempre di fare una prova...
0
voti
Non so se possa andare bene per le tue esigenze (non ho ancora capito bene cosa ti serve) :
Sul pin 3, e' da aggiungere il BJT e la parte rele' gia' disegnata da [user]gohan[/user]; la bobina dovrebbe eccitarsi al tocco del sensore e diseccitarsi al secondo contatto.
Il circuito tratteggiato e' da aggiungere qualora si rilevasse poca sensibilita' (e quindi incertezza nell'azione) del sensore.
Sul pin 3, e' da aggiungere il BJT e la parte rele' gia' disegnata da [user]gohan[/user]; la bobina dovrebbe eccitarsi al tocco del sensore e diseccitarsi al secondo contatto.
Il circuito tratteggiato e' da aggiungere qualora si rilevasse poca sensibilita' (e quindi incertezza nell'azione) del sensore.
marco
21 messaggi
• Pagina 1 di 3 • 1, 2, 3
Chi c’è in linea
Visitano il forum: Nessuno e 127 ospiti

Elettrotecnica e non solo (admin)
Un gatto tra gli elettroni (IsidoroKZ)
Esperienza e simulazioni (g.schgor)
Moleskine di un idraulico (RenzoDF)
Il Blog di ElectroYou (webmaster)
Idee microcontrollate (TardoFreak)
PICcoli grandi PICMicro (Paolino)
Il blog elettrico di carloc (carloc)
DirtEYblooog (dirtydeeds)
Di tutto... un po' (jordan20)
AK47 (lillo)
Esperienze elettroniche (marco438)
Telecomunicazioni musicali (clavicordo)
Automazione ed Elettronica (gustavo)
Direttive per la sicurezza (ErnestoCappelletti)
EYnfo dall'Alaska (mir)
Apriamo il quadro! (attilio)
H7-25 (asdf)
Passione Elettrica (massimob)
Elettroni a spasso (guidob)
Bloguerra (guerra)





