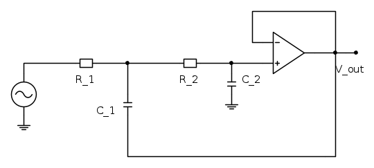
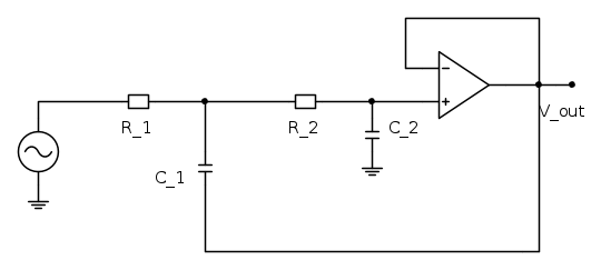
e il testo mi chiede: "sapendo i valori di R,
trovare il rapporto di amplificazione tra il valore efficace della tensione di output
e quello della tensione di input
e l'impedenza d'ingresso del circuito vista dal generatore di tensione"Probabilmente c'è un modo molto semplice di vedere questo circuito, io non lo trovo, ho scritto le maglie e, ovviamente, non ne vengo fuori! le equazioni che ho scritto sono queste:

dopodicchè boh... ogni volta che provo a risolvere questo sistema mi si incorciano gli occhi.
Ma almeno è giusto o sto facendo un conto a vuoto? e soprattutto: c'è un modo di risolvere questo sistema di 6 equazioni??
Grazie mille ...
P.S.: ovviamente il funzionamento è lineare e l'operazionale non va mai in saturazione!

Elettrotecnica e non solo (admin)
Un gatto tra gli elettroni (IsidoroKZ)
Esperienza e simulazioni (g.schgor)
Moleskine di un idraulico (RenzoDF)
Il Blog di ElectroYou (webmaster)
Idee microcontrollate (TardoFreak)
PICcoli grandi PICMicro (Paolino)
Il blog elettrico di carloc (carloc)
DirtEYblooog (dirtydeeds)
Di tutto... un po' (jordan20)
AK47 (lillo)
Esperienze elettroniche (marco438)
Telecomunicazioni musicali (clavicordo)
Automazione ed Elettronica (gustavo)
Direttive per la sicurezza (ErnestoCappelletti)
EYnfo dall'Alaska (mir)
Apriamo il quadro! (attilio)
H7-25 (asdf)
Passione Elettrica (massimob)
Elettroni a spasso (guidob)
Bloguerra (guerra)





), mentre i corrispondenti fasori, trasformate ecc. vengono denotate con lettere maiuscole 
instead of
(Anonimo).
ain't
, right?
in lieu of
.
for
arithm.










uso
cosi` ad esempio l'impedenza di un condensatore viene
.

da` la corrente di ingresso, che e`