vanny ha scritto:A me serve solo che quando tocco, il relè si ecciti e resti eccitato fino al prossimo tocco..(toggle mode?)
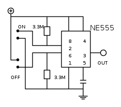
Quindi lo schema prima postato non va bene perche eccita il rele' solo per pochi secondi; comunque con il 555 si puo' fare questo:
Nel caso i sensori dovrebbero pero' essere quattro, da toccare a due a due,al fine di eccitare o diseccitare il rele'.

Elettrotecnica e non solo (admin)
Un gatto tra gli elettroni (IsidoroKZ)
Esperienza e simulazioni (g.schgor)
Moleskine di un idraulico (RenzoDF)
Il Blog di ElectroYou (webmaster)
Idee microcontrollate (TardoFreak)
PICcoli grandi PICMicro (Paolino)
Il blog elettrico di carloc (carloc)
DirtEYblooog (dirtydeeds)
Di tutto... un po' (jordan20)
AK47 (lillo)
Esperienze elettroniche (marco438)
Telecomunicazioni musicali (clavicordo)
Automazione ed Elettronica (gustavo)
Direttive per la sicurezza (ErnestoCappelletti)
EYnfo dall'Alaska (mir)
Apriamo il quadro! (attilio)
H7-25 (asdf)
Passione Elettrica (massimob)
Elettroni a spasso (guidob)
Bloguerra (guerra)







