Ma questo paragrafo riguarda tutti gli inverter (o meglio le PI) o solo quelli allacciati in MT sopra i 50 kWp?
saluti
Regole di Connessione (CEI 0-21)
Moderatori:
sebago,
MASSIMO-G,
lillo,
Mike
0
voti
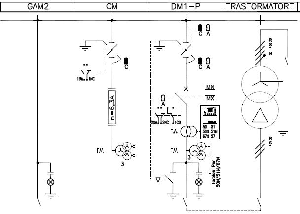
Ecco lo schema unifilare del quadro MT ricezione del mio impianto. DG coincidente con DDI. In caso di sostituzione del relè di protezione d'interfaccia con uno conforme alle nuove direttive, è possibile nel mio caso utilizzare i TV della 67N?
- Allegati
-
- Quadro MT.JPG (42.24 KiB) Osservato 5292 volte
-

krimad87
-2 4 - CRU - Account cancellato su Richiesta utente
- Messaggi: 52
- Iscritto il: 9 dic 2011, 12:03
0
voti
scusa ma come schema mi sembra abbastanza strano...il DG immagino sia l'interruttore della cella DM1P, si cede solo il PG e non la protezione di interfaccia, comunque nella cella CM mancano i due TV fase fase, non si puo alimentare l'interfaccia con i tre tv fase terra ivi contenuti, al limite da li si puo prendere il segnale della 59N, a quel punto i TV posti a valle dell'interruttore sono inutili
temo sia il silito schema fatto da rappresentanti schneider e non da progettisti oppure un progettista che ha preso per buono lo schemino fatto dal rappresentatnte
temo sia il silito schema fatto da rappresentanti schneider e non da progettisti oppure un progettista che ha preso per buono lo schemino fatto dal rappresentatnte
0
voti
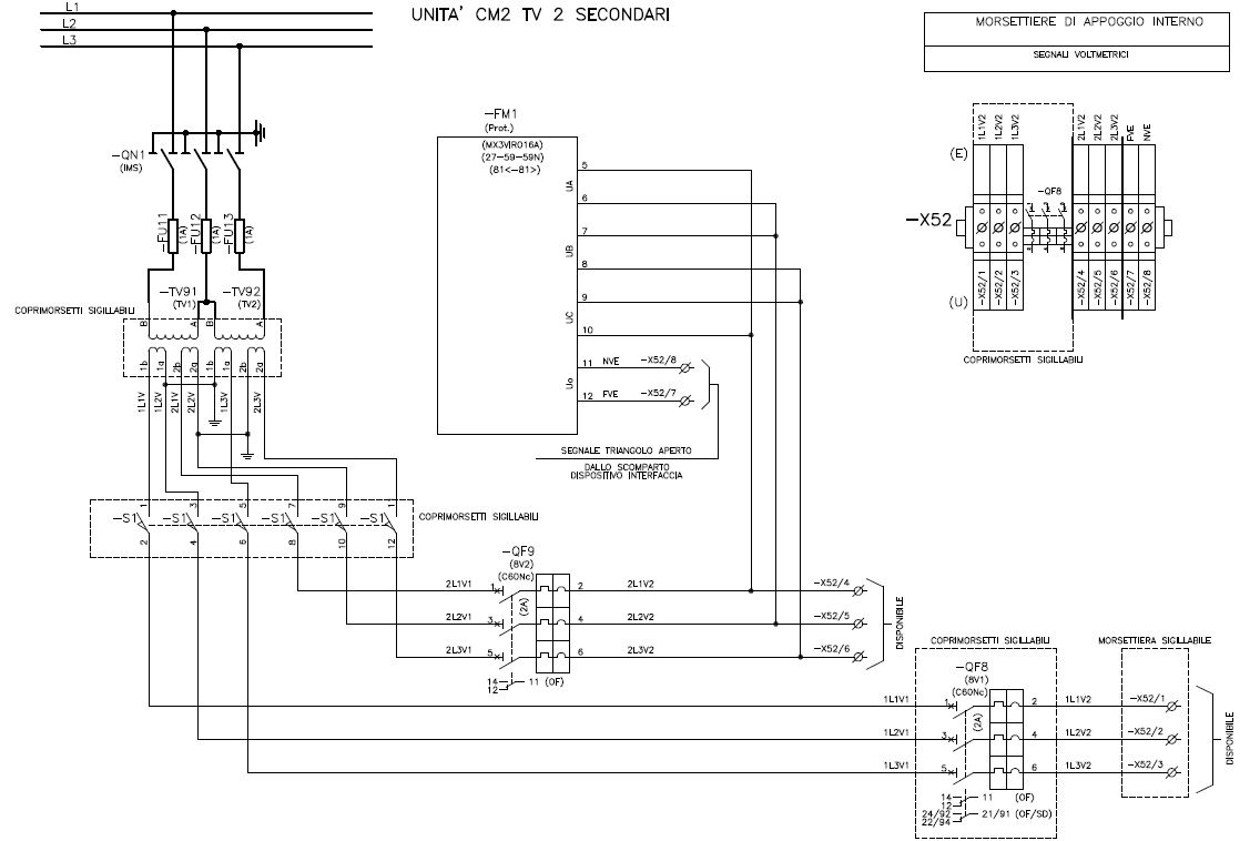
Mmm, i quadri MT e i relativi cablaggi ce li hanno fatti la ditta che ci ha fornito il materiale, comunque riporto sempre qui uno schema più dettagliato della cella CM2:
Ultima modifica di
Lele_u_biddrazzu il 23 mag 2012, 21:42, modificato 1 volta in totale.
Motivazione: Inserita immagine in linea con il testo.
Motivazione: Inserita immagine in linea con il testo.
-

krimad87
-2 4 - CRU - Account cancellato su Richiesta utente
- Messaggi: 52
- Iscritto il: 9 dic 2011, 12:03
Torna a Impianti, sicurezza e quadristica
Chi c’è in linea
Visitano il forum: Nessuno e 24 ospiti

Elettrotecnica e non solo (admin)
Un gatto tra gli elettroni (IsidoroKZ)
Esperienza e simulazioni (g.schgor)
Moleskine di un idraulico (RenzoDF)
Il Blog di ElectroYou (webmaster)
Idee microcontrollate (TardoFreak)
PICcoli grandi PICMicro (Paolino)
Il blog elettrico di carloc (carloc)
DirtEYblooog (dirtydeeds)
Di tutto... un po' (jordan20)
AK47 (lillo)
Esperienze elettroniche (marco438)
Telecomunicazioni musicali (clavicordo)
Automazione ed Elettronica (gustavo)
Direttive per la sicurezza (ErnestoCappelletti)
EYnfo dall'Alaska (mir)
Apriamo il quadro! (attilio)
H7-25 (asdf)
Passione Elettrica (massimob)
Elettroni a spasso (guidob)
Bloguerra (guerra)



