Calcolo tensione in uscita : esercizio
Moderatori:
carloc,
g.schgor,
BrunoValente,
IsidoroKZ
7 messaggi
• Pagina 1 di 1
0
voti
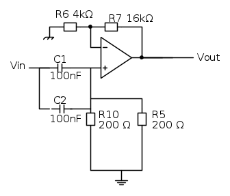
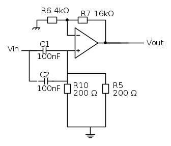
Dato lo schema seguente calcolare la Vout/Vin, trovare la frequenza di taglio, e il valore di picco della tensione in uscita alla frequenza di 800 Hz, quando in ingresso viene applicato un segnale Vin=0,5sin( ωt).Se in ingresso viene applicato un segnale continuo di 0,5V, che tensione si trova in uscita?grazie a chi mi aiuterà!
Ultima modifica di
asdf il 22 apr 2012, 19:52, modificato 1 volta in totale.
Motivazione: Modificato il titolo in modo che sia maggiormente significativo.
Motivazione: Modificato il titolo in modo che sia maggiormente significativo.
0
voti
angelsanct ha scritto:Come procederesti?
Inizierei dicendo che è un filtro passa alto.Poi troverei la ω=2πf=2*3,14*800=5026,6
Trovato questo trovo la Xc1 facendo 1/ωC1=1989ω
Poi dopo non saprei cosa fare...tu cosa faresti?vanno bene questi due passaggi?
1
voti
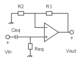
Il circuito da te postato dovrebbe essere il seguente...
La funzione di rete Vout/Vin dovrebbe risultare...

quindi la frequenza di taglio è pari a

Nella speranza di non aver detto cavolate, mi auguro di esserti stato di aiuto
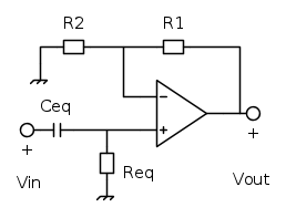
La funzione di rete Vout/Vin dovrebbe risultare...

quindi la frequenza di taglio è pari a

Nella speranza di non aver detto cavolate, mi auguro di esserti stato di aiuto

Emanuele Lorina
- Chi lotta contro i mostri deve fare attenzione a non diventare lui stesso un mostro. E se tu riguarderai a lungo in un abisso, anche l'abisso vorrà guardare dentro di te (F. Nietzsche)
- Tavole della legge by admin
- Chi lotta contro i mostri deve fare attenzione a non diventare lui stesso un mostro. E se tu riguarderai a lungo in un abisso, anche l'abisso vorrà guardare dentro di te (F. Nietzsche)
- Tavole della legge by admin
-

Lele_u_biddrazzu
8.154 3 8 13 - Master EY

- Messaggi: 1288
- Iscritto il: 23 gen 2007, 16:13
- Località: Modena
0
voti
Da link
"This first-order high pass filter, consists simply of a passive filter followed by a non-inverting amplifier. The frequency response of the circuit is the same as that of the passive filter, except that the amplitude of the signal is increased by the gain of the amplifier."
C1 e C2 sono in parallelo tra di loro, così come R5 ed R10, risolverei quello e farei il calcolo secondo la formula.
"This first-order high pass filter, consists simply of a passive filter followed by a non-inverting amplifier. The frequency response of the circuit is the same as that of the passive filter, except that the amplitude of the signal is increased by the gain of the amplifier."
C1 e C2 sono in parallelo tra di loro, così come R5 ed R10, risolverei quello e farei il calcolo secondo la formula.
7 messaggi
• Pagina 1 di 1
Chi c’è in linea
Visitano il forum: Nessuno e 177 ospiti

Elettrotecnica e non solo (admin)
Un gatto tra gli elettroni (IsidoroKZ)
Esperienza e simulazioni (g.schgor)
Moleskine di un idraulico (RenzoDF)
Il Blog di ElectroYou (webmaster)
Idee microcontrollate (TardoFreak)
PICcoli grandi PICMicro (Paolino)
Il blog elettrico di carloc (carloc)
DirtEYblooog (dirtydeeds)
Di tutto... un po' (jordan20)
AK47 (lillo)
Esperienze elettroniche (marco438)
Telecomunicazioni musicali (clavicordo)
Automazione ed Elettronica (gustavo)
Direttive per la sicurezza (ErnestoCappelletti)
EYnfo dall'Alaska (mir)
Apriamo il quadro! (attilio)
H7-25 (asdf)
Passione Elettrica (massimob)
Elettroni a spasso (guidob)
Bloguerra (guerra)




