sto mettendo le mani sull'elettronica di un organo hammond e-312. trattasi di una console di inizio anni 70, con ancora il generatore elettrofonico e gran parte dell'elettr<onica a valvole.
Il problema che riscontravo è che l'uscita al pin 9 (marcata 22v), dava in realtà una tensione nulla. Questa tensione funge da alimentazione per altre sezioni dell'organo. Allego qualche foto dell'amplificatore, per dare un'idea di ciò che mi trovo sotto le mani. Ho scoperto che D301 è in corto. Ecco un'immagine del diodo
Dall'immagine non si vede granché, anche perché il diodo stesso è rovinato, e le scritte non ben leggibili, comunque sul diodo è scritto : " 2303-1" .
Immagini di diodi simili si trovano qui : http://www.ebay.com/itm/2303-3-6-8-VOLT ... 0774780587
Ho trovato poco o niente sul diodo 2303-1 , ma questo documento della stessa Hammond lo descrive come uno Zener da 20V.
Dunque, per rimpiazzarlo, devo usare uno Zener da 20V oppure da 22V come suggerirebbe lo schema, indicando la tensione di 22V ?
diodo in amplificatore a valvole
Moderatori:
carloc,
g.schgor,
BrunoValente,
IsidoroKZ
8 messaggi
• Pagina 1 di 1
0
voti
inoltre, gli schemi completi in allegato
- Allegati
-
e100 schems_part2.zip- (334.34 KiB) Scaricato 286 volte
-
e100 schems_part1.zip- (426.43 KiB) Scaricato 248 volte
-

oromoiluig
25 1 2 6 - Frequentatore

- Messaggi: 280
- Iscritto il: 17 ott 2009, 16:35
0
voti
Io non sono un esperto di alimentatori stabilizzati e cose del genere ma credo che sia meglio seguire lo schema e quindi utilizzare uno zenere da 22V (in ogni caso, non so che circuiti vanno ad alimentare quei 22V ma non credo che due volt facciano una grande differenza, alla fine c'è sempre una tolleranza).
Spero di non aver scritto cavolate.
PS:complimenti per l'acquisto, davvero.
Io un Hammond vero non c'è l'ho (e probabilmente non lo avrò mai) e mi devo accontentare di un clone della Hammond-Suzuki, l'XB1.
Spero di non aver scritto cavolate.
PS:complimenti per l'acquisto, davvero.
Io un Hammond vero non c'è l'ho (e probabilmente non lo avrò mai) e mi devo accontentare di un clone della Hammond-Suzuki, l'XB1.0
voti
grazie. inoltre con il circuito così com'è , la tensione al pin 7 dei due pentodi è 50V DC invece che i 30V scritti negli schemi, ma così a occhio, mettenedo lo zener poi andrà a posto, qualcuno me lo può confermare?
Hammondx
a volte è solo questione di volerlo, queso organo è costato 1000€, e l' L100 che ho 1050€, sono prezzi molto più bassi di quelli della maggior parte dei cloni in circolazione(e anche dell'XB1 nuovo, se ben ricordo), certo questi sono pesanti e per andare a suonare fuori hai bisogno di un furgoncino, ma non è impossibile. Se poi suoni solo a casa, non hai scuse: stai all'occhio nei mercatini dell'usato e vedi che un elettrofonico lo porti a casa per relativamente poco
Hammondx ha scritto:PS:complimenti per l'acquisto, davvero. Io un Hammond vero non c'è l'ho (e probabilmente non lo avrò mai) e mi devo accontentare di un clone della Hammond-Suzuki, l'XB1.
a volte è solo questione di volerlo, queso organo è costato 1000€, e l' L100 che ho 1050€, sono prezzi molto più bassi di quelli della maggior parte dei cloni in circolazione(e anche dell'XB1 nuovo, se ben ricordo), certo questi sono pesanti e per andare a suonare fuori hai bisogno di un furgoncino, ma non è impossibile. Se poi suoni solo a casa, non hai scuse: stai all'occhio nei mercatini dell'usato e vedi che un elettrofonico lo porti a casa per relativamente poco
-

oromoiluig
25 1 2 6 - Frequentatore

- Messaggi: 280
- Iscritto il: 17 ott 2009, 16:35
0
voti
Fossi in te ci andrei cauto con i giudizi ed aspetterei il parere di qualcuno che veramente conosce quel tipo di circuito.
Il solo fatto che la tensione sia 50V invece di 30V, potrebbe essere il motivo per cui lo zener e' defunto; e comunque non mi sembra normale che sia cosi'.

Il solo fatto che la tensione sia 50V invece di 30V, potrebbe essere il motivo per cui lo zener e' defunto; e comunque non mi sembra normale che sia cosi'.

marco
0
voti
Sì effettivamente a un calcolo più preciso, la potenza dissipata sullo zener risulta troppo alta (3.85W circa, se non ho sbagliato i calcoli) se la tensione ai pin 7 dei pentodi restasse fissa a 50V. Comunque credo che si abbassi, a ogni modo domani compro un po'di zener e provo: alla peggio vanno in corto come l'originale. Se qualcuno intanto viene fuori con qualche soluzione a ragion veduta, sono tutto orecchi!
-

oromoiluig
25 1 2 6 - Frequentatore

- Messaggi: 280
- Iscritto il: 17 ott 2009, 16:35
3
voti
è poi andata a finire che ho sostituito lo zener e tutto è andato al proprio posto. probabilmente era defunto o per una sovratensione momentanea o per età, 40 anni sono tanti anche per un semiconduttore così piccolo.
Comunque riporto alcuni ragionamenti:
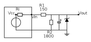
posto che non so niente di valvole, ho pensato di poter approssimare la tensione presente ai pin 7 delle due valvole e R368 e R369 come un generatore di tensione Vcc con in serie una resistenza da 150ohm(parallelo di R368 e R369). Resta incognita la resistenza interna del generatore. Per calcolarla, ho utilizzato le tensioni che ho avuto modo di osservate:
con lo zener in corto, Vin=9V, senza zener Vin=50V, rimuovendo oltre allo zener anche R2, Vin= 80V. Dunque ho ipotizzato Vcc=80V (tensione a circuito aperto)
Considerando che con lo zener in corto, Vin=9V e Vout=0, doveva essere Vin=9V=Vcc*R1/(R1+Ri), da cui Ri=Vcc*R1/Vin-R1=1183ohm .
Per verificare empiricamente che la modellazione avesse senso, ho utilizzato questo valore nella osservazione senza lo zener (Vin=50V) : qui Vin=Vcc*(R2+R1)/(R2+R1+Ri) , da cui Ri=Vcc*(R1+R2)/Vin - R1 - R2=1170ohm , abbastanza vicino al valore calcolato precedentemente.
Da ultimo, per fare una previsione su ciò che sarebbe accaduto inserendo uno zener funzionante nel circuito, ho considerato i valori di Ri=~1180ohm e Vcc=80V e Vout=22V(tensione di zener) finora trovati per calcolare Vin:
Ii = I1 = (Vcc-Vout)/(Ri+R1) = 58V/1320ohm = 0.044mA. Questa corrente causerebbe su R1 una caduta di tensione Vin-Vout=R1*I1=6.6V , abbastanza vicina agli 8V riportati nello schema.
Da notare che stando ai valori riportati nello schema originale, Vout-Vin=8V, e I1=(Vout-Vin)/R1=8V/150ohm=53mA ; di questi I2=Vout/R2=22V/1800ohm=12mA fluiscono attraverso R2, gli altri Iz=41mA fluiscono - quando nulla è collegato all'uscita - attraverso lo zener. La potenza dissipata dallo zener è dunque Iz*Vz=41mA*22V=0.9W . Dunque se nulla è collegato all'uscita, la potenza dissipata sul diodo è molto prossima al valore nominale di 1W, che potrebbe aggiungersi alla vecchiaia tra i motivi che ne hanno causato il cedimento.
Dopo tutte queste considerazioni ho inserito il nuovo zener nel circuito in sostituzione del vecchio, ed ero abbastanza confidente che tutto avrebbe funzionato, e difatti così è stato.
grazie a tutti dei consigli
e mi riservo un giorno o l'altro di imparare qualcosa sulle valvole
Comunque riporto alcuni ragionamenti:
posto che non so niente di valvole, ho pensato di poter approssimare la tensione presente ai pin 7 delle due valvole e R368 e R369 come un generatore di tensione Vcc con in serie una resistenza da 150ohm(parallelo di R368 e R369). Resta incognita la resistenza interna del generatore. Per calcolarla, ho utilizzato le tensioni che ho avuto modo di osservate:
con lo zener in corto, Vin=9V, senza zener Vin=50V, rimuovendo oltre allo zener anche R2, Vin= 80V. Dunque ho ipotizzato Vcc=80V (tensione a circuito aperto)
Considerando che con lo zener in corto, Vin=9V e Vout=0, doveva essere Vin=9V=Vcc*R1/(R1+Ri), da cui Ri=Vcc*R1/Vin-R1=1183ohm .
Per verificare empiricamente che la modellazione avesse senso, ho utilizzato questo valore nella osservazione senza lo zener (Vin=50V) : qui Vin=Vcc*(R2+R1)/(R2+R1+Ri) , da cui Ri=Vcc*(R1+R2)/Vin - R1 - R2=1170ohm , abbastanza vicino al valore calcolato precedentemente.
Da ultimo, per fare una previsione su ciò che sarebbe accaduto inserendo uno zener funzionante nel circuito, ho considerato i valori di Ri=~1180ohm e Vcc=80V e Vout=22V(tensione di zener) finora trovati per calcolare Vin:
Ii = I1 = (Vcc-Vout)/(Ri+R1) = 58V/1320ohm = 0.044mA. Questa corrente causerebbe su R1 una caduta di tensione Vin-Vout=R1*I1=6.6V , abbastanza vicina agli 8V riportati nello schema.
Da notare che stando ai valori riportati nello schema originale, Vout-Vin=8V, e I1=(Vout-Vin)/R1=8V/150ohm=53mA ; di questi I2=Vout/R2=22V/1800ohm=12mA fluiscono attraverso R2, gli altri Iz=41mA fluiscono - quando nulla è collegato all'uscita - attraverso lo zener. La potenza dissipata dallo zener è dunque Iz*Vz=41mA*22V=0.9W . Dunque se nulla è collegato all'uscita, la potenza dissipata sul diodo è molto prossima al valore nominale di 1W, che potrebbe aggiungersi alla vecchiaia tra i motivi che ne hanno causato il cedimento.
Dopo tutte queste considerazioni ho inserito il nuovo zener nel circuito in sostituzione del vecchio, ed ero abbastanza confidente che tutto avrebbe funzionato, e difatti così è stato.
grazie a tutti dei consigli
e mi riservo un giorno o l'altro di imparare qualcosa sulle valvole
-

oromoiluig
25 1 2 6 - Frequentatore

- Messaggi: 280
- Iscritto il: 17 ott 2009, 16:35
8 messaggi
• Pagina 1 di 1
Chi c’è in linea
Visitano il forum: Nessuno e 43 ospiti

Elettrotecnica e non solo (admin)
Un gatto tra gli elettroni (IsidoroKZ)
Esperienza e simulazioni (g.schgor)
Moleskine di un idraulico (RenzoDF)
Il Blog di ElectroYou (webmaster)
Idee microcontrollate (TardoFreak)
PICcoli grandi PICMicro (Paolino)
Il blog elettrico di carloc (carloc)
DirtEYblooog (dirtydeeds)
Di tutto... un po' (jordan20)
AK47 (lillo)
Esperienze elettroniche (marco438)
Telecomunicazioni musicali (clavicordo)
Automazione ed Elettronica (gustavo)
Direttive per la sicurezza (ErnestoCappelletti)
EYnfo dall'Alaska (mir)
Apriamo il quadro! (attilio)
H7-25 (asdf)
Passione Elettrica (massimob)
Elettroni a spasso (guidob)
Bloguerra (guerra)


