Buona sera a tutti. Vorrei chiedere un consiglio, ho un piccolo problema derivante dalla rete elettrica che spesso oltrepassa i 245 volt causando la bruciatura di qualche lampadina a led. Ho acquistato un autotrasformatore ma la tensione è molto lontana dalla 230 volt in quanto l'ingresso è per la tensione 260 volt con uscita a 220.
Ho usato infatti questa però essendo la tensione di ingresso attorno a 240 invece di avere in uscita 220 volt ne ho 200. E' vero che ho risolto il problema delle lampadine che si bruciavano, però non hanno più quella bella luce intensa. Vorrei chiedere come potrei risolvere senza dover spendere troppi soldi e potermi avvicinare alla soglia dei 220 volt. Ringrazio.
abbassare tensione di rete
Moderatori:
sebago,
MASSIMO-G,
lillo,
Mike
14 messaggi
• Pagina 1 di 2 • 1, 2
0
voti
Che potenza vuoi regolare?
Hai provato a sentire il fornitore di energia? Ci sono dei limiti di tensione da rispettare.
Hai provato a sentire il fornitore di energia? Ci sono dei limiti di tensione da rispettare.
Per usare proficuamente un simulatore, bisogna sapere molta più elettronica di lui
Plug it in - it works better!
Il 555 sta all'elettronica come Arduino all'informatica! (entrambi loro malgrado)
Se volete risposte rispondete a tutte le mie domande
Plug it in - it works better!
Il 555 sta all'elettronica come Arduino all'informatica! (entrambi loro malgrado)
Se volete risposte rispondete a tutte le mie domande
3
voti
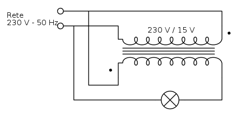
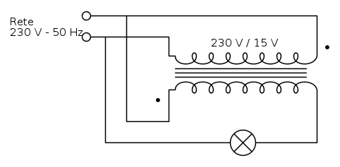
Prendi un trasformatore da 230V-18V o anche 15V potenza 20-30VA. Colleghi il primario alla rete, in parallelo, e il secondario in serie alla rete, con il verso che la tensione del secondario si sottragga alla tensione di rete. E con questa tensione vai ad alimentare le lampade. Se trovassi un trasformatore con secondario a 15V e presa a 10V potresti fare una regolazione fine della tensione che ottieni.
Oppure prendi un vecchio regolatore di tensione per televisori (regolatore a ferro saturo) e spera che vada bene.
Oppure prendi un vecchio regolatore di tensione per televisori (regolatore a ferro saturo) e spera che vada bene.
Per usare proficuamente un simulatore, bisogna sapere molta più elettronica di lui
Plug it in - it works better!
Il 555 sta all'elettronica come Arduino all'informatica! (entrambi loro malgrado)
Se volete risposte rispondete a tutte le mie domande
Plug it in - it works better!
Il 555 sta all'elettronica come Arduino all'informatica! (entrambi loro malgrado)
Se volete risposte rispondete a tutte le mie domande
1
voti
Se i circuiti dell'impianto permettono una separazione, puoi intraprendere la direzione individuata da
IsidoroKZ. Però non sempre è fattibile: le lampade sono magari sparse per la casa ed il circuito è unico per tutti.
Ma sei realmente sicuro che queste lampade non siano un poco scarse? Certo a 200 V non bruciano, ma bruciare a 245 V, rispetto ai 230 V di normale funzionamento, induce a pensar male...
Ma sei realmente sicuro che queste lampade non siano un poco scarse? Certo a 200 V non bruciano, ma bruciare a 245 V, rispetto ai 230 V di normale funzionamento, induce a pensar male...
-

Candy
32,5k 7 10 13 - CRU - Account cancellato su Richiesta utente
- Messaggi: 10123
- Iscritto il: 14 giu 2010, 22:54
0
voti
Quella del trasformatore non l'ho capita...il trasformatore col secondario da 15 o 18 ce l'avrei, ma non ho capito bene i collegamenti da fare.
Per quanto riguarda le lampadine " scarse" credo che lo siano, in quanto le ho acquistate in un negozio cinese, comunque sia le lampadine a led sono un po' delicate per quanto riguarda la tensione oltre il lmide, forse quelle di marca sono più resistenti, ma queste le ho pagate 6,00 euro l'una. (3 watt).
Per quanto riguarda le lampadine " scarse" credo che lo siano, in quanto le ho acquistate in un negozio cinese, comunque sia le lampadine a led sono un po' delicate per quanto riguarda la tensione oltre il lmide, forse quelle di marca sono più resistenti, ma queste le ho pagate 6,00 euro l'una. (3 watt).
0
voti
Sempre + spesso leggiamno di queste famigerate tensioni a sfioro verso la soglia di guardia di 245VAC.
Ora, se prendiamo in considerazione le leggi che dominano l'elettrotecnica, ci rendiamo conto che, probabilemte si tratta del solioto problema in cabina MT/BT di zona, ove non sono state azionate le spire aggiuntive sul trafo, oppure, energia reattiva in eccesso immessa in rete in loco o vicino ad esso, che produce sovratensioni fuori norma...
Quale delle due...'??
Ora, se prendiamo in considerazione le leggi che dominano l'elettrotecnica, ci rendiamo conto che, probabilemte si tratta del solioto problema in cabina MT/BT di zona, ove non sono state azionate le spire aggiuntive sul trafo, oppure, energia reattiva in eccesso immessa in rete in loco o vicino ad esso, che produce sovratensioni fuori norma...
Quale delle due...'??
1
voti
Per usare proficuamente un simulatore, bisogna sapere molta più elettronica di lui
Plug it in - it works better!
Il 555 sta all'elettronica come Arduino all'informatica! (entrambi loro malgrado)
Se volete risposte rispondete a tutte le mie domande
Plug it in - it works better!
Il 555 sta all'elettronica come Arduino all'informatica! (entrambi loro malgrado)
Se volete risposte rispondete a tutte le mie domande
14 messaggi
• Pagina 1 di 2 • 1, 2
Torna a Impianti, sicurezza e quadristica
Chi c’è in linea
Visitano il forum: Nessuno e 191 ospiti

Elettrotecnica e non solo (admin)
Un gatto tra gli elettroni (IsidoroKZ)
Esperienza e simulazioni (g.schgor)
Moleskine di un idraulico (RenzoDF)
Il Blog di ElectroYou (webmaster)
Idee microcontrollate (TardoFreak)
PICcoli grandi PICMicro (Paolino)
Il blog elettrico di carloc (carloc)
DirtEYblooog (dirtydeeds)
Di tutto... un po' (jordan20)
AK47 (lillo)
Esperienze elettroniche (marco438)
Telecomunicazioni musicali (clavicordo)
Automazione ed Elettronica (gustavo)
Direttive per la sicurezza (ErnestoCappelletti)
EYnfo dall'Alaska (mir)
Apriamo il quadro! (attilio)
H7-25 (asdf)
Passione Elettrica (massimob)
Elettroni a spasso (guidob)
Bloguerra (guerra)





