Cos'è ElectroYou | Login Iscriviti

ElectroYou - la comunità dei professionisti del mondo elettrico

Es. Sovrapposizione degli Effetti

Circuiti, campi elettromagnetici e teoria delle linee di trasmissione e distribuzione dell’energia elettrica

Moderatori: Foto Utenteg.schgor, Foto UtenteIsidoroKZ

-1
voti

[1] Es. Sovrapposizione degli Effetti

Messaggioda Foto UtenteELEKTROMILLMAN » 24 apr 2012, 20:31

Ciao a tutti
ho provato a risolvere questo es. con la sovrapposizione degli effetti ma ho qualche difficoltà. potete dirmi i passaggi esatti (non dovrebbero essere molti è relativamente semplice) per trovare almeno le correnti azzerando l'IG2?

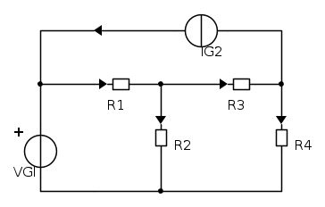
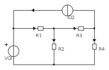
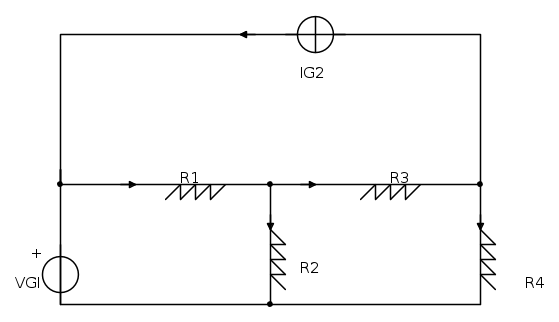
ecco i dati e il circuito

R1 = R2 = R3 = R4 = 6 ohm
VG1 = 30 V
IG2 = 5 A

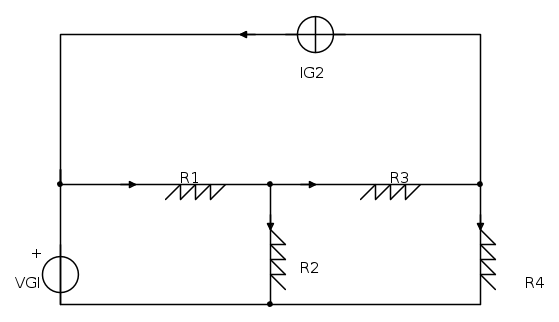
ps. sto usando ficodad su windows e non ci sono i resistori disegnato alla maniera che ho provato a stilizzare, quindi ho dovuto rimediare così

Avatar utente
Foto UtenteELEKTROMILLMAN
13 2
 
Messaggi: 23
Iscritto il: 26 mar 2012, 19:41

1
voti

[2] Re: Es. Sovrapposizione degli Effetti

Messaggioda Foto UtenteEdmondDantes » 24 apr 2012, 20:34

Esponi il tuo ragionamento e i tuoi calcoli, così vediamo come procedere insieme.
Il Conte di Montecristo

Se non studio un giorno, me ne accorgo io. Se non studio due giorni, se ne accorge il pubblico.

Io devo studiare sodo e preparare me stesso perché prima o poi verrà il mio momento.
Abraham Lincoln
Avatar utente
Foto UtenteEdmondDantes
11,9k 8 11 13
Disattivato su sua richiesta
 
Messaggi: 3619
Iscritto il: 25 lug 2009, 22:18
Località: Marsiglia

1
voti

[3] Re: Es. Sovrapposizione degli Effetti

Messaggioda Foto UtenteRenzoDF » 24 apr 2012, 20:40

Siamo alle solite, in
viewtopic.php?f=2&t=34357
ti e' stato gia' spiegato come disegnare i resistori con FidoCadJ, e tu continui con il zig-zag :?
"Il circuito ha sempre ragione" (Luigi Malesani)
Avatar utente
Foto UtenteRenzoDF
55,9k 8 12 13
G.Master EY
G.Master EY
 
Messaggi: 13189
Iscritto il: 4 ott 2008, 9:55

0
voti

[4] Re: Es. Sovrapposizione degli Effetti

Messaggioda Foto UtenteELEKTROMILLMAN » 24 apr 2012, 20:44

ok, inanzitutto prendiamo la parte che ho già fatto, ovvero azzero IG2.
ora, mi riconduco ad un circuito semplice in serie calcolando R34 in serie, e in parallelo con R2.
Ho così da Kirchhoff

R1I1 + R234I - VG=0

ricavo la I (che poi è I1) che è 3 A.
Ricavo la I2 con

V234=I234 * R234= 12 V
V234/R2=I2= 2 A

idem per I3 e I4 che per me sono 1 A.
ora, quando vado ad azzerare VG, non so come procedere perché arrivo a numeri assurdi. cosa fareste voi?

ps. Ho FIDOCAD, non FIcoCADj, e nelle libreria standard il resistore così non c'è. L'altro è equivalente?
Avatar utente
Foto UtenteELEKTROMILLMAN
13 2
 
Messaggi: 23
Iscritto il: 26 mar 2012, 19:41

1
voti

[5] Re: Es. Sovrapposizione degli Effetti

Messaggioda Foto UtenteEdmondDantes » 24 apr 2012, 20:48

Gli esercizi si svolgono procedendo con dei passi che richiedono i circuiti elettrici parziali. Dove sono? E che cosa intendi per "azzero IG2" e "azzero VG". La differenza è sostanziale...
Il Conte di Montecristo

Se non studio un giorno, me ne accorgo io. Se non studio due giorni, se ne accorge il pubblico.

Io devo studiare sodo e preparare me stesso perché prima o poi verrà il mio momento.
Abraham Lincoln
Avatar utente
Foto UtenteEdmondDantes
11,9k 8 11 13
Disattivato su sua richiesta
 
Messaggi: 3619
Iscritto il: 25 lug 2009, 22:18
Località: Marsiglia

0
voti

[6] Re: Es. Sovrapposizione degli Effetti

Messaggioda Foto UtenteELEKTROMILLMAN » 24 apr 2012, 21:33

EdmondDantes ha scritto:Gli esercizi si svolgono procedendo con dei passi che richiedono i circuiti elettrici parziali. Dove sono? E che cosa intendi per "azzero IG2" e "azzero VG". La differenza è sostanziale...


ecco, quando pongo a zero IG2, ho

e procedo come ho spiegato sopra per ricavare I1,2,3,4 .... sbaglio qualcosa?
Avatar utente
Foto UtenteELEKTROMILLMAN
13 2
 
Messaggi: 23
Iscritto il: 26 mar 2012, 19:41

4
voti

[7] Re: Es. Sovrapposizione degli Effetti

Messaggioda Foto UtentematteoDL » 24 apr 2012, 22:27

ELEKTROMILLMAN ha scritto: ps. Ho FIDOCAD, non FIcoCADj, e nelle libreria standard il resistore così non c'è. L'altro è equivalente?




Scaricato e imparato a usarlo (almeno mi sembra di aver fatto giusto) in massimo 15 min. Direi che conviene lo faccia anche tu, la gente sarà più felice di aiutarti.

Riguardo al tuo problema ricorda che disattivare un generatore di corrente significa sostituirlo a un lato aperto (cioè corrente=0), mentre disattivare un generatore di tensione significa sostituirlo con un cortocircuito(cioè tensione=0).
Avatar utente
Foto UtentematteoDL
704 3 7
Expert
Expert
 
Messaggi: 310
Iscritto il: 26 feb 2012, 20:49

0
voti

[8] Re: Es. Sovrapposizione degli Effetti

Messaggioda Foto UtenteELEKTROMILLMAN » 24 apr 2012, 23:01

grazie per il consiglio ma quelle son cose che già so, il problema è il procedimento.
per il resto, quei simboli li ho trovati anch'io, ma io cerco questi http://upload.wikimedia.org/wikipedia/commons/3/31/Simbolo_resistore.png
che nella versione linux che usavo c'erano, ma ora che son passato a 7 e uso FidoCad per windows, non ci sono. Se sono equivalenti, ditemelo che uso quelli usati da te, ma non ho la certezza che lo siano.
Ultima modifica di Foto Utentelillo il 25 apr 2012, 10:46, modificato 1 volta in totale.
Motivazione: Eliminata citazione inutile.
Avatar utente
Foto UtenteELEKTROMILLMAN
13 2
 
Messaggi: 23
Iscritto il: 26 mar 2012, 19:41

0
voti

[9] Re: Es. Sovrapposizione degli Effetti

Messaggioda Foto UtenteIsidoroKZ » 24 apr 2012, 23:08

Usa fidocadJ, e` una applicazione Java, gira ovunque.

Nel menu dei componenti a un certo punto c'e` scritto "Resistor" o qualcosa del genere: quello e` presumibilmente il simbolo che serve, anche se ha una forma che non riconosci.

Impara ad usare almeno i pedici con Latex.
Per usare proficuamente un simulatore, bisogna sapere molta più elettronica di lui
Plug it in - it works better!
Il 555 sta all'elettronica come Arduino all'informatica! (entrambi loro malgrado)
Se volete risposte rispondete a tutte le mie domande
Avatar utente
Foto UtenteIsidoroKZ
121,2k 1 3 8
G.Master EY
G.Master EY
 
Messaggi: 21059
Iscritto il: 17 ott 2009, 0:00

0
voti

[10] Re: Es. Sovrapposizione degli Effetti

Messaggioda Foto UtenteELEKTROMILLMAN » 24 apr 2012, 23:24

ok provo a reimpostare il topic dato che non so perché ma non posso modificare i post
Avatar utente
Foto UtenteELEKTROMILLMAN
13 2
 
Messaggi: 23
Iscritto il: 26 mar 2012, 19:41

Prossimo

Torna a Elettrotecnica generale

Chi c’è in linea

Visitano il forum: Nessuno e 117 ospiti