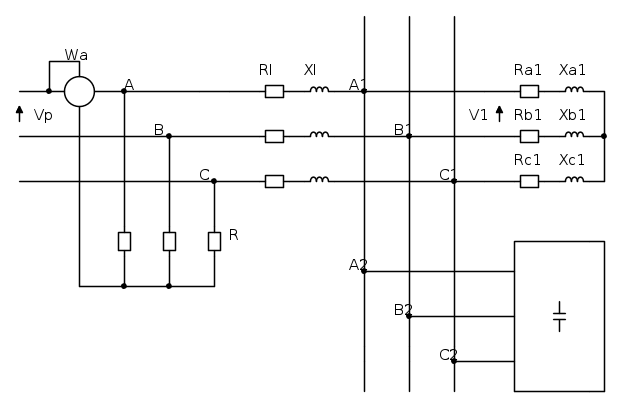
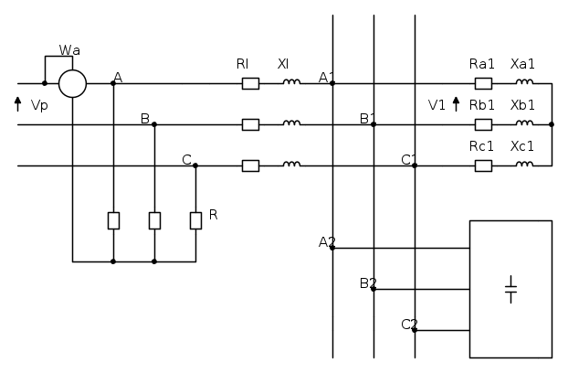
Per prima cosa copio il testo e la figura dell'esercizio:
Nell’impianto in figura un carico trifase equilibrato collegato a stella è alimentato alla tensione
concatenata efficace V1=380 V ed alla frequenza di 50Hz. Le resistenze e reattanze di fase del carico
valgono rispettivamente RA1=RB1=RC1=10/3Ω, XA1=XB1=XC1=10/3Ω.
1) Determinare in modulo e fase e rappresentare graficamente le correnti assorbite dal carico
trifase.
2) Trovare il valore della capacità C di fase di un banco di condensatori connesso a stella in modo
che il carico sia rifasato a cosϕ*=0.9.
Il carico sopra menzionato è alimentato tramite una linea l avente Rl=0.2Ω e Xl=0.2Ω; a monte di
tale linea, ai morsetti A, B, C, è derivato un carico trifase resistivo ed equilibrato avente R=50Ω.
3) Determinare il valore della tensione concatenata Vp in partenza alla linea.
4) Calcolare la lettura del wattmetro WA.
bene bene... ora che sono riuscito a copiare testo e figura, provo a spiegarvi come ho tentato di risolvere l'esercizio.
per quanto riguarda i primi due punti, spero di averli risolti bene, gli ultimi due invece mi hanno creato qualche dubbio, ho un'idea su come risolverli ma non sono certo sia giusta perché, non avendo i risultati numerici, non ne ho la prova
1) per trovare le correnti del carico trifase ho pensato di procedere così:

il modulo delle correnti è:
e l'angolo è:
°con questi dati fare la rappresentazione grafica diventa semplice.
2) la capacità del condensatore:
per prima cosa ho trovato le potenze attive e reattive del carico trifase:

poi la

e la

da cui posso trovare la capacità del condensatore a stella:

3) calcolare la tensione
in partenza alla linea e qui vi dico come ho ragionato:ho trovato la potenza apparente

e quindi il modulo (che chiamo
) della corrente che passa per
e
:
a questo punto ho trovato le potenze attive e reattive relative a
e 


sommando a queste due potenze, le potenze attive e reattive
e
ottengo le potenze attive e reattive all'ingresso del circuito

con queste potenze posso trovare la potenza apparente in partenza

avendo la potenza apparente posso trovare la tensione in ingresso

4) calcolare la lettura del Wattmetro
:da questo punto non sono più andato avanti con i calcoli perché mi sono nati i dubbi...
per prima cosa pensavo di trovare le correnti di ogni fase che attraversano il carico trifase resistivo ed equilibrato e sommarle alle correnti che passano nelle
e
.ora l'unico problema è trovare queste 6 correnti, come fare?
per trovare le correnti del carico resistivo pensavo di usare Millman.
per quelle che attraversano gli elementi
e
ho già il modulo ed è qui che mi è nato il dubbio!come si trovano le fasi di queste correnti?
io avrei fatto così:



però non so se sia corretto perché ho sentito che la
va posizionata sull'asse dei reali, è vero? se si mi potete spiegare il perché?una volta trovate le correnti pensavo di sommare vettorialmente quelle di ogni fase e poi il buio.
non ho idea di come trovare la lettura del Wattmetro, mi manda in crisi che sia collegato al carico resistivo, come devo procedere?
grazie dell'attenzione e delle eventuali spiegazioni!

Elettrotecnica e non solo (admin)
Un gatto tra gli elettroni (IsidoroKZ)
Esperienza e simulazioni (g.schgor)
Moleskine di un idraulico (RenzoDF)
Il Blog di ElectroYou (webmaster)
Idee microcontrollate (TardoFreak)
PICcoli grandi PICMicro (Paolino)
Il blog elettrico di carloc (carloc)
DirtEYblooog (dirtydeeds)
Di tutto... un po' (jordan20)
AK47 (lillo)
Esperienze elettroniche (marco438)
Telecomunicazioni musicali (clavicordo)
Automazione ed Elettronica (gustavo)
Direttive per la sicurezza (ErnestoCappelletti)
EYnfo dall'Alaska (mir)
Apriamo il quadro! (attilio)
H7-25 (asdf)
Passione Elettrica (massimob)
Elettroni a spasso (guidob)
Bloguerra (guerra)








come argomento per il fasore;
e successivamente le correnti nelle tre fasi in forma fasoriale, con 