Esercizio resistenze equivalenti
Moderatori:
g.schgor,
IsidoroKZ
13 messaggi
• Pagina 1 di 2 • 1, 2
0
voti
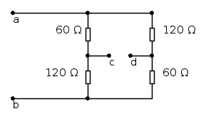
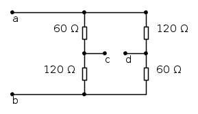
Ragazzi, qualcuno di voi potrebbe spiegarmi, magari nel modo più "elementare" possibile, i concetti di cortocircuito e circuito aperto? Ho trovato questo esercizio (tratto da "Circuiti elettrici" di Renzo Perfetti) ma non so nemmeno da dove cominciare....
. Vi ringrazio anticipatamente
Ultima modifica di
admin il 25 apr 2012, 15:59, modificato 2 volte in totale.
Motivazione: Ridimensionata e compattata l'immagine, inutilmente grande:ora è di peso un ventesimo della precedente e si vede lo stesso
Motivazione: Ridimensionata e compattata l'immagine, inutilmente grande:ora è di peso un ventesimo della precedente e si vede lo stesso
-

elettric561
5 2 - Messaggi: 19
- Iscritto il: 16 feb 2012, 16:18
0
voti
Non riesco a vedere bene il testo, font troppo piccolo 
Se devi allegare una figura, prima riducila a grandezza "umana", anzi "schermale", dalle parti di 640 pixel.
Poi se hai dei dubbi che richiedono di lavorare sullo schema, postalo in fidocadj, cosi` lo si puo` prendere e modificare, evidenziare... Le domande possono essere scritte nel testo, senza scannare il libro!
Che cosa studi? Ateneo, facolta`, corso di laurea, materia?
Se devi allegare una figura, prima riducila a grandezza "umana", anzi "schermale", dalle parti di 640 pixel.
Poi se hai dei dubbi che richiedono di lavorare sullo schema, postalo in fidocadj, cosi` lo si puo` prendere e modificare, evidenziare... Le domande possono essere scritte nel testo, senza scannare il libro!
Che cosa studi? Ateneo, facolta`, corso di laurea, materia?
Per usare proficuamente un simulatore, bisogna sapere molta più elettronica di lui
Plug it in - it works better!
Il 555 sta all'elettronica come Arduino all'informatica! (entrambi loro malgrado)
Se volete risposte rispondete a tutte le mie domande
Plug it in - it works better!
Il 555 sta all'elettronica come Arduino all'informatica! (entrambi loro malgrado)
Se volete risposte rispondete a tutte le mie domande
0
voti
Grazie IsidoroKZ, farò come tu mi hai detto, solo che ora devo andare perché ho un impegno; vuol dire che riprenderò l'argomento domani. Comunque, rispondendo alla tua domanda, io sono solo un appassionato entrato da poco in questo mondo affascinante che è l'elettronica; non frequento l'università per vari motivi, ho solo il diploma di liceo scientifico. Ciao 

-

elettric561
5 2 - Messaggi: 19
- Iscritto il: 16 feb 2012, 16:18
0
voti
Ok, grazie! Le info che ho chiesto servono per graduare le risposte e scegliere il giusto registro linguistico.
Circuito aperto vuol dire "non collegare nulla fra A e B"
Cortocircuito vuol dire "collega insieme A e B" oppure "metti un pezzo di filo fra A e B".
Appena metti il circuito posso mostrarti anche graficamente i vari passi da fare.
Circuito aperto vuol dire "non collegare nulla fra A e B"
Cortocircuito vuol dire "collega insieme A e B" oppure "metti un pezzo di filo fra A e B".
Appena metti il circuito posso mostrarti anche graficamente i vari passi da fare.
Per usare proficuamente un simulatore, bisogna sapere molta più elettronica di lui
Plug it in - it works better!
Il 555 sta all'elettronica come Arduino all'informatica! (entrambi loro malgrado)
Se volete risposte rispondete a tutte le mie domande
Plug it in - it works better!
Il 555 sta all'elettronica come Arduino all'informatica! (entrambi loro malgrado)
Se volete risposte rispondete a tutte le mie domande
0
voti
allora cortocircuito significa semplicemente che puoi passare da un polo, dove è applicata della tensione, all'altro, senza passare per nessuna resistenza o utilizzatore in generale... diciamo che la corrente "preferisce" passare dove non incontra nessuna resistenza.
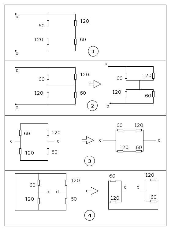
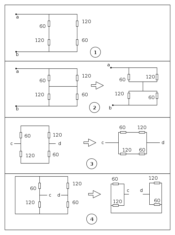
1) con c e d aperti, come in figura, i due rami puoi considerarli in parallelo... allora fai prima la serie 60 + 120 , poi l'altra 120 + 60 e infine il parallelo.. Req= ((60+120)*(120+60))/(60+120+60+120)
2) devi fare una lineetta tra C e D, e sommi il parallelo di quelle superiori e il parallelo di quelle inferiori
3) partendo da C, vai su incontri 60 + 120 ( fai la serie) e arrivi a D. poi riparti da C vai giù e rifai 120+ 60 (serie) e arrivi a D... a questo punto fai il parallelo... è la metà...
4)cortocircuitando A e B ( ovvero unendoli con una linea) ti trovi nella stessa situazione del punto 2 soltanto che devi fare il parallelo tra le resistenze a sinistra di C, poi il parallelo tra quelle a destra di D e infine la serie... penso sia 80 la Req...
dovrebbe essere così
tu non hai ancora fatto il ponte di wheatstone vero? http://www.electroyou.it/vis_resource.p ... zio&id=172 intanto leggiti questo
se era un ponte ho sbagliato tutto

1) con c e d aperti, come in figura, i due rami puoi considerarli in parallelo... allora fai prima la serie 60 + 120 , poi l'altra 120 + 60 e infine il parallelo.. Req= ((60+120)*(120+60))/(60+120+60+120)
2) devi fare una lineetta tra C e D, e sommi il parallelo di quelle superiori e il parallelo di quelle inferiori
3) partendo da C, vai su incontri 60 + 120 ( fai la serie) e arrivi a D. poi riparti da C vai giù e rifai 120+ 60 (serie) e arrivi a D... a questo punto fai il parallelo... è la metà...
4)cortocircuitando A e B ( ovvero unendoli con una linea) ti trovi nella stessa situazione del punto 2 soltanto che devi fare il parallelo tra le resistenze a sinistra di C, poi il parallelo tra quelle a destra di D e infine la serie... penso sia 80 la Req...
dovrebbe essere così
tu non hai ancora fatto il ponte di wheatstone vero? http://www.electroyou.it/vis_resource.p ... zio&id=172 intanto leggiti questo
se era un ponte ho sbagliato tutto

1
voti
Ciao IsidoroKZ, come ti avevo promesso ho fatto il circuito con FidoCadJ. Purtroppo l'ho scaricato ieri e l'ho cominciato ad usare solo stamattina, quindi non sono per niente pratico col programma. Il circuito l'ho fatto, però non so se fatto bene; quindi aspetto che tu mi dica se ci sono da fare cambiamenti, miglioramenti, ecc. Grazie
. Ah, prima che me ne dimentichi, ringrazio naturalmente majorana per l' aiuto e per le sue informazioni, anche se l'esercizio lo devo ancora rivedere.
-

elettric561
5 2 - Messaggi: 19
- Iscritto il: 16 feb 2012, 16:18
-1
voti
Salve.
Non vorrei sbagliarmi ma c'è un errore sullo schema equivalente del caso 4. Nel caso 4 la resistenza equivalente dovrebbe essere 0 ossia considerare il tutto come un cortocircuito.
Non vorrei sbagliarmi ma c'è un errore sullo schema equivalente del caso 4. Nel caso 4 la resistenza equivalente dovrebbe essere 0 ossia considerare il tutto come un cortocircuito.
13 messaggi
• Pagina 1 di 2 • 1, 2
Torna a Elettrotecnica generale
Chi c’è in linea
Visitano il forum: Nessuno e 14 ospiti

Elettrotecnica e non solo (admin)
Un gatto tra gli elettroni (IsidoroKZ)
Esperienza e simulazioni (g.schgor)
Moleskine di un idraulico (RenzoDF)
Il Blog di ElectroYou (webmaster)
Idee microcontrollate (TardoFreak)
PICcoli grandi PICMicro (Paolino)
Il blog elettrico di carloc (carloc)
DirtEYblooog (dirtydeeds)
Di tutto... un po' (jordan20)
AK47 (lillo)
Esperienze elettroniche (marco438)
Telecomunicazioni musicali (clavicordo)
Automazione ed Elettronica (gustavo)
Direttive per la sicurezza (ErnestoCappelletti)
EYnfo dall'Alaska (mir)
Apriamo il quadro! (attilio)
H7-25 (asdf)
Passione Elettrica (massimob)
Elettroni a spasso (guidob)
Bloguerra (guerra)








