Alimentare led
Moderatori:
carloc,
g.schgor,
BrunoValente,
IsidoroKZ
10 messaggi
• Pagina 1 di 1
0
voti
[1] Alimentare led
Salve, vi pongo il mio problema. Avrei bisogno di utilizzare dei led di segnalazione ma il problema sta nell'alimentarli in quanto la fonte di alimentazione in corrente continua varia da 23 a 27 volt. Come mi consigiate di alimentarli?
0
voti
Se non specifichi il tipo di led con che tensione e corrente funzionano quanti e come ne devi collegare e le caratteristiche esatte della fonte di alimentazione come puoi mai sperare di avere risposte ? In questo forum anche i migliori esperti non hanno la palla di vetro.


"Non farei mai parte di un club che accettasse la mia iscrizione" (G. Marx)
-

claudiocedrone
21,3k 4 7 9 - Master EY

- Messaggi: 15302
- Iscritto il: 18 gen 2012, 13:36
0
voti
Allora i led che ho scelto si distingono in caratteristiche tecniche a seconda del colore:
quello rosso ha una corrente nominale di 10mA e una tensione di 1,9 volt
quello verde ha una corrente nominale di 10mA e una tensione di 2 volt.
L'alimentazione proviene da un alimentatore a 24 volt che carica anche delle batterie. I due led che vorrei installare mi darebbero le posizioni di un organo che si muove comandato da un motore a 24 volt cc.
quello rosso ha una corrente nominale di 10mA e una tensione di 1,9 volt
quello verde ha una corrente nominale di 10mA e una tensione di 2 volt.
L'alimentazione proviene da un alimentatore a 24 volt che carica anche delle batterie. I due led che vorrei installare mi darebbero le posizioni di un organo che si muove comandato da un motore a 24 volt cc.
0
voti
La cosa si puo' risolvere facilmente; quello che non ho capito e' il perche' la corrente varia da 23 a 27V.
Inoltre non hai specificato quanti led intendi impiegare.
Inoltre non hai specificato quanti led intendi impiegare.
marco
0
voti
non so perché questa tensione varia forse si abbassa a causa del carico quando parte il motore. Di led ne devo mettere uno su una posizione e uno sull'altra.
0
voti
E' logico che la tensione scenda di qualche volt allo spunto iniziale del motore; pero' tu hai parlato di un alimentatore a 24 V e di una tensione di 27.
E' questo che mi riesce difficle comprendere.
E' questo che mi riesce difficle comprendere.
marco
0
voti
Anche a me ! Comunque usando 1 led rosso e 1 led verde con in serie ad ognuno una resistenza da 2700 ohm (valore normalizzato),con il range di tensioni che hai indicato avrai una corrente nei led variabile da ca. 7,5 mA a ca. 9 mA quindi una luminosità a mio parere più che buona.
"Non farei mai parte di un club che accettasse la mia iscrizione" (G. Marx)
-

claudiocedrone
21,3k 4 7 9 - Master EY

- Messaggi: 15302
- Iscritto il: 18 gen 2012, 13:36
0
voti
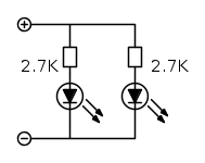
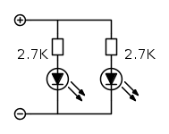
Allora non si tratta di un alimentatore ma di un caricabatterie.
Comunque, i tuoi led li puoi collegare come da schema, mettendo in serie due resistenza da 2700 ohm.
Per fare una cosa ben fatta, sarebbe opportuno stabilizzare la tensione ad un valore piu' basso (che so' 20V) ma non credo che i tuoi led se ne abbiano a male se ricevono 2/3V in piu'.
Sei sicuro delle caratteristiche di corrente (10mA)?
Comunque, i tuoi led li puoi collegare come da schema, mettendo in serie due resistenza da 2700 ohm.
Per fare una cosa ben fatta, sarebbe opportuno stabilizzare la tensione ad un valore piu' basso (che so' 20V) ma non credo che i tuoi led se ne abbiano a male se ricevono 2/3V in piu'.
Sei sicuro delle caratteristiche di corrente (10mA)?
marco
0
voti
[10] Re: Alimentare led
grazie mille adesso me le procuro e provo subito. Le caratteristiche le ho prese dal catalogo dove le ho ordinate
10 messaggi
• Pagina 1 di 1
Chi c’è in linea
Visitano il forum: Nessuno e 134 ospiti

Elettrotecnica e non solo (admin)
Un gatto tra gli elettroni (IsidoroKZ)
Esperienza e simulazioni (g.schgor)
Moleskine di un idraulico (RenzoDF)
Il Blog di ElectroYou (webmaster)
Idee microcontrollate (TardoFreak)
PICcoli grandi PICMicro (Paolino)
Il blog elettrico di carloc (carloc)
DirtEYblooog (dirtydeeds)
Di tutto... un po' (jordan20)
AK47 (lillo)
Esperienze elettroniche (marco438)
Telecomunicazioni musicali (clavicordo)
Automazione ed Elettronica (gustavo)
Direttive per la sicurezza (ErnestoCappelletti)
EYnfo dall'Alaska (mir)
Apriamo il quadro! (attilio)
H7-25 (asdf)
Passione Elettrica (massimob)
Elettroni a spasso (guidob)
Bloguerra (guerra)


