Salve a tutti, ho cercato nel forum vecchi topics ma non sono riuscito a farmi chiarezza, intendevo realizzare un pannello a led tipo questo nel video sottostante che alla pressione di un tasto cambia tipo di lampeggio. Ciò che non riesco a capire è che cosa potrei utilizzare per ottenere questo?....E' necessario usare perforza dei PIC ? Grazie mille a chiunque mi aiuterà.
Vari lampeggi Leds
Moderatori:
carloc,
g.schgor,
BrunoValente,
IsidoroKZ
11 messaggi
• Pagina 1 di 2 • 1, 2
0
voti
Mi sembra che si tratti del lampeggio del cuore ad una certa frequenza e di quello di cuore e nome alternati; tutto qui?
Se e' cosi', si puo' fare con un 555 .
P.S. Ma il circuito con il nome non lo avevi gia' fatto?
Se e' cosi', si puo' fare con un 555 .
P.S. Ma il circuito con il nome non lo avevi gia' fatto?
marco
0
voti
si si l'ho gia fatto solo con lampeggio singolo, nel senso che poteva solo lampeggiare l'intera scritta e si poteva modificare la frequenza del lampeggio, ma se invece volessi anche far si che con un altro tasto si avvia un lampeggio di ogni singola lettera, ovvero si accendono in progressione come potrei modificare il circuito per aggiungere una seconda opzione di lampeggio?
-

RedEvil1991
14 5 - Frequentatore

- Messaggi: 104
- Iscritto il: 6 feb 2012, 21:10
0
voti
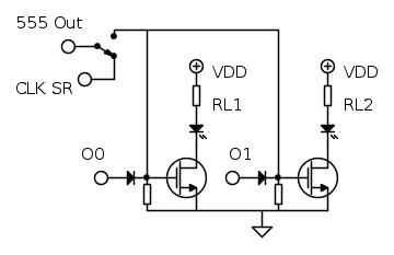
Se vuoi dividere ogni lettera singolarmente devi appunto dividere ogni raggruppamento di LED, questo vuol dire che ognuno di essi deve essere pilotato idealmente da un singolo transistore ciascuno transistore, per dire quale bisogna conoscere il circuito, ossia come sono disposti i LED, consumo di corrente di ogni raggruppamento e tensione di alimentazione del circuito.
Per il circuito potresti usare un solo 555 ed un registro a scorrimento con uno switch di scambio per pilotare i transistori o il clock de registro a scorrimento, ad esempio un 74HC174 o qualcun altro. Un primo abbozzo di esempio potrebbe essere questo:
Però, ad ogni scambio dello switch dovresti resettare il registro, suppongo no? Magari puoi appunto usare uno switch come questo ed aggiustare un po' la logica?
Io lo vedo fattibile per il momento.
Per il momento prendilo come una possibile soluzione, spero senza qualche svarione vista l'ora, quindi, vado a dormire perché ho bisogno di riposare.
Se ti interessa il circuito potrebbe essere non troppo complicato.

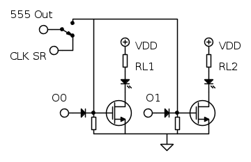
Per il circuito potresti usare un solo 555 ed un registro a scorrimento con uno switch di scambio per pilotare i transistori o il clock de registro a scorrimento, ad esempio un 74HC174 o qualcun altro. Un primo abbozzo di esempio potrebbe essere questo:
Però, ad ogni scambio dello switch dovresti resettare il registro, suppongo no? Magari puoi appunto usare uno switch come questo ed aggiustare un po' la logica?
Io lo vedo fattibile per il momento.
Per il momento prendilo come una possibile soluzione, spero senza qualche svarione vista l'ora, quindi, vado a dormire perché ho bisogno di riposare.
Se ti interessa il circuito potrebbe essere non troppo complicato.

0
voti
gohan ha scritto:Se vuoi dividere ogni lettera singolarmente devi appunto dividere ogni raggruppamento di LED
...e sperare che la tua amata non si chiami "Maria Antonietta"
(scusate non ho resistito)
in /dev/null no one can hear you scream
1
voti
angus ha scritto:...e sperare che la tua amata non si chiami "Maria Antonietta"![]()
![]()
Ci sei andato vicino; nel thread precedente si parlava di un nome di nove lettere!
RedEvil1991 ha scritto:si si l'ho gia fatto solo con lampeggio singolo, nel senso che poteva solo lampeggiare l'intera scritta e si poteva modificare la frequenza del lampeggio, ma se invece volessi anche far si che con un altro tasto si avvia un lampeggio di ogni singola lettera, ovvero si accendono in progressione come potrei modificare il circuito per aggiungere una seconda opzione di lampeggio?
Quello che mi piace in voi che vi rivolgete al forum e' la coerenza!
Un post prima chiedi una cosa ed al successivo subito il progetto viene drasticamente cambiato!
Come sempre si comincia con un led lampeggiante e poi "in corso d'opera" si arriva a quattrocento led che ballano a ritmo di mazurka.
In definitiva, quando si fa una domanda, prima si pensa a cosa si vuole realizzare; poi si chiede.
marco
0
voti
Non riesco a capire il motivo per la quale ti irriti continuamente in tutti i post miei e non, forse ti ho fatto qualcosa?..non serve essere sempre sull'offensiva credendosi superiori lo spirito di un forum dovrebbe essere di accoglienza e di rispetto nN di superiorità altrimenti gli utenti nuovi non si inseriranno mai bene nella community. Sei l'unico che mi punzecchia invece di prestarmi il tuo aiuto seriamente, se ne sai piu di me ti faccio i complimenti riconosco che è cosi, non serve quindi che continui a cercare con l'ironia di ridicolizzarmi. Ti ringrazio per avermi aiutato ma to chiedo di non prendermi in giro.
-

RedEvil1991
14 5 - Frequentatore

- Messaggi: 104
- Iscritto il: 6 feb 2012, 21:10
0
voti
Vedi
RedEvil1991 e' vero che il forum e' fatto a posta per aiutare quelli che ne hanno bisogno; e' altrettanto vero che chi chiede dovrebbe essere, fin dall'inizio, chiaro nelle domande.
Io non ho voluto assolutamente ridicolizzarti e non punzecchio nessuno. Nel thread precedente, se ben ricordo, ho trovato da dire perche' non hai rispettato le regole del forum; attualmente mi sono un po' irritato perche', seguendo la tua richiesta, avevo gia' preparato un circuito per te (perdendo un po' del mio tempo) ora omai inutile, visto che in poche ore hai cambiato le carte in tavola.
Tra l'altro, a parte il rimprovero, nel thread precedente hai avuto tutto il mio sostegno (ed il mio schema) anche se non ti sei fatto piu' vivo per dire come era andata la realizzazione e...senza un minimo cenno di ringraziamento.
Per finire, i rimproveri servono a far capire quale sia la strada da seguire per ottenere, nel modo migliore, l'assistenza di cui si necessita.
Io non ho voluto assolutamente ridicolizzarti e non punzecchio nessuno. Nel thread precedente, se ben ricordo, ho trovato da dire perche' non hai rispettato le regole del forum; attualmente mi sono un po' irritato perche', seguendo la tua richiesta, avevo gia' preparato un circuito per te (perdendo un po' del mio tempo) ora omai inutile, visto che in poche ore hai cambiato le carte in tavola.
Tra l'altro, a parte il rimprovero, nel thread precedente hai avuto tutto il mio sostegno (ed il mio schema) anche se non ti sei fatto piu' vivo per dire come era andata la realizzazione e...senza un minimo cenno di ringraziamento.
Per finire, i rimproveri servono a far capire quale sia la strada da seguire per ottenere, nel modo migliore, l'assistenza di cui si necessita.
marco
0
voti
Probabilmente non intendevi farlo ma bisogna imparare a dare un peso alle parole che si usano con gli altri dato che possono essere fraintese. Con i rimproveri non se ne viene fuori sono parole sprecate non mi sembra di essere un bambino. Infatti come ho precisato prima mi hai fornito il tuo aiuto apostrofandomi piu di una volta in modo ironico, e di sicuro non è il migliore degli approci, almeno non per me dato che io do sempre tutto il mio rispetto ti chiedo gentilmente di fare lo stesso con me. Per cio che riguarda il vecchio post ti ho ringraziato 3 volte fin da subito mi sembra. Non ho ancora postato nulla semplicemente perche il circuito non è ancora stato realizzato e questo post che ho aperto siccome è un circuito diverso dal precedente l'ho fatto in un nuovo topic. Se mi dici poi che hai perso del tempo per fare il mio circuito e me lo rinfacci poi sembra che ti abbia obbligato; se ti fa piacere aiutarmi te ne sono grato e accetto il tuo aiuto senno non intendo pbbligarti. Detto questo chiarisco che non intendo litigare con nessuno ma amo essere chiaro con le persone, perche pur se si tratta di una community le persone che ci girano sono vere e mi piace provare ad andare d'accordo con tutti. Adesso nn aggiungo altro perche siamo gia abbastanza pff topic.
-

RedEvil1991
14 5 - Frequentatore

- Messaggi: 104
- Iscritto il: 6 feb 2012, 21:10
0
voti
Su una cosa hai ragione, ed e' che non sono obbligato ad aiutarti e se stupidamente fino ad ora l'ho fatto, stai tranquillo che non lo faro' piu'.

P.S. Evita di citare per intero i messaggi quando non necessario. Questa e' un'altra regola del forum!

P.S. Evita di citare per intero i messaggi quando non necessario. Questa e' un'altra regola del forum!
marco
11 messaggi
• Pagina 1 di 2 • 1, 2
Chi c’è in linea
Visitano il forum: Nessuno e 61 ospiti

Elettrotecnica e non solo (admin)
Un gatto tra gli elettroni (IsidoroKZ)
Esperienza e simulazioni (g.schgor)
Moleskine di un idraulico (RenzoDF)
Il Blog di ElectroYou (webmaster)
Idee microcontrollate (TardoFreak)
PICcoli grandi PICMicro (Paolino)
Il blog elettrico di carloc (carloc)
DirtEYblooog (dirtydeeds)
Di tutto... un po' (jordan20)
AK47 (lillo)
Esperienze elettroniche (marco438)
Telecomunicazioni musicali (clavicordo)
Automazione ed Elettronica (gustavo)
Direttive per la sicurezza (ErnestoCappelletti)
EYnfo dall'Alaska (mir)
Apriamo il quadro! (attilio)
H7-25 (asdf)
Passione Elettrica (massimob)
Elettroni a spasso (guidob)
Bloguerra (guerra)




