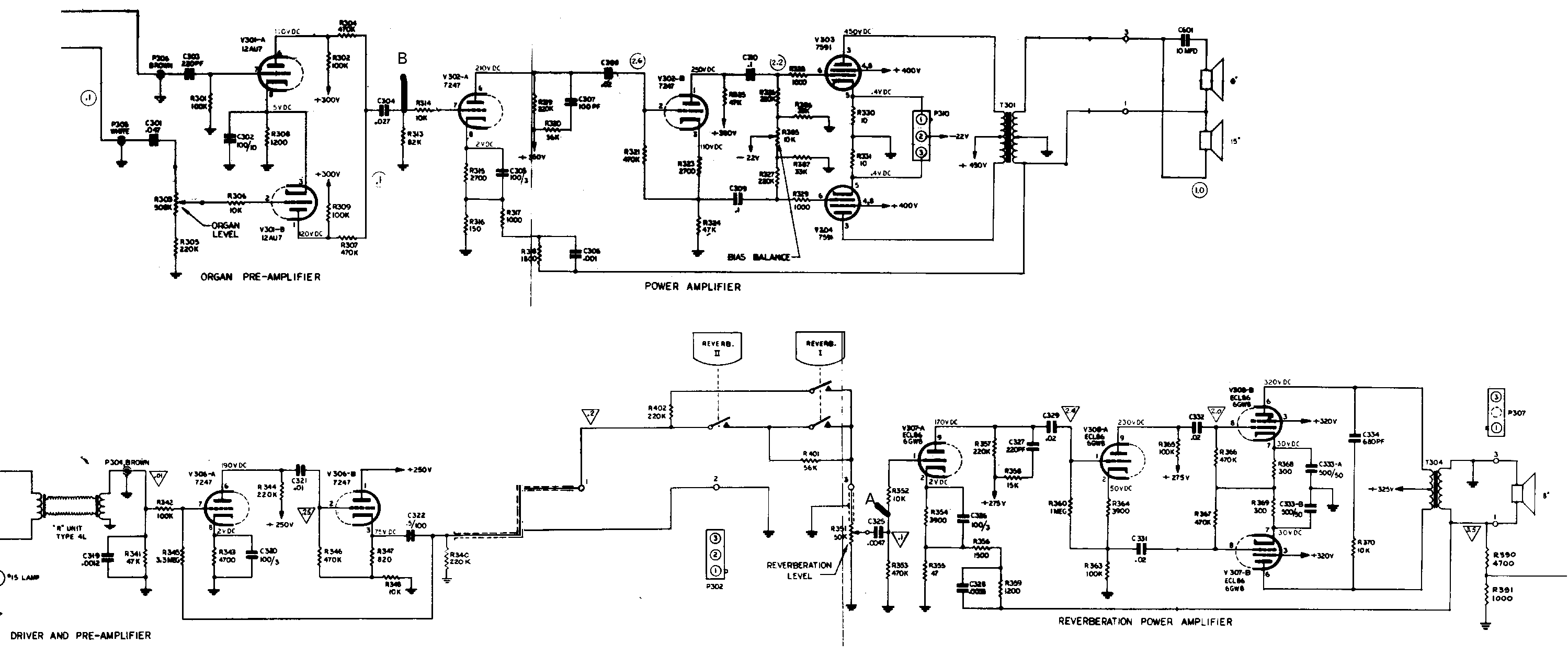
Sempre in tema di restauro dell'organo Hammond E-312 (schemi completi qui e qui da questo post):
questo organo ha due amplificatori di potenza separati, uno dedicato all'amplificazione dell'organo in sé, diffuso su una prima coppia di altoparlanti, e l'altro dedicato all'amplificazione del suono riverberato(prodotto da un riverbero a molla), che viene diffuso su altri due altoparlanti dedicati. Vorrei avere la possibilità di indirizzare il suono proveniente dallo stadio di preamplificazione del riverbero all'amplificatore di potenza dell'organo, di fatto rendendo inutilizzato lo stadio di potenza del canale riverberato, e avendo riverbero+suono pulito amplificati insieme sulla stessa coppia di altoparlanti.
Vorrei inoltre poter commutare tra le due soluzioni ( organo su un canale e riverbero sull'altro VS organo e riverbero sullo stesso canale) attraverso uno switch DPDT 3A 250V .
Nello schema ho individuato il nodo A e il nodo B: mi pare siano i punti in cui devo intervenire. Quello che vorrei fare è dunque portare il segnale del nodo A al nodo B. Come posso realizzare la cosa? è necessario aggiungere delle resistenze in serie o qualche adattamento di impedenza?
grazie
Modifica su amplificatore a valvole
Moderatori:
carloc,
g.schgor,
BrunoValente,
IsidoroKZ
2 messaggi
• Pagina 1 di 1
0
voti
oromoiluig ha scritto:dunque portare il segnale del nodo A al nodo B
Intendo disconnnettere C325 da R353 e R352 e collegarlo al nodo B . Vedo però che -con entrambi gli switch del riverbero attivi e il potenziometro R351 al massimo- non ci sarebbe nessuna resistenza in serie all'uscita di V306-B , e credo invece che dovrebbe esserci, mi sbaglio?
-

oromoiluig
25 1 2 6 - Frequentatore

- Messaggi: 280
- Iscritto il: 17 ott 2009, 16:35
2 messaggi
• Pagina 1 di 1
Chi c’è in linea
Visitano il forum: Nessuno e 42 ospiti

Elettrotecnica e non solo (admin)
Un gatto tra gli elettroni (IsidoroKZ)
Esperienza e simulazioni (g.schgor)
Moleskine di un idraulico (RenzoDF)
Il Blog di ElectroYou (webmaster)
Idee microcontrollate (TardoFreak)
PICcoli grandi PICMicro (Paolino)
Il blog elettrico di carloc (carloc)
DirtEYblooog (dirtydeeds)
Di tutto... un po' (jordan20)
AK47 (lillo)
Esperienze elettroniche (marco438)
Telecomunicazioni musicali (clavicordo)
Automazione ed Elettronica (gustavo)
Direttive per la sicurezza (ErnestoCappelletti)
EYnfo dall'Alaska (mir)
Apriamo il quadro! (attilio)
H7-25 (asdf)
Passione Elettrica (massimob)
Elettroni a spasso (guidob)
Bloguerra (guerra)