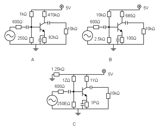
carloc ha scritto:leoc2589 ha scritto:[...] cosa dovrei mdoficare per andar avanti e riuscire nel mio intento.
[...]
Devi modificare completamente, profondamente, totalmente l'approccio al problema![]()
evitando di cercare scorciatoie e progettando il circuito invece...
Le scortatoie non le uso, non ho mai visto e non ho mai progettato un circuito come faccio a cominciare senza nemmeno vedere un esempio e avre degli spunti? E poi se chiedo aiuto a voi nel forum è perché non so andare avanti e non per farvi perder tempo; dato che anche io ne ho pochissimo ... Grazie comunque per consiglio, ne aspetto qualche d'uno migliore


Elettrotecnica e non solo (admin)
Un gatto tra gli elettroni (IsidoroKZ)
Esperienza e simulazioni (g.schgor)
Moleskine di un idraulico (RenzoDF)
Il Blog di ElectroYou (webmaster)
Idee microcontrollate (TardoFreak)
PICcoli grandi PICMicro (Paolino)
Il blog elettrico di carloc (carloc)
DirtEYblooog (dirtydeeds)
Di tutto... un po' (jordan20)
AK47 (lillo)
Esperienze elettroniche (marco438)
Telecomunicazioni musicali (clavicordo)
Automazione ed Elettronica (gustavo)
Direttive per la sicurezza (ErnestoCappelletti)
EYnfo dall'Alaska (mir)
Apriamo il quadro! (attilio)
H7-25 (asdf)
Passione Elettrica (massimob)
Elettroni a spasso (guidob)
Bloguerra (guerra)


e poi dico che :
. va bene come sto ragionando?
di un MOS? Hai scritto una espressione (giusta) della transconduttanza, ce ne sono altre due equivalenti: mi serve una di quelle due che non hai ancora scritto.
instead of
(Anonimo).
ain't
, right?
in lieu of
.
for
arithm.