Cos'è ElectroYou | Login Iscriviti

ElectroYou - la comunità dei professionisti del mondo elettrico

Massa e celle peltier

Elettronica lineare e digitale: didattica ed applicazioni

Moderatori: Foto Utentecarloc, Foto Utenteg.schgor, Foto UtenteBrunoValente, Foto UtenteIsidoroKZ

1
voti

[1] Massa e celle peltier

Messaggioda Foto Utentetnnelectro » 3 mag 2012, 15:08

Salve a tutti,

ho due celle di peltier collegate in parallelo ad un alimentaore a 12Vdc...
opportunamente raffreddate ho raggiunto fino a -10°c circa...

Ho il seguente problema:
ho un pulsante opportunamente collegato a un micoprocessore e alla stessa massa che uso per alimentare le celle...
quando le celle non sono alimentate il micro legge la pressione del puilsante, mentre se le celle sono alimentate il micro non mi rivela la pressione del pulsante...

Che cosa succede alla massa ???? :shock:
Avatar utente
Foto Utentetnnelectro
9 1 4
Frequentatore
Frequentatore
 
Messaggi: 162
Iscritto il: 18 dic 2008, 13:13

2
voti

[2] Re: Massa e celle peltier

Messaggioda Foto Utenteclaudiocedrone » 3 mag 2012, 17:28

Magari un bel circuitino in fidocadj potrebbe supplire alla cronica mancanza di chiaroveggenti su questo forum. O_/
"Non farei mai parte di un club che accettasse la mia iscrizione" (G. Marx)
Avatar utente
Foto Utenteclaudiocedrone
21,3k 4 7 9
Master EY
Master EY
 
Messaggi: 15302
Iscritto il: 18 gen 2012, 13:36

1
voti

[3] Re: Massa e celle peltier

Messaggioda Foto Utentetnnelectro » 4 mag 2012, 8:55

forse + di un chiaroveggente quà ci vuole un esorcista... :lol:

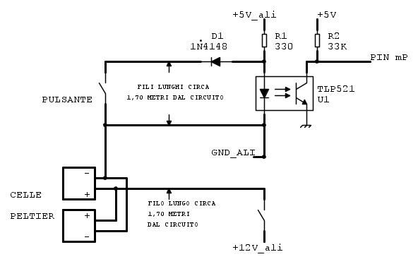
questo è il circuito... il problema può essere la lunghezza dei fili?

Avatar utente
Foto Utentetnnelectro
9 1 4
Frequentatore
Frequentatore
 
Messaggi: 162
Iscritto il: 18 dic 2008, 13:13

1
voti

[4] Re: Massa e celle peltier

Messaggioda Foto Utentemarioursino » 4 mag 2012, 11:46

Qualcosa non va con quel fototransistor, in quel modo sembrerebbe sempre acceso, ma mi sa che una volta premuto il pulsante la corrente incontri minor impedenza attraverso l'1N4148, questo potrebbe conseguire nella sua interdizione e quindi all'intervento del pull up.

Prima di proseguire dovresti correggere quella parte (o magari è giusto così e sbaglio io)
Avatar utente
Foto Utentemarioursino
5.687 3 9 13
G.Master EY
G.Master EY
 
Messaggi: 1598
Iscritto il: 5 dic 2009, 4:32

0
voti

[5] Re: Massa e celle peltier

Messaggioda Foto UtenteLelettrico » 4 mag 2012, 13:19

Diciamo che il TLP521 ha una VF di 1.15 V, se mettiamo un 4148 in parallelo al LED esso si spegne (dovrebbe).
Quindi sarebbe anche corretto allo scopo di spegnere il fotoaccoppiatore.
Quello che non quadra e' che quando le Peltier sono in funzione il micro non rilevi il pulsante :?: :?:
Bisogna mettersi con il tester sui piedini del fotoaccoppiatore ed osservare se vi sia una variazione di tensione in seguito all'accensione degli elementi raffreddanti :?:
Altro, spiriti burloni esclusi ... non vedrei
Avatar utente
Foto UtenteLelettrico
2.458 1 4 6
Master
Master
 
Messaggi: 1108
Iscritto il: 13 set 2010, 12:24

2
voti

[6] Re: Massa e celle peltier

Messaggioda Foto Utentemarioursino » 4 mag 2012, 13:46

Il filo in basso, se non di sezione adeguata, si comporta come una resistenza che attraversata dalla corrente delle celle verso massa, che mi pare sia ben consistente per quanto ricordo, genera ai suo capi una tensione non trascurabile, spegnendo il 4148 e accendendo il fototransistor. Quanto consumano le celle? Che sezione ha il cavo?

Questa è solo un'ipotesi chiaramente..
Avatar utente
Foto Utentemarioursino
5.687 3 9 13
G.Master EY
G.Master EY
 
Messaggi: 1598
Iscritto il: 5 dic 2009, 4:32

0
voti

[7] Re: Massa e celle peltier

Messaggioda Foto UtenteIsidoroKZ » 11 mag 2012, 9:13

Quella di Foto Utentemarioursino mi pare una ipotesi ragionevole.

Modifica il circuito in questo modo, aggiungendo il filo rosso e staccando l'interruttore dal negativo vicino alle celle e vedi che cosa capita.



Lascia perdere le masse che sono un'altra cosa.

La soluzione pulita e` di mettere fili di sezione adeguata, ed eventualmente un filo separato per il pulsante. Altre soluzioni, come mettere un diodo in serie al led del fotoaccoppiatore, sono degli accrocchi da NON fare!
Per usare proficuamente un simulatore, bisogna sapere molta più elettronica di lui
Plug it in - it works better!
Il 555 sta all'elettronica come Arduino all'informatica! (entrambi loro malgrado)
Se volete risposte rispondete a tutte le mie domande
Avatar utente
Foto UtenteIsidoroKZ
121,2k 1 3 8
G.Master EY
G.Master EY
 
Messaggi: 21059
Iscritto il: 17 ott 2009, 0:00


Torna a Elettronica generale

Chi c’è in linea

Visitano il forum: Nessuno e 243 ospiti