Cos'è ElectroYou | Login Iscriviti

ElectroYou - la comunità dei professionisti del mondo elettrico

Quesiti su NE555

Elettronica lineare e digitale: didattica ed applicazioni

Moderatori: Foto Utentecarloc, Foto Utenteg.schgor, Foto UtenteBrunoValente, Foto UtenteIsidoroKZ

0
voti

[1] Quesiti su NE555

Messaggioda Foto UtentePana » 4 mag 2012, 17:45

Salve a tutti :D avrei bisogno di una mano per risolvere tre quesiti che mi hanno proposto a scuola, i primi due sono riuscito a farli ma il terzo proprio non riesco a venirne a capo. vi propongo i tre quesiti (con le soluzioni dei primi due che io ho trovato, e se mi controllate anche quelle mi fareste un grosso piacere).....
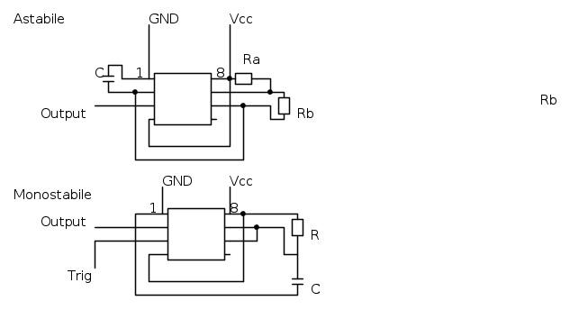
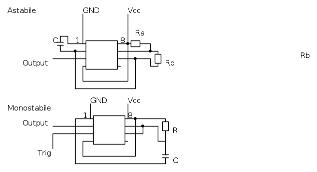
1) progettare un multivibratore astabile che fornisce in uscita una successione di impulsi rettangolari unidirezionali con D=25% Vp=5v T=5 sec.
io ho invertito il dutycicle in modo da poter utilizzare queste formule
D=75% TH=(75/100)x5=3,75 sec.
TL=T-TH=5-3,75=1,25 sec.
impongo C=10uF
TL=RbxCxLn2 formula inversa Rb=TL/(CxLn2)=1,25/(6,9x10^-6)=180 336,8=180Kohm per la serie E24
TH=(Ra+Rb)xCxLn2 formula inversa Ra=[TH-(RbxCxLn2)]/(CxLn2)=(3,75-1,25)/(6,9x10^-6)=360 750,4=360Kohm per la serie E24
A questo punto io ri-inverto le resistenze nel circuito e dovrei ottenere il D=25%, giusto?
2) progettare un multivibratore monostabile che fornisce in uscita ad ogni fronte di discesa del segnale di comando, un impulso di durata 2 sec. e Vp=5v
impongo C=10uF
TH=1,1xRxC formula inversa R=TH/(1,1xC)=2/(11x10^-6)= 181 818,2=180Kohm per la serie E24
3)dimensionare, utilizzando uno o più dispositivi precedenti,un sistema, che comandato in ingresso da una sequenza di bit 0 e 1 di durata 5 sec., fornisca in uscita le forma d'onda definite nel primo punto e nel quale ogni impulso venga ritardato di 1/4 di periodo se il bit in ingresso è 0, 3/4 di periodo se il bit in ingresso è 1.

ora è proprio questo il quesito che non mi riesce... sono giorni che mi scervello ma nulla.... grazie mille a chi saprà aiutarmi!! :D vi allego anche gli schemi in fidocad

Avatar utente
Foto UtentePana
10 5
New entry
New entry
 
Messaggi: 80
Iscritto il: 29 dic 2011, 15:21

0
voti

[2] Re: Aiuto NE555!

Messaggioda Foto Utentesimo85 » 4 mag 2012, 18:00

Ora non posso dare molta attenzione agli enunciati, ma cerco di venirti incontro ugualmente.

Per un duty cycle < 50% devi usare questo circuito.
Se ti può essere utile vedi anche questo link.

O_/
Avatar utente
Foto Utentesimo85
30,9k 7 12 13
Disattivato su sua richiesta
 
Messaggi: 9927
Iscritto il: 30 ago 2010, 4:59

0
voti

[3] Re: Aiuto NE555!

Messaggioda Foto UtentePana » 4 mag 2012, 18:06

grazie mille per l'aiuto che mi hai dato.... adesso devo capire come fare il 3 quesito..... chiunque legga ed ha 5 minuti per pensarci o insomma dei consigli da darmi..... il mio profe mi ha detto di usare un multiplexer.... maa non so dove metterlo ne come farlo... :( e grazie di nuovo dell'aiuto :)
Avatar utente
Foto UtentePana
10 5
New entry
New entry
 
Messaggi: 80
Iscritto il: 29 dic 2011, 15:21

0
voti

[4] Re: Quesiti su NE555

Messaggioda Foto UtentePana » 8 mag 2012, 17:32

up, nessuno nessuno può aiutarmi??
Avatar utente
Foto UtentePana
10 5
New entry
New entry
 
Messaggi: 80
Iscritto il: 29 dic 2011, 15:21

0
voti

[5] Re: Quesiti su NE555

Messaggioda Foto Utentemarco438 » 8 mag 2012, 18:14

Su questo forum chi risponde lo fa se ne ha voglia, capacita' e tempo.
Al prossimo sollecito blocco il thread.
marco
Avatar utente
Foto Utentemarco438
37,1k 7 11 13
-EY Legend-
-EY Legend-
 
Messaggi: 16323
Iscritto il: 24 mar 2010, 15:09
Località: Versilia

0
voti

[6] Re: Quesiti su NE555

Messaggioda Foto Utentebelva87 » 8 mag 2012, 19:55

1 - non capisco perché devi fare un ragionamento così contorto... mi riferisco a quando dici che re-inverti le resistenze per avere il dutycicle al 25% :roll: Guarda ciò che ha linkato Gohan.

2- vedi il secondo link di Gohan, c'è la spiegazione abbastanza buona e anche le formule.

3- il multiplexer lo si compra già fatto, almeno nel tuo caso credo, che è anche il mio dovessi fare una cosa come la tua e credo la quasi totalità delle persone.
Se tu spiegassi in modo più chiaro il funzionamento del circuito, e dicendo per esempio se sai usare un flip flop... e il multiplexer (anche se mi pare di intendere di no) allora possiamo darti una mano su come iniziare a ragionare.

Ho una domanda, il prof ti ha detto di usare un MUX... ma tu dici che non sai come usarlo, li avete studiati??
Che conoscenze hai di elettronica?

O_/ Luca
Avatar utente
Foto Utentebelva87
2.292 2 6 12
free expert
 
Messaggi: 1323
Iscritto il: 9 mag 2011, 15:01

0
voti

[7] Re: Quesiti su NE555

Messaggioda Foto UtenteIsidoroKZ » 8 mag 2012, 21:55

1) Con la configurazione che hai usato puoi ottenere un duty cycle di 0.75. Se poi scambi le resistenze, il duty cycle diventa 0.6 non 0.25. Con quella configurazione il duty cycle e` sempre maggiore di .5.

2) Non basta mettere un numero nelle formule, devi anche dire come come fai a selezionare il fronte di discesa

3) Non ho capito il problema. FORSE immagino che cosa voglia il prof, ma non mi torna, a meno che non sia specificata la sincronizzazione dei bit con un segnale di clock.
Avete fatto i multiplexer?
Per usare proficuamente un simulatore, bisogna sapere molta più elettronica di lui
Plug it in - it works better!
Il 555 sta all'elettronica come Arduino all'informatica! (entrambi loro malgrado)
Se volete risposte rispondete a tutte le mie domande
Avatar utente
Foto UtenteIsidoroKZ
121,2k 1 3 8
G.Master EY
G.Master EY
 
Messaggi: 21059
Iscritto il: 17 ott 2009, 0:00

0
voti

[8] Re: Quesiti su NE555

Messaggioda Foto UtentePana » 9 mag 2012, 18:03

grazie a tutti delle risposte e infatti i primi due quesiti li ho rifatti per bene..... il terzo quesito ha detto questo 3)dimensionare, utilizzando uno o più dispositivi precedenti,un sistema, che comandato in ingresso da una sequenza di bit 0 e 1 di durata 5 sec., fornisca in uscita le forma d'onda definite nel primo punto e nel quale ogni impulso venga ritardato di 1/4 di periodo se il bit in ingresso è 0, 3/4 di periodo se il bit in ingresso è 1. niente altro.... i multiplexer si sono appena accennati a fine terza e lui ci fa domande di elettronica digitale dopo un anno di elettronica analogica (si sono a fine 4 ) e già avendo fatto poco e nulla sui multiplexer non saprei proprio da dove partire con ciò.... grazie mille ancora del vostro aiuto
Avatar utente
Foto UtentePana
10 5
New entry
New entry
 
Messaggi: 80
Iscritto il: 29 dic 2011, 15:21


Torna a Elettronica generale

Chi c’è in linea

Visitano il forum: Nessuno e 57 ospiti