Ciao a tutti, vorrei prendere in esame il circuito in figura per analizzarlo perché credo che possa non funzionare correttamente.
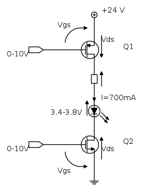
Ho un sistema per pilotare un LED ad alta potenza. Per attivarlo sono necessari due controlli digitali 0-10V che comandano i gate dei MOSFET.
Prendiamo (li ho scelti abbastanza alla svelta, mi interessa più che altro sapere se il procedimento è corretto, magari se riuscirete in un secondo momento a darmi una mano sulla scelta dei componenti / dimensionamenti ve ne sarei grato):
Q1 = IRFD9120 (p-CH)
Q2 = IRFD014 (n-CH)
Guardando i grafici consultati sui datasheet posso notare che:
VDS(Q1) @700mA ~= -300mV (con VGS = 10V)
VDS(Q2) @700mA ~= 100mV (VGS = 10V)
Ciò significa che la c.d.t. sulla resistenza sarà data da (mettiamoci nel "caso peggiore" dove VLED = 3.8V):
Vr = VDD + VDS(Q1) - VLED - VDS(Q2) = 24 - 0.3 - 3.8 - 0.1 = 19.8V
R = VLED / ILED = 19.8 / 0.7 = 28.3 Ohm ==> valore commerciale 33Ohm
Fin qui ci siamo, ma questo sistema in fin dei conti funziona oppure è una mia invenzione? Quando Q1 è OFF e Q2 è OFF il LED è spento. Quando Q1 è ON e Q2 è ON il LED è acceso. Ma quando Solamente uno dei due MOSFET è acceso e l'altro è spento si brucia qualcosa?
Ragionando "in termini di logica" se Q1 è ON la corrente transita attraverso di esso ma se Q2 è OFF la corrente dove può andare a finire? In teoria potrebbe danneggiare il (oppure entrambi) transistor?Riuscireste a propormi una configurazione corretta? Grazie mille delle risposte
Problemino MOSFET
Moderatori:
carloc,
g.schgor,
BrunoValente,
IsidoroKZ
13 messaggi
• Pagina 1 di 2 • 1, 2
0
voti
mattyyy ha scritto:Ma quando Solamente uno dei due MOSFET è acceso e l'altro è spento si brucia qualcosa?
Non credo.
Ragionando "in termini di logica" se Q1 è ON la corrente transita attraverso di esso ma se Q2 è OFF la corrente dove può andare a finire?
Viene assorbita dalla
che sarà di un valore molto mooolto alto, la quale impedirá al LED di accendersi. 0
voti
In altre parole puoi considerare il transistor spento come una interruzione del circuito (circuito aperto) in cui...non c'è corrente elettrica ma hai solo una ddp ai suoi capi ; (certo,se la ddp fosse talmente elevata da sfondare il dielettrico...) formalmente è più corretta la spiegazione di gohan ma ragionando "in soldoni" non c'è gran differenza tra resistenza elevatissima e resistenza infinita (circuito aperto) come ugualmente si approssima resistenza bassissima a resistenza 0 (cortocircuito). 

"Non farei mai parte di un club che accettasse la mia iscrizione" (G. Marx)
-

claudiocedrone
21,3k 4 7 9 - Master EY

- Messaggi: 15302
- Iscritto il: 18 gen 2012, 13:36
0
voti
Ok adesso mi è chiaro, grazie mille.
Mi consigliereste qualche componente più adatto a questo tipo di configurazione? I MOSFET che ho indicato io non sembrano adatti a questo tipo di utilizzo (oltretutto, sui grafici c'è scritto che il funzionamento si riferisce ad un comando di impulso 80uS e DC 0.5%, quindi a regime continuo le caratteristiche saranno differenti).
Il MOSFET a canale n (Q2) deve poter sopportare la corrente che deriva da 24 LED differenti (quindi ID ~ 20A).
Per l'alimentazione credo che sia necessario un alimentatore di quelli con i contro-bip. Sapete dove potrei dare un occhio per uno uno buono? (ad es. QUESTO - lo so è da 12V ma non è un problema, devo solamente ridimensionare la resistenza - cos'è un alimentatore switch trimmer?). Secondo voi le correnti in gioco sono esagerate (sto mettendo su 8 lampade RGB con comando digitale per poter fare vari effetti luminosi)? Dei LED con If nominale di 350mA dovrebbero essere abbastanza luminosi no? Così magari ho meno problemi per trovare un alimentatore che possa star dietro all'intero sistema. Grazie mille per il vostro aiuto
Mi consigliereste qualche componente più adatto a questo tipo di configurazione? I MOSFET che ho indicato io non sembrano adatti a questo tipo di utilizzo (oltretutto, sui grafici c'è scritto che il funzionamento si riferisce ad un comando di impulso 80uS e DC 0.5%, quindi a regime continuo le caratteristiche saranno differenti).
Il MOSFET a canale n (Q2) deve poter sopportare la corrente che deriva da 24 LED differenti (quindi ID ~ 20A).
Per l'alimentazione credo che sia necessario un alimentatore di quelli con i contro-bip. Sapete dove potrei dare un occhio per uno uno buono? (ad es. QUESTO - lo so è da 12V ma non è un problema, devo solamente ridimensionare la resistenza - cos'è un alimentatore switch trimmer?). Secondo voi le correnti in gioco sono esagerate (sto mettendo su 8 lampade RGB con comando digitale per poter fare vari effetti luminosi)? Dei LED con If nominale di 350mA dovrebbero essere abbastanza luminosi no? Così magari ho meno problemi per trovare un alimentatore che possa star dietro all'intero sistema. Grazie mille per il vostro aiuto
1
voti
Ci deve essere una dannatamente buona ragione per mettere un interruttore di sopra e uno di sotto. E sono quasi sicuro che non ce l'hai (per fortuna!).
Mettine uno solo, e lavora con la logica per il pilotaggio del MOS. Cosi` come lo hai disegnato non funziona, il Pmos e` sempre acceso, il suo comando deve essere riferito al suo source, quindi al +24 V
Mettine uno solo, e lavora con la logica per il pilotaggio del MOS. Cosi` come lo hai disegnato non funziona, il Pmos e` sempre acceso, il suo comando deve essere riferito al suo source, quindi al +24 V
Per usare proficuamente un simulatore, bisogna sapere molta più elettronica di lui
Plug it in - it works better!
Il 555 sta all'elettronica come Arduino all'informatica! (entrambi loro malgrado)
Se volete risposte rispondete a tutte le mie domande
Plug it in - it works better!
Il 555 sta all'elettronica come Arduino all'informatica! (entrambi loro malgrado)
Se volete risposte rispondete a tutte le mie domande
0
voti
Vediamo se riesco a spiegarmi meglio... Ho una serie di LED in configurazione a catodo comune. Il comando con Q2 mi serve per accende o spegnere tutti i LED contemporaneamente. I comandi sugli anodi mi servono per fare la PWM su ogni singolo LED però dato che il comando digitale è a 5V (scusate nel post #1 ho scritto 10V per ben due volte, ma è sbagliato!) mi servirebbe un modo per elevare la tensione e per poter fornire la corrente necessaria, per questo mi è venuto in mente quella (stupida) configurazione. Sinceramente non saprei in che altro modo potrei fare altrimenti
0
voti
Cioè connetto il piedino dell'Arduino all'anodo del LED? Dubito che il microcontrollore sia in grado di erogare tanta corrente (il datasheet suggerisce 40mA di sink/source sui piedini di I/O digitali).
13 messaggi
• Pagina 1 di 2 • 1, 2
Chi c’è in linea
Visitano il forum: Nessuno e 53 ospiti

Elettrotecnica e non solo (admin)
Un gatto tra gli elettroni (IsidoroKZ)
Esperienza e simulazioni (g.schgor)
Moleskine di un idraulico (RenzoDF)
Il Blog di ElectroYou (webmaster)
Idee microcontrollate (TardoFreak)
PICcoli grandi PICMicro (Paolino)
Il blog elettrico di carloc (carloc)
DirtEYblooog (dirtydeeds)
Di tutto... un po' (jordan20)
AK47 (lillo)
Esperienze elettroniche (marco438)
Telecomunicazioni musicali (clavicordo)
Automazione ed Elettronica (gustavo)
Direttive per la sicurezza (ErnestoCappelletti)
EYnfo dall'Alaska (mir)
Apriamo il quadro! (attilio)
H7-25 (asdf)
Passione Elettrica (massimob)
Elettroni a spasso (guidob)
Bloguerra (guerra)





