Un micro non lo puoi usare per alimentare i LED o carichi in generale (almeno che la corrente di carico sia ben al di sotto della corrente nominale del pin di I/O), non è fatto per questo, infatti fai bene a dubitare.
Infine, se spegni Q2 non si accendono i LED. Basta un duty cycle del 0%.
Problemino MOSFET
Moderatori:
carloc,
g.schgor,
BrunoValente,
IsidoroKZ
13 messaggi
• Pagina 2 di 2 • 1, 2
0
voti
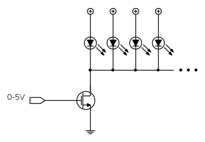
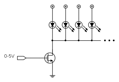
Ok ora ho capito, intendi questo vero?
Potrebbe andare, però il controllo che intendevo è impostare un duty cycle differente su ogni LED. Ad esempio il LED1 full ON (DC 100%), LED2 a metà (DC 50%), LED3 OFF (DC 0%), LED 4 al 62%, ecc... Con lo schema qui sopra tutti i LED si accendono allo stesso modo
Potrebbe andare, però il controllo che intendevo è impostare un duty cycle differente su ogni LED. Ad esempio il LED1 full ON (DC 100%), LED2 a metà (DC 50%), LED3 OFF (DC 0%), LED 4 al 62%, ecc... Con lo schema qui sopra tutti i LED si accendono allo stesso modo
0
voti
Puoi anche lavorare senza PWM, perché ti servirebbero N canali PWM quanti sono gli anodi..
Un metodo semplice è lavorare con le temporizzazioni e cambiare di stato PINx ogni tot di ms o μs.. In questo caso ti bastano tanti pin di I/O quanti sono gli anodi. Immagino che tu li abbia.
Un metodo semplice è lavorare con le temporizzazioni e cambiare di stato PINx ogni tot di ms o μs.. In questo caso ti bastano tanti pin di I/O quanti sono gli anodi. Immagino che tu li abbia.
13 messaggi
• Pagina 2 di 2 • 1, 2
Chi c’è in linea
Visitano il forum: Google Adsense [Bot] e 43 ospiti

Elettrotecnica e non solo (admin)
Un gatto tra gli elettroni (IsidoroKZ)
Esperienza e simulazioni (g.schgor)
Moleskine di un idraulico (RenzoDF)
Il Blog di ElectroYou (webmaster)
Idee microcontrollate (TardoFreak)
PICcoli grandi PICMicro (Paolino)
Il blog elettrico di carloc (carloc)
DirtEYblooog (dirtydeeds)
Di tutto... un po' (jordan20)
AK47 (lillo)
Esperienze elettroniche (marco438)
Telecomunicazioni musicali (clavicordo)
Automazione ed Elettronica (gustavo)
Direttive per la sicurezza (ErnestoCappelletti)
EYnfo dall'Alaska (mir)
Apriamo il quadro! (attilio)
H7-25 (asdf)
Passione Elettrica (massimob)
Elettroni a spasso (guidob)
Bloguerra (guerra)


