Vedo che ancora non hai letto il mio post precedente; comunque, visto che piu' tardi non saro' disponibile, vado avanti ora nella spiegazione.
Arrivati al punto di cui al post precedente, non resta che fare i necessari collegamenti tra i vari componenti.
Quindi, sempre seguendo il nostro schema pratico, con degli spezzoni di filo telefonico nudo, andremo a fare quanto necessario. Visto che i pin dell'integrato ed anche altri componenti sono molto vicini, attenzione a non provocare eventuali cortocircuiti.
Il lato rame, finito, si dovrebbe presentare cosi':

- 017 (1).jpg (73.31 KiB) Osservato 2008 volte
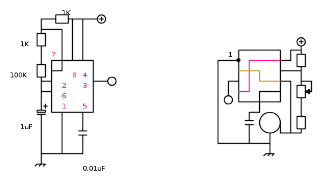
In precedenza avevamo notato come ci fosse un incrocio di connessioni e che ti avrei spiegato come superare l'ostacolo:
Ci sono due possibilita', la prima e' fare come di solito faccio io e cioe' saldare un filo sottile tra i pin dello zoccolo prima di inserirlo sulla basetta. In alternativa, puoi portare un cavo isolato tra i pin 4 e 8 dell'IC.

- 010 (1).jpg (31.03 KiB) Osservato 2008 volte
NOTA BENE: nella foto il collegamento e' stato fatto erroneamente tra il pin 8 ed il 3 (invece del 4); lo ho rifatto dopo, ma non la fotografia.
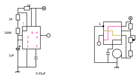
Ora il circuito e' finito e si procede ai controlli.
1. Dopo aver tolto l'integrato, verificare con il tester che
NON CI SIA CONTINUITA' tra il pin 1/2,2/3,3/4,5/6 e 7/8.
2. Controllare che
CI SIA CONTINUITA' tra i pin 4/8,2/6; inoltre, tra 4/8 e positivo, tra 3 e connettore d'uscita, tra 2/6 ed il positivo del condensatore eletrolitico, tra 5 ed il condensatore ceramico, tra il pin 1 e il negativo di alimentazione.
Dopo questi controlli il circuito dovrebbe funzionare; possiamo quindi dare tensione e verificare con un led (e relativa resistenza in serie 470 ohm) l'esistenza degli impulsi sul connettore collegato al pin 3.
Potrebbe essere necessario regolare il trimmer per vedere un lampeggio.
Se tutto e' andato come dovrebbe, si puo' inserire la resistenza di base del transistor ed il transistor stesso (badando bene che emettitore,base e collettore vadano nella giusta direzione) e quindi collegare al circuito di led.

- 018 (2).jpg (43.27 KiB) Osservato 2004 volte
Ora sta a te: cerca di non deludermi!
