Controllo Motore DC a coppia e a potenza costante
Moderatori:
SandroCalligaro,
mario_maggi,
fpalone
29 messaggi
• Pagina 1 di 3 • 1, 2, 3
0
voti
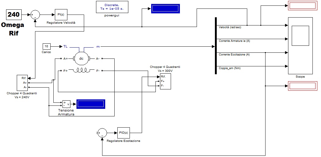
Salve a tutti, volevo chiedervi come continuare questo progetto di Controllo di un Motore DC, con regolazione di tensione di Armatura (coppia costante) e regolazione di tensione di Eccitazione (Potenza costante o deflussaggio).
Sono riuscito a creare la prima parte, e se nel blocco Omega Rif impongo una velocità, il motore la mantiene, fino al massimo di 209 rad/sec (che dovrebbe essere la velocità nominale per questo modello di motore). Tutto questo fatto con un tensione di eccitazione costante a 300V (sempre dalle specifiche del modello).
Ora so che per regolare il deflussaggio devo agire sulla tensione di eccitazione, ma non so bene come continuare!
I miei dubbi sono:
1. Sicuramente la tensione di armatura, deve mantenersi al valore nominale, relativo alla velocità di 209 rad/sec?
2. Dovrei creare un blocco di switch tra le tensioni di armatura ed eccitazione?
3. è corretto usare 2 chopper?
spero di non essere stato confusionario, e vi ringrazio dell'aiuto
1
voti
Devi semplicemente dare un riferimento costante al regolatore
di tensione armatura ed agire sul riferimento della tensione di eccitazione.
di tensione armatura ed agire sul riferimento della tensione di eccitazione.
0
voti
g.schgor ha scritto:Devi semplicemente dare un riferimento costante al regolatore
di tensione armatura ed agire sul riferimento della tensione di eccitazione.
Quindi dovrei usare comunque un blocco condizionale, per switchare il riferimento della tensione di armatura.
Ma vorrei sapere intanto se è possibile fare tutto da un solo riferimento...mi spiego meglio.
In questo momento l'unico ingresso del sistema è la Omega Rif, dato che viene impostato in base all'utilizzo. Il progetto che mi è stato assegnato è di controllare tutto il funzionamento (coppia costante + deflussaggio) solamente agendo su quella Omega Rif, dall'esterno.
Se è così dovrei interporre un blocco condizionale dopo Omega Rif, che in base al valore segue due strade diverse...
3
voti
Sì, puoi mettere un blocco limitatore al riferimento di armatura
che contemporaneamente abilita la variazione del riferimento
di eccitazione.
Il riferimento di velocità agisce così all'inizio sull'armatura (coppia costante)
e dopo la cosiddetta velocità base (massima tensione armatura,) agisce
diminuendo l'eccitazione (potenza costante)
che contemporaneamente abilita la variazione del riferimento
di eccitazione.
Il riferimento di velocità agisce così all'inizio sull'armatura (coppia costante)
e dopo la cosiddetta velocità base (massima tensione armatura,) agisce
diminuendo l'eccitazione (potenza costante)
0
voti
Ok solo una cosa non mi è ancora chiara.
Fin ora sono riuscito a far lavorare il motore, nel tratto a Coppia costante, imponendo una Omega Rif, la ottengo sul motore.
Questo finché non arrivo alla Omega nominale del motore (che in questo caso è di 209 rad/sec).
Il mio dubbio è per far lavorare il motore in deflussaggio, devo fin dall'inizio alimentare la macchina con la tensione nominale (240V) valore per il quale si ha la corrente nominale? quindi devo bypassare fin dall'inizio il chopper che agiva sul primo tratto a coppia costante?
Fin ora sono riuscito a far lavorare il motore, nel tratto a Coppia costante, imponendo una Omega Rif, la ottengo sul motore.
Questo finché non arrivo alla Omega nominale del motore (che in questo caso è di 209 rad/sec).
Il mio dubbio è per far lavorare il motore in deflussaggio, devo fin dall'inizio alimentare la macchina con la tensione nominale (240V) valore per il quale si ha la corrente nominale? quindi devo bypassare fin dall'inizio il chopper che agiva sul primo tratto a coppia costante?
1
voti
Evidentemente non riesco a spiegarmi.
Il tuo schema prevede un regolatore di tensione armatura
ed uno di tensione campo. (BTW, industrialmente si
prevede sempre un loop interno di corrente).
Ora il riferimento di velocità dovrebbe agire, fino alla velocità
base, come riferimento d'armatura e poi. facendo la differenza
tra questo valore ed il riferimento di velocità, in detrazione
sul riferimento di campo.
In tal modo si avrebbe una regolazione di velocità a ciclo aperto.
Per completare l'anello di velocità, si può aggiungere l'errore
(con segno opportuno) al riferimento d'armatura fino alla velocità base,
aggiungendolo dopo al riferimento di campo.
Non so se così è più chiaro.
Il tuo schema prevede un regolatore di tensione armatura
ed uno di tensione campo. (BTW, industrialmente si
prevede sempre un loop interno di corrente).
Ora il riferimento di velocità dovrebbe agire, fino alla velocità
base, come riferimento d'armatura e poi. facendo la differenza
tra questo valore ed il riferimento di velocità, in detrazione
sul riferimento di campo.
In tal modo si avrebbe una regolazione di velocità a ciclo aperto.
Per completare l'anello di velocità, si può aggiungere l'errore
(con segno opportuno) al riferimento d'armatura fino alla velocità base,
aggiungendolo dopo al riferimento di campo.
Non so se così è più chiaro.
0
voti
Il problema è che non ho chiaro, che ingresso dare al regolatore di Campo. Ho costruito un PID, in base alla FDT della macchina, ma non so che ingresso dare a questo pid, l'unica cosa che so è che l'uscita del PID, come per il PI d'armatura, deve comandare il chopper di campo.
1
voti
brunosso ha scritto:non ho chiaro, che ingresso dare al regolatore di Campo.
eppure mi sembra d'averlo spiegato:
g.schgor ha scritto:....facendo la differenza
tra questo valore [velocità base] ed il riferimento di velocità, in detrazione
sul riferimento di campo.
0
voti
1
voti
Mi sembra tu non abbia fatto nulla di quanto ho detto
nei miei post precedenti.
Consiglierei di procedere per gradi, cominciando dal solo
riferimento di velocità applicato al regolatore tensione armatura
(dov'è la limitazione alla velocità-base, cioè alla massima tensione d'armatura)?
nei miei post precedenti.
Consiglierei di procedere per gradi, cominciando dal solo
riferimento di velocità applicato al regolatore tensione armatura
(dov'è la limitazione alla velocità-base, cioè alla massima tensione d'armatura)?
29 messaggi
• Pagina 1 di 3 • 1, 2, 3
Chi c’è in linea
Visitano il forum: Nessuno e 12 ospiti

Elettrotecnica e non solo (admin)
Un gatto tra gli elettroni (IsidoroKZ)
Esperienza e simulazioni (g.schgor)
Moleskine di un idraulico (RenzoDF)
Il Blog di ElectroYou (webmaster)
Idee microcontrollate (TardoFreak)
PICcoli grandi PICMicro (Paolino)
Il blog elettrico di carloc (carloc)
DirtEYblooog (dirtydeeds)
Di tutto... un po' (jordan20)
AK47 (lillo)
Esperienze elettroniche (marco438)
Telecomunicazioni musicali (clavicordo)
Automazione ed Elettronica (gustavo)
Direttive per la sicurezza (ErnestoCappelletti)
EYnfo dall'Alaska (mir)
Apriamo il quadro! (attilio)
H7-25 (asdf)
Passione Elettrica (massimob)
Elettroni a spasso (guidob)
Bloguerra (guerra)




