Non sai riprodurne lo schema, ma sei certo di avere ricostruito fedelmente il PCB. E' come dire che non conosci i componenti elettrici, ma li sai usare.
Posta la foto del alto rame, e del lato componenti, bene a fuoco, (altrimenti evita), e senza esagerare nelle dimensioni.
Termostato 220 V
Moderatori:
g.schgor,
IsidoroKZ
18 messaggi
• Pagina 2 di 2 • 1, 2
5
voti
[12] Re: Termostato 220 V
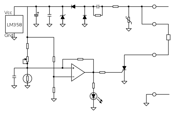
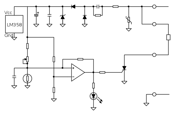
La sfera di cristallo comunica che mancano queste due tracce in nero
e che lo schema diventa
e che lo schema diventa
Se ti serve il valore di beta: hai sbagliato il progetto!
0
voti
[13] Re: Termostato 220 V
Questa è la scheda originale dove mancano NTC e BT150.
- Allegati
-
- CIMG4715.JPG (255.22 KiB) Osservato 4865 volte
-

aviatorfrank
10 2 - New entry

- Messaggi: 53
- Iscritto il: 25 mar 2012, 13:12
0
voti
[15] Re: Termostato 220 V
Porca miseria!!! e pensare che guardato e riguardato lo schema 1000 volte...
comunque sono ancora agli inizi con l'elettronica e quel poco che so l'ho appreso da autodidatta.
Ciò giustifica la mia difficoltà a riprodurre lo schema dal PCB.
non sai quanto ti ringrazio...
Adesso posto la foto del circuito lato rame.
secondo voi ho eseguito bene i collegamenti della resistenza riscldante?
Grazie mille a tutti
comunque sono ancora agli inizi con l'elettronica e quel poco che so l'ho appreso da autodidatta.
Non sai riprodurne lo schema, ma sei certo di avere ricostruito fedelmente il PCB. E' come dire che non conosci i componenti elettrici, ma li sai usare.
Ciò giustifica la mia difficoltà a riprodurre lo schema dal PCB.
La sfera di cristallo comunica che mancano queste due tracce in nero
non sai quanto ti ringrazio...
Adesso posto la foto del circuito lato rame.
secondo voi ho eseguito bene i collegamenti della resistenza riscldante?
Grazie mille a tutti
-

aviatorfrank
10 2 - New entry

- Messaggi: 53
- Iscritto il: 25 mar 2012, 13:12
0
voti
[18] Re: Termostato 220 V
ho assemblato tutti i componenti sul circuito, ho attaccato la spina alla rete e la spia rossa si è accesa normalmente. A questo punto ho collegato una lampadina da 40 watt ai pin in cui doveva essere collegata la resistenza riscaldante, ma questa non si è accesa.
Con il tester ho controllato tutti i componenti ed ho constatato che la tensione manca solo al terminale 2 del BT150.
Non so come procedere,il fatto che non so far andare un circuito uscito dalla fabbrica mi sta facendo impazzire!!!
Con il tester ho controllato tutti i componenti ed ho constatato che la tensione manca solo al terminale 2 del BT150.
Non so come procedere,il fatto che non so far andare un circuito uscito dalla fabbrica mi sta facendo impazzire!!!
-

aviatorfrank
10 2 - New entry

- Messaggi: 53
- Iscritto il: 25 mar 2012, 13:12
18 messaggi
• Pagina 2 di 2 • 1, 2
Torna a Elettrotecnica generale
Chi c’è in linea
Visitano il forum: Nessuno e 21 ospiti

Elettrotecnica e non solo (admin)
Un gatto tra gli elettroni (IsidoroKZ)
Esperienza e simulazioni (g.schgor)
Moleskine di un idraulico (RenzoDF)
Il Blog di ElectroYou (webmaster)
Idee microcontrollate (TardoFreak)
PICcoli grandi PICMicro (Paolino)
Il blog elettrico di carloc (carloc)
DirtEYblooog (dirtydeeds)
Di tutto... un po' (jordan20)
AK47 (lillo)
Esperienze elettroniche (marco438)
Telecomunicazioni musicali (clavicordo)
Automazione ed Elettronica (gustavo)
Direttive per la sicurezza (ErnestoCappelletti)
EYnfo dall'Alaska (mir)
Apriamo il quadro! (attilio)
H7-25 (asdf)
Passione Elettrica (massimob)
Elettroni a spasso (guidob)
Bloguerra (guerra)



