impedenza di ingresso sallen key
Moderatori:
carloc,
g.schgor,
BrunoValente,
IsidoroKZ
16 messaggi
• Pagina 1 di 2 • 1, 2
0
voti
Aggiungo anche:
http://en.wikipedia.org/wiki/Sallen%E2%80%93Key_topology
http://en.wikipedia.org/wiki/Sallen%E2%80%93Key_topology
Ultima modifica di quenci il 6 nov 2011, 23:49, modificato 1 volta in totale.
6
voti

Per usare proficuamente un simulatore, bisogna sapere molta più elettronica di lui
Plug it in - it works better!
Il 555 sta all'elettronica come Arduino all'informatica! (entrambi loro malgrado)
Se volete risposte rispondete a tutte le mie domande
Plug it in - it works better!
Il 555 sta all'elettronica come Arduino all'informatica! (entrambi loro malgrado)
Se volete risposte rispondete a tutte le mie domande
0
voti
potresti indicarmi i passaggi che hai seguito per ottenere tale formula?
Grazie mille !!

7
voti
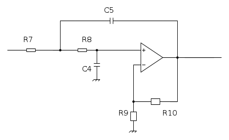
giulia87 ha scritto:...cioè cosa hai considerato in parallelo e cosa in serie...
In elettrotecnica ed in elettronica, parallelo o serie non sono due propietà esclusive. Purtroppo, spesso, alcuni elementi hanno la propietà di non essere ne in serie ne in parallelo rompendo non poco le scatole...
Quindi, per procedere al calcolo, devi applicare in ingresso un generatore di test e trovare il rapporto fra la tensione e la corrente d'ingresso scrivendo le equazioni che regolano le maglie. Dipende dal caso se è più conveniente applicare un generatore di test di corrente o di tensione.
Detto questo, nel tuo caso considererei il seguente circuito, applicando un generatore di corrente di test:
Elencando tutti i passaggi elettrotecnici (alcuni potrebbero essere saltati in quando il risultato visibile "ad occhio"):
1) Puoi dire che
;2) Puoi dire che
;3) Puoi dire
sotto l'ipotesi che l'impedenza d'ingresso dell'amplificatore sia infinita;4) Puoi dire, se assumi l'ipotesi del punto 3, che
;5) Mettendo insieme tutte le informazioni dei precedenti punti trovi
;Ora, ti manca un'equazione per eliminare l'incognita
. La puoi scrivere considerando le correnti sul nodo di
:6) Puoi dire
;7) Puoi scrivere che
;8) Mettendo assieme la 4),la 5) e la 7) nel punto 6) trovi il legame fra
e
;9) Dalla 1) puoi espriemere la
in funzione di
e
;10) Bene, siamo arrivati. Sostituendo la 9) nella 8) basta ricavare il rapporto
; Alla fine, ricordati che
e vedrai che ti viene fuori proprio la formula indicata da IsidoroKZ.Enjoy!
-

EnChamade
6.498 2 8 12 - G.Master EY

- Messaggi: 588
- Iscritto il: 18 giu 2009, 12:00
- Località: Padova - Feltre
4
voti
Dopo sei mesi non ricordo come l'avevo calcolata.
Sicuramente non l'avevo fatta guardando il circuito, troppo complicato. Probabilmente avevo utilizzato i potenziali ai nodi. Del resto se fai passare 6 mesi senza nessun acknowledge non puoi pretendere che io sia al tuo servizio pronto a scattare.
VIsto questo tipo di comportamento, non ho mai piu` risposto alle tue domande, anche se spesso qualcosa di sensato da dire l'avrei avuto. Ed evidentemente ho fatto bene.
Sicuramente non l'avevo fatta guardando il circuito, troppo complicato. Probabilmente avevo utilizzato i potenziali ai nodi. Del resto se fai passare 6 mesi senza nessun acknowledge non puoi pretendere che io sia al tuo servizio pronto a scattare.
VIsto questo tipo di comportamento, non ho mai piu` risposto alle tue domande, anche se spesso qualcosa di sensato da dire l'avrei avuto. Ed evidentemente ho fatto bene.
Per usare proficuamente un simulatore, bisogna sapere molta più elettronica di lui
Plug it in - it works better!
Il 555 sta all'elettronica come Arduino all'informatica! (entrambi loro malgrado)
Se volete risposte rispondete a tutte le mie domande
Plug it in - it works better!
Il 555 sta all'elettronica come Arduino all'informatica! (entrambi loro malgrado)
Se volete risposte rispondete a tutte le mie domande
16 messaggi
• Pagina 1 di 2 • 1, 2
Chi c’è in linea
Visitano il forum: Nessuno e 44 ospiti

Elettrotecnica e non solo (admin)
Un gatto tra gli elettroni (IsidoroKZ)
Esperienza e simulazioni (g.schgor)
Moleskine di un idraulico (RenzoDF)
Il Blog di ElectroYou (webmaster)
Idee microcontrollate (TardoFreak)
PICcoli grandi PICMicro (Paolino)
Il blog elettrico di carloc (carloc)
DirtEYblooog (dirtydeeds)
Di tutto... un po' (jordan20)
AK47 (lillo)
Esperienze elettroniche (marco438)
Telecomunicazioni musicali (clavicordo)
Automazione ed Elettronica (gustavo)
Direttive per la sicurezza (ErnestoCappelletti)
EYnfo dall'Alaska (mir)
Apriamo il quadro! (attilio)
H7-25 (asdf)
Passione Elettrica (massimob)
Elettroni a spasso (guidob)
Bloguerra (guerra)


!


