Salve, ho un problema con l'alimentazione in CC.
Devo alimentare un ICL7107 e sono richiesti +5V e -5V stabili.
La tensione di alimentazione del tutto è 12V, ma per stabilizzarla potrei utilizzare un 7805 con il relativo circuito per regolare i + 5V, invece per generare la tensione negativa dovrei implementare il circuito generatore di tensione negativa (con l'uso dell'NE555) e poi stabilizzare a sua volta questa con un 7809 con il relativo circuito.
Questa soluzione sarebbe anche ingombrante, ne esiste una diversa? Magari un integrato che faccia cose del genere o quantomeno una soluzione che mi porti ad implementare un numero minore di integrati.
Stabilizzatore tensione
Moderatori:
carloc,
g.schgor,
BrunoValente,
IsidoroKZ
4 messaggi
• Pagina 1 di 1
0
voti
1
voti
Per il 555 ti riferisci a questo circuito?
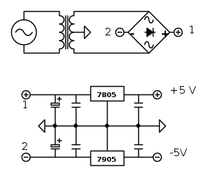
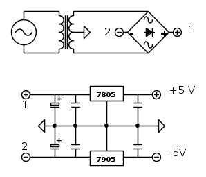
Non mi sembra la soluzione migliore. La serie 78xx serve per stabilzzare tensioni positive, mentre la serie 79xx, le negative. Una soluzione migliore è questa:
Che non è nient'altro che uno schema di base per una fonte di alimentazione duale lineare.
Non mi sembra la soluzione migliore. La serie 78xx serve per stabilzzare tensioni positive, mentre la serie 79xx, le negative. Una soluzione migliore è questa:
Che non è nient'altro che uno schema di base per una fonte di alimentazione duale lineare.
0
voti
Perfetto, ma dovrei unificare i due schemi che mi hai proposto? Perdona la mia ignoranza..
1
voti
Mi sembra ovvio; basta seguire le indicazioni che [user]gohan[/user] ha esaurientemente illustrato.
Credo sia opportuno ricordare che quel circuito necessita di un trasformatore a presa centrale.
Credo sia opportuno ricordare che quel circuito necessita di un trasformatore a presa centrale.
marco
4 messaggi
• Pagina 1 di 1
Chi c’è in linea
Visitano il forum: Google Adsense [Bot] e 52 ospiti

Elettrotecnica e non solo (admin)
Un gatto tra gli elettroni (IsidoroKZ)
Esperienza e simulazioni (g.schgor)
Moleskine di un idraulico (RenzoDF)
Il Blog di ElectroYou (webmaster)
Idee microcontrollate (TardoFreak)
PICcoli grandi PICMicro (Paolino)
Il blog elettrico di carloc (carloc)
DirtEYblooog (dirtydeeds)
Di tutto... un po' (jordan20)
AK47 (lillo)
Esperienze elettroniche (marco438)
Telecomunicazioni musicali (clavicordo)
Automazione ed Elettronica (gustavo)
Direttive per la sicurezza (ErnestoCappelletti)
EYnfo dall'Alaska (mir)
Apriamo il quadro! (attilio)
H7-25 (asdf)
Passione Elettrica (massimob)
Elettroni a spasso (guidob)
Bloguerra (guerra)




