contatore up down (No micro)
Moderatore:
IsidoroKZ
9 messaggi
• Pagina 1 di 1
0
voti
salve a tutti, volevo sapere se qualcuno ha in casa uno schema elettrico di un contatore up-down che visualizza il numero su un display a 7 segmenti, comandato da 2 pulsanti.. In base al pulsante premuto aumenta o decrementa il numero visualizzato sul display.. Possibilmente senza micro, solo con circuiti integrati.. La tensione di alimentazione deve essere al massimo di 12 volt.. Grazie a chi risponderà
0
voti
intanto vi ringrazio per le risposte, ma per caso avete uno schema tra le mani?? anche il più semplice
0
voti
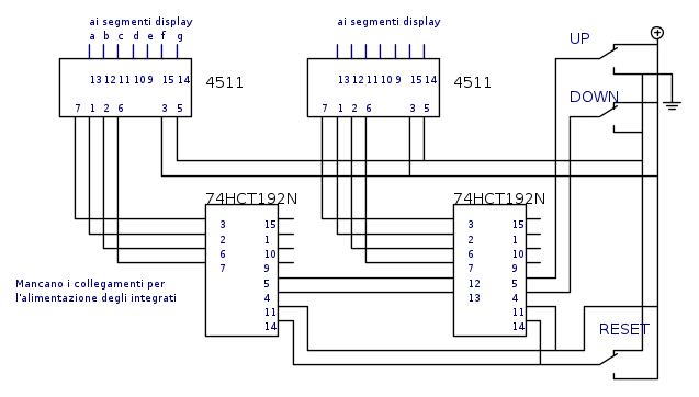
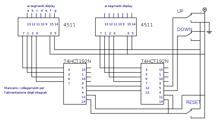
Questo e' un altro schema, molto semplice, con l'integrato 74192.


marco
0
voti
Questo fa proprio al caso mio, però lo realizzerò con solo un integrato che pilota ovviamente un solo display.. un'altra cosa, resistenze e condensatori??
0
voti
E' sempre opportuno mettere condensatori da 0.1uF tra positivo di alimentazione e riferimento su tutti gli integrati.
Per quanto attiene le resistenze, vanno messe in serie all'uscita del 4511 e dimensionate secondo il tipo di display.
Per quanto attiene le resistenze, vanno messe in serie all'uscita del 4511 e dimensionate secondo il tipo di display.
marco
9 messaggi
• Pagina 1 di 1
Torna a Elettronica e spettacolo
Chi c’è in linea
Visitano il forum: Google Adsense [Bot] e 9 ospiti

Elettrotecnica e non solo (admin)
Un gatto tra gli elettroni (IsidoroKZ)
Esperienza e simulazioni (g.schgor)
Moleskine di un idraulico (RenzoDF)
Il Blog di ElectroYou (webmaster)
Idee microcontrollate (TardoFreak)
PICcoli grandi PICMicro (Paolino)
Il blog elettrico di carloc (carloc)
DirtEYblooog (dirtydeeds)
Di tutto... un po' (jordan20)
AK47 (lillo)
Esperienze elettroniche (marco438)
Telecomunicazioni musicali (clavicordo)
Automazione ed Elettronica (gustavo)
Direttive per la sicurezza (ErnestoCappelletti)
EYnfo dall'Alaska (mir)
Apriamo il quadro! (attilio)
H7-25 (asdf)
Passione Elettrica (massimob)
Elettroni a spasso (guidob)
Bloguerra (guerra)





