Cos'è ElectroYou | Login Iscriviti

ElectroYou - la comunità dei professionisti del mondo elettrico

Luci a scorrimento

hi-fi, luci, suoni, effetti speciali, palcoscenici...

Moderatore: Foto UtenteIsidoroKZ

0
voti

[11] Re: Luci a scorrimento

Messaggioda Foto Utentesimo85 » 18 mag 2012, 19:00

cartaio ha scritto:no da 7 a 15 se leggi la descrizione dei video

Ah, allora sono io che oggi non ci sto con il cervello, perché a me quella sembra la prima parte...

Comunque, per fare quello con un microcontrollore non ti serve un registro a scorrimento, quindi in quel video non serve a niente, ti bastano si e no 10 linee di codice. Per la seconda parte anche meno.
Avatar utente
Foto Utentesimo85
30,9k 7 12 13
Disattivato su sua richiesta
 
Messaggi: 9927
Iscritto il: 30 ago 2010, 4:59

0
voti

[12] Re: Luci a scorrimento

Messaggioda Foto Utentecartaio » 18 mag 2012, 19:08

io ho detto k il risultato è quello ma lo devo fare senza micricontrollore....
Avatar utente
Foto Utentecartaio
0 2
 
Messaggi: 9
Iscritto il: 18 mag 2012, 15:14

0
voti

[13] Re: Luci a scorrimento

Messaggioda Foto Utentesimo85 » 18 mag 2012, 19:53

Allora non usare quel registro a scorrimento. Rischi di complicarti di molto la vita.
Vedi prima questo e poi questo thread.
Come fonte di clock usa un 555 astabile...
Avatar utente
Foto Utentesimo85
30,9k 7 12 13
Disattivato su sua richiesta
 
Messaggi: 9927
Iscritto il: 30 ago 2010, 4:59

0
voti

[14] Re: Luci a scorrimento

Messaggioda Foto Utentecartaio » 18 mag 2012, 20:00

guardate ormai ho solo fatto perdere tempo a voi e mi sono complicato l'esistenza...chiedo al professore di elettronica che forse a voce mi spiego meglio...
Avatar utente
Foto Utentecartaio
0 2
 
Messaggi: 9
Iscritto il: 18 mag 2012, 15:14

0
voti

[15] Re: Luci a scorrimento

Messaggioda Foto Utentesimo85 » 18 mag 2012, 20:05

Si, perché il da quello che hai postato al messaggio 4 abbiamo che:
Codice: Seleziona tutto
00000001
00000010
00000100
00001000
00010000
00100000
01000000
10000000


Dal video si vede la sequenza come:

Codice: Seleziona tutto
00000001
00000010
00000100
00001000
00010000
00100000
01000000
10000000
01000000
00100000
00010000
00001000
00000100
00000010
00000001


La prima la risolvi con un 4017, la seconda come ti ho suggerito senza complicarti troppo la vita.
Avatar utente
Foto Utentesimo85
30,9k 7 12 13
Disattivato su sua richiesta
 
Messaggi: 9927
Iscritto il: 30 ago 2010, 4:59

0
voti

[16] Re: Luci a scorrimento

Messaggioda Foto Utentecartaio » 18 mag 2012, 20:07

no quello succede fino a 7 sec da 7 in poi è come ho messo io...comunque come si usa la 4017?
Avatar utente
Foto Utentecartaio
0 2
 
Messaggi: 9
Iscritto il: 18 mag 2012, 15:14

2
voti

[17] Re: Luci a scorrimento

Messaggioda Foto Utentesimo85 » 18 mag 2012, 20:23

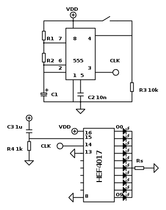
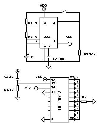
Il funzionamento del 4017 è spiegato nel datasheet. Come oscillatore puoi usare un 555 (datasheet).

Nel link per quest'ultimo trovi anche i calcoli per R1, R2 e C1 per lo schema a seguire.
Avatar utente
Foto Utentesimo85
30,9k 7 12 13
Disattivato su sua richiesta
 
Messaggi: 9927
Iscritto il: 30 ago 2010, 4:59

0
voti

[18] Re: Luci a scorrimento

Messaggioda Foto Utentecartaio » 19 mag 2012, 18:33

Grazie dell' aiuto su multisim funziona martedì compreró i pezzi e testo nella realtà
Avatar utente
Foto Utentecartaio
0 2
 
Messaggi: 9
Iscritto il: 18 mag 2012, 15:14

0
voti

[19] Re: Luci a scorrimento

Messaggioda Foto UtenteIsidoroKZ » 20 mag 2012, 10:38

Per avere solo 8 led, meglio collegare la nona uscita all'ingresso di reset.
Per usare proficuamente un simulatore, bisogna sapere molta più elettronica di lui
Plug it in - it works better!
Il 555 sta all'elettronica come Arduino all'informatica! (entrambi loro malgrado)
Se volete risposte rispondete a tutte le mie domande
Avatar utente
Foto UtenteIsidoroKZ
121,2k 1 3 8
G.Master EY
G.Master EY
 
Messaggi: 21059
Iscritto il: 17 ott 2009, 0:00

0
voti

[20] Re: Luci a scorrimento

Messaggioda Foto Utenteslax » 20 mag 2012, 10:49

non so esattamente quale componente elettronico consigliarti, ma la cosa più semplice sarebbe un registro a scorrimento
Avatar utente
Foto Utenteslax
160 1 5
 
Messaggi: 18
Iscritto il: 5 mag 2012, 18:40

Precedente

Torna a Elettronica e spettacolo

Chi c’è in linea

Visitano il forum: Nessuno e 23 ospiti