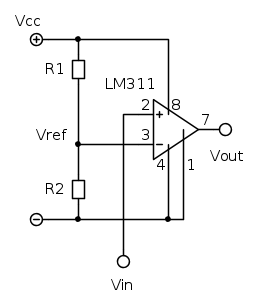
Qui sotto ho disegnato un comparatore NON ivertente?
è corretto collegare il carico in questo modo?
Grazie

Moderatori:
carloc,
g.schgor,
BrunoValente,
IsidoroKZ

IsidoroKZ ha scritto:Si`, dici bene, ma ci sono due ma.
Il primo e` che quel partitore da` una tensione di soglia di qualche decina di millvolt, darei anche una occhiata alle tensioni di offset.
Il secondo ma, molto piu` serio, e` che vai a lavorare con tensioni di ingresso di modo comune di qualche decina di millivolt, e sei fuori dalle specifiche del comparatore che richiede che gli ingressi siano almeno 0.5 V piu` positivi dell'alimentazione negativa.
Se vuoi scendere fino a 0V con il modo comune devi usare un LM393, un po' piu` lento.
IsidoroKZ ha scritto: le correnti di bias...
cosa sarebbero queste?Visitano il forum: Nessuno e 150 ospiti