Salve ragazzi, sto realizzando un circuito che realizzi un lampeggiante per cancello elettrico. Dato che al lampeggiante arriva la tensione di 13.8V (ma poi, perché 13.8 e non 12? 13.8 non è una tensione da 'radioamatori'?), ho pensato di realizzare il tutto con un 555, relè e lampada a 12V. Il mio unico dubbio è se lampada e relè possono sopportare per l'appunto i 13.8. Altrimenti come dovrei comportarmi per abbassare la tensione?
Qui il circuito. Grazie
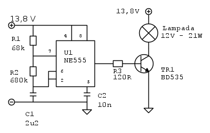
Lampeggiatore con NE555
Moderatori:
carloc,
g.schgor,
BrunoValente,
IsidoroKZ
36 messaggi
• Pagina 1 di 4 • 1, 2, 3, 4
1
voti
Per quanto riguarda il circuito non ci sono problemi, visto che il 555 puo' lavorare fino a 15V; qualche dubbio sorge sul rele' la cui bobina potrebbe danneggiarsi.
Per evitare, puoi mettere due diodi in serie sull'alimentazione del rele' che dovrebbero abbassare la tensione di circa 1.4V.
Metti anche un diodo a protezione della bobina del rele'.
P.S. Ma ai 13.8V hai provato ad applicare un carico? Se la tensione non e' stabilizzata, tendera' a scendere in proporzione al carico.
Per evitare, puoi mettere due diodi in serie sull'alimentazione del rele' che dovrebbero abbassare la tensione di circa 1.4V.
Metti anche un diodo a protezione della bobina del rele'.
P.S. Ma ai 13.8V hai provato ad applicare un carico? Se la tensione non e' stabilizzata, tendera' a scendere in proporzione al carico.
marco
1
voti
I 13,8V probabilmente perché derivano da una batteria al piombo che a piena carica raggiunge appunto 13,8V.
Comunque nessun problema per i relè (in genere soppostano tranquillamente +20/30% della Vn) e neppure per la lampada che suppongo di derivazione "automobilistica" quindi tranquillamente "abituata" ai 13,8V.
Piuttosto perché quel relè ? Ti piace sentire il Tic-Tac ... ? perché non ci metti un bel transistor di potenza ?
La corrente nominale va calcolata in base alla potenza della lampada ma per una 21W (potenza standard nel settore auto) significa un paio ai Ampere. Quasi un qualsiasi BD xxx in configurazione Emettitore comune basta e avanza ..... e il silenzio regni !
Bye
Ser.Tom
Comunque nessun problema per i relè (in genere soppostano tranquillamente +20/30% della Vn) e neppure per la lampada che suppongo di derivazione "automobilistica" quindi tranquillamente "abituata" ai 13,8V.
Piuttosto perché quel relè ? Ti piace sentire il Tic-Tac ... ? perché non ci metti un bel transistor di potenza ?
La corrente nominale va calcolata in base alla potenza della lampada ma per una 21W (potenza standard nel settore auto) significa un paio ai Ampere. Quasi un qualsiasi BD xxx in configurazione Emettitore comune basta e avanza ..... e il silenzio regni !
Bye
Ser.Tom1
voti
La tensione di output del 555, alimentato a 13.8, è già dalle parti di 12V.
Se la lampadina di cui non hai specificato la potenza, è un carico sopportato dall'integrato, non ti serve il relè.
Se la lampadina di cui non hai specificato la potenza, è un carico sopportato dall'integrato, non ti serve il relè.
0
voti
Grazie ragazzi per le risposte, proverò ad effettuare qualche prova non appena ho il materiale.
Lo farei volentieri ma neppure sapevo fosse possibile una cosa del genere, a quanto pare in 3^ elettronica sembra più importante passare mesi e mesi sulla logica........................
Grazie
SerTom ha scritto:
Piuttosto perché quel relè ? Ti piace sentire il Tic-Tac ... ? perché non ci metti un bel transistor di potenza ?
La corrente nominale va calcolata in base alla potenza della lampada ma per una 21W (potenza standard nel settore auto) significa un paio ai Ampere. Quasi un qualsiasi BD xxx in configurazione Emettitore comune basta e avanza ..... e il silenzio regni !
ByeSer.Tom
Lo farei volentieri ma neppure sapevo fosse possibile una cosa del genere, a quanto pare in 3^ elettronica sembra più importante passare mesi e mesi sulla logica........................
Grazie
-

rocknetman
0 2 - Messaggi: 17
- Iscritto il: 1 mag 2012, 18:20
1
voti
Ecco lo schema per usare un transistor al posto del relè. Ho ipotizzato l'uso di una lampada da 21W o minore.
Il transistor è un NPN da 60V - 5A (c'è un po' di margine); ha hfe piuttrosto basso ecco perché la resitenza di base è piuttosto bassa. Per quella potenza di lampada e per un uso saltuario il transistor va bene anche senza dissipatore.
Bye
Ser.Tom
P.S chiedi al tuo Prof di discutere questo schema, la logica va bene (e ti servirà molto in futuro), ma l'applicazione pratica ti fa capire che la teoria ha delle applicazioni.
Il transistor è un NPN da 60V - 5A (c'è un po' di margine); ha hfe piuttrosto basso ecco perché la resitenza di base è piuttosto bassa. Per quella potenza di lampada e per un uso saltuario il transistor va bene anche senza dissipatore.
Bye
Ser.TomP.S chiedi al tuo Prof di discutere questo schema, la logica va bene (e ti servirà molto in futuro), ma l'applicazione pratica ti fa capire che la teoria ha delle applicazioni.
Ultima modifica di
SerTom il 23 mag 2012, 16:32, modificato 2 volte in totale.
0
voti
Cosi' come hai fatto, si legge solo il sorgente.
marco
0
voti
SerTom ha scritto:
P.S chiedi al tuo Prof di discutere questo schema, la logica va bene (e ti servirà molto in futuro), ma l'applicazione pratica ti fa capire che la teoria ha delle applicazioni.
Grazie per lo schema, vedo che non si discosta per nulla dall'uso di un comune BJT per uso generale, a differenza ovviamente delle correnti supportabili. La facevo una cosa molto più macchinosa.
Ciao
-

rocknetman
0 2 - Messaggi: 17
- Iscritto il: 1 mag 2012, 18:20
36 messaggi
• Pagina 1 di 4 • 1, 2, 3, 4
Chi c’è in linea
Visitano il forum: Nessuno e 54 ospiti

Elettrotecnica e non solo (admin)
Un gatto tra gli elettroni (IsidoroKZ)
Esperienza e simulazioni (g.schgor)
Moleskine di un idraulico (RenzoDF)
Il Blog di ElectroYou (webmaster)
Idee microcontrollate (TardoFreak)
PICcoli grandi PICMicro (Paolino)
Il blog elettrico di carloc (carloc)
DirtEYblooog (dirtydeeds)
Di tutto... un po' (jordan20)
AK47 (lillo)
Esperienze elettroniche (marco438)
Telecomunicazioni musicali (clavicordo)
Automazione ed Elettronica (gustavo)
Direttive per la sicurezza (ErnestoCappelletti)
EYnfo dall'Alaska (mir)
Apriamo il quadro! (attilio)
H7-25 (asdf)
Passione Elettrica (massimob)
Elettroni a spasso (guidob)
Bloguerra (guerra)







