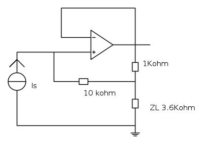
Ho il seguente circuito:
Devo calcolare la resistenza in ingresso di questo amplificatore di corrente e la resistenza di uscita.
Per quella di uscita ho inserito un generatore di corrente al posto di Zl e calcolato la tensione ai suoi
capi. Risultato Rout= R2//R1.
Mi chiedo si poteva ottenere anche come tensione a vuoto diviso corrente in cc. Io dico di no in quanto se tolgo la Zl la corrente dove circola! Oppure c'è un altro metodo possibile?
Poi Zl cosa sarà una resistenza? o una reattanza induttiva?
Quello Zl penso sia inteso come impedenza di carico (load) e non reattanza induttiva?
A parte questo che non crea problemi con la risoluzione
Per la Rin direi che dipende da Zl. Qualcuno può darmi delucidazioni.
Grazie mille
Calcolo Resistenza ingresso ed uscita
Moderatori:
carloc,
g.schgor,
BrunoValente,
IsidoroKZ
3 messaggi
• Pagina 1 di 1
0
voti
0
voti
Mi autorispondo.
Per il calcolo della resistenza in uscita si applica un generatore di tensione al posto del carico e si spegne il generatore di corrente e visto che sul morsetto + non scorre corrente la tensione v+= alla v di prova, così anche per l'uscita dell'operazionale. Quindi resistenza di uscita infinita (in teoria)
Per la resitenza in ingresso R2 e R1 sono in parallelo e si può ricavare la corrente sul carico saputa
quella con equazione alla maglia si ricava la tensione sul generatore di corrente e ora basta
dividere tensione/corrente. Quindi dipende dal carico!
Per il calcolo della resistenza in uscita si applica un generatore di tensione al posto del carico e si spegne il generatore di corrente e visto che sul morsetto + non scorre corrente la tensione v+= alla v di prova, così anche per l'uscita dell'operazionale. Quindi resistenza di uscita infinita (in teoria)
Per la resitenza in ingresso R2 e R1 sono in parallelo e si può ricavare la corrente sul carico saputa
quella con equazione alla maglia si ricava la tensione sul generatore di corrente e ora basta
dividere tensione/corrente. Quindi dipende dal carico!
0
voti
Si`, tutto giusto. Iout=Iin(1+R2/R1) (R2 e` quella da 10kohm), e quindi la resistenza di ingresso diventa R2+ZL(1+R2/R1), se non ho sbagliato i conti.
Per usare proficuamente un simulatore, bisogna sapere molta più elettronica di lui
Plug it in - it works better!
Il 555 sta all'elettronica come Arduino all'informatica! (entrambi loro malgrado)
Se volete risposte rispondete a tutte le mie domande
Plug it in - it works better!
Il 555 sta all'elettronica come Arduino all'informatica! (entrambi loro malgrado)
Se volete risposte rispondete a tutte le mie domande
3 messaggi
• Pagina 1 di 1
Chi c’è in linea
Visitano il forum: Nessuno e 198 ospiti

Elettrotecnica e non solo (admin)
Un gatto tra gli elettroni (IsidoroKZ)
Esperienza e simulazioni (g.schgor)
Moleskine di un idraulico (RenzoDF)
Il Blog di ElectroYou (webmaster)
Idee microcontrollate (TardoFreak)
PICcoli grandi PICMicro (Paolino)
Il blog elettrico di carloc (carloc)
DirtEYblooog (dirtydeeds)
Di tutto... un po' (jordan20)
AK47 (lillo)
Esperienze elettroniche (marco438)
Telecomunicazioni musicali (clavicordo)
Automazione ed Elettronica (gustavo)
Direttive per la sicurezza (ErnestoCappelletti)
EYnfo dall'Alaska (mir)
Apriamo il quadro! (attilio)
H7-25 (asdf)
Passione Elettrica (massimob)
Elettroni a spasso (guidob)
Bloguerra (guerra)



